Muchos equipos como los set-top boxes usados ??para la recepción de televisión por cable o satélite se han vuelto comunes en las residencias modernas. Sin embargo, como los hogares modernos pueden tener más de un receptor de TV, un único set top box estará siempre situado cerca del televisor principal, es decir, el más usado.
Considerando que muchas personas pueden querer usar el equipo pero con un televisor colocado en otra habitación, el problema es hacer que el control remoto se puede utilizar y no sólo la señal recibida.
Una solución ideal para sustituir el control remoto por IR (infrarrojo) consiste en utilizar un enlace de datos de pequeña potencia vía radio o RF, como sugiere la figura 1.

En este enlace la señal de TV se envía al televisor remoto a través de cable, pero hay un enlace para permitir el uso del control remoto a distancia.
Como no es práctico sustituir el control remoto, una solución consiste en utilizar el control remoto IR pero en conjunto con un transmisor.
En la figura 2 se muestra un diagrama de bloques que permite entender cómo se puede hacer.

En este circuito, el receptor IR recibe la señal codificada del control remoto y lo utiliza para modular un transmisor de RF.
Este transmisor envía la señal a un receptor junto al set-top box y lo reconvierte a la forma infrarroja para que se transmite en forma de infrarrojo al set top box.
Este sistema puede aplicarse a otros equipos que distribuyen señales de vídeo, como por ejemplo un reproductor de DVD o una videocasete.
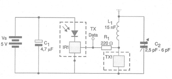
El transmisor y el receptor
En la figura 3 tenemos el diagrama del transmisor que se basa en dos módulos.

El primero es el IR1 que consiste en un receptor infrarrojo TFMS2409 de Temic que es un fotomódulo PCM para control remoto.
TX1 es un LPRS (Low Power Radio Solutions) TX433-A de 433,9 MHz, un microtransmisor de baja potencia en módulo.
El receptor tiene su circuito mostrado en la figura 4 y utiliza un MICRF001 de Micrel.

La señal obtenida en la salida de este circuito se puede utilizar para excitar un transistor con un LED infrarrojo apuntado al equipo que debe controlarse.



