La fuente de prueba ajustable que describimos, y cuyo aspecto básico se muestra en la figura 1 puede proporcionar tensiones entre 0 y 12 V bajo una corriente de hasta 1A. Con esta fuente el lector podrá alimentar pequeños motores eléctricos servos, transmisores y receptores.

Las fuentes de alimentación usadas en las bancadas de trabajo de laboratorios de electrónica sirven perfectamente para la prueba de servos, pequeños motores e incluso para la alimentación de transmisores y receptores.
La segunda alternativa que es la explorada en este artículo consiste en el montaje de los equipos por el propio aficionado, lo que además de ser una solución al alcance de la mayoría es también la solución más económica.
Una regulación electrónica y la utilización de un instrumento indicador de tensión de salida garantizan la estabilidad y precisión de la tensión que se está aplicando al circuito en prueba.
El filtrado es lo suficientemente bueno para no introducir zumbidos en los aparatos en ajuste o en prueba si éstos son del tipo sensible de audio como transmisores y receptores.
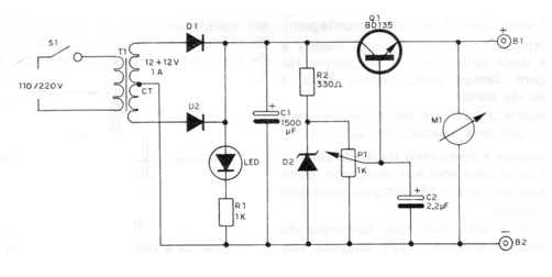
Tenemos entonces en la figura 2 el circuito completo de la fuente de alimentación.

Como se utilizan pocos componentes no necesitamos emplear placa de circuito impreso. Los pocos componentes pueden ser sostenidos por los propios terminales y soldados en un puente que será fijado en la caja.
Los componentes más grandes sólo como el transformador, el instrumento indicador y el potenciómetro de control de tensión se fijan en la caja.
En la figura 3 mostramos entonces la disposición de los componentes en la caja y en el puente de terminales.

Son los siguientes los principales cuidados que el lector deberá tener en este montaje:
Observe la polaridad de los diodos a la que es dada por el anillo en su cuerpo. En la soldadura de estos componentes evite el exceso de calor.
Observe la polaridad de los capacitores electrolíticos por la señal marcada en su cuerpo.
Observe la polaridad del diodo zener que es dada por el anillo en su cuerpo.
Evite el exceso de calor y no corte los terminales muy cortos.
Haga la soldadura de los terminales del transistor observando con cuidado su posición, pues si hay alguna inversión el aparato no funcionará.
Fije en el transistor con un tornillo con tuerca un radiador de calor que puede ser construido con un pedazo pequeño de aluminio doblado o incluso perfilado de aluminio, del modo que indica la figura 4.

Observe la polaridad de LED indicador de funcionamiento que se instalará en el panel de la fuente.
Para soldar los resistores vea bien sus valores dados por los anillos coloreados en su cuerpo. La lectura de los anillos se realiza desde la terminal hasta el centro.
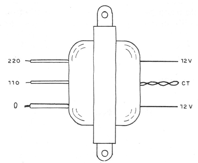
Para soldar el transformador vea bien la posición de sus hilos. En la figura 5 tenemos la identificación: los hilos de capa plástica de colores diferentes indican el devanado primario.

El cable negro es común a la alimentación utilizando el tío rojo si la red es de 220 V y el cable negro si la red es de 110 V. En el secundario podemos orientarnos por la posición de los hilos o los colores. Si los tres hilos son esmaltados el del medio será el correspondiente a la toma central (CT), y si son de capa plástica el de color diferente será el correspondiente al CT.
Los bornes de salida deben ser de diferentes colores para indicar la polaridad. el rojo será el del polo positivo y el negro el del polo negativo.
El instrumento usado es del tipo de hierro móvil (económico) de 0 - 12 o 0 - 15 V.
Este instrumento funciona tanto con CC como con CA de modo que no es necesario observar su polaridad en la conexión.
Para conectar el potenciómetro observe bien la posición de los hilos para que se obtenga un aumento de la tensión cuando lo gire a la derecha. Este potenciómetro incluye el interruptor que sirve para encender y apagar la fuente.
Completado el montaje, antes de instalar todo el conjunto en la caja, compruebe las conexiones y haga una prueba de funcionamiento.
Para la prueba, el lector puede orientarse totalmente por las indicaciones del voltímetro, o bien usar una lámpara o motor para 12 V de tensión de alimentación.
La prueba se realiza de la siguiente manera: conecte el aparato a la red y accione el potenciómetro que establece la alimentación del circuito. El led debe brillar inmediatamente.
Con el potenciómetro todo cerrado, la indicación del instrumento debe ser de 0 V.
A medida que vaya girando el potenciómetro hacia la derecha debe ir aumentando la tensión de salida, lo que será indicado por el instrumento.
Si hay una lámpara de 12 V (máximo 1 A) conectada a la salida del aparato, su brillo aumentará en la medida en que la tensión se eleve. Si hay un pequeño motor, partirá en cierto momento y aumentará gradualmente de velocidad.
Observamos que los instrumentos de hierro móvil, siendo del tipo económico no presentan una precisión excelente.
Así, si el lector posee un multímetro debe ser posible conferir las tensiones reales de salida con las tensiones indicadas por el instrumento e incluso, juzgando necesario hacer las correcciones en la escala.
Para corregir la escala, abra el instrumento con cuidado y pegue sobre la escala ya existente una nueva escala hecha de papel grueso con tinta negra.
Si el lector desea puede utilizar un instrumento más preciso, de bobina móvil, que tiene un coste mucho más elevado.
Q1 - BDI35, 137 o TIP29
T1 - Transformador con primario de 110 V o 220 V (según su red) y secundario de 12 - 0 - 12 V con 1 A de corriente
D1, D2 - IN4001 o IN4002 - diodos para 1 A
C1 - capacitor de 1 500 o 2 200 uF x 16 V - electrolítico
C2 - capacitor de 2,2 uF x 16 V
R1 -1 k x 1/2 W - resistencia (marrón, negro, rojo)
R2- 330 R x 1/4 W - resistor (naranja, naranja, marrón)
LED - diodo emisor de luz roja
Z1 - diodo zener de 12 V - 400 mW
M1 - Voltímetro de hierro móvil 0 - 12 o 0 - 15 V
P1 - potenciómetro de 1 k con llave (o usar llave separada)
B1, B2 - bornes rojo y negro, aislados.
Varios: cable de alimentación, cables, soldadura, puente de terminales, disipador de calor, etc.



