Es un montaje dedicado a los que hacen camping, scouts, exploradores, poseedores de barcos y otras personas que necesitan hacer comunicaciones o señalizaciones a corta y media distancia: un sistema que transforma pulsos de luz de una linterna en señales sonoras, facilitando así su interpretación a desde el Código Morse. El circuito es alimentado por pilas y tiene una sensibilidad incluso mayor que la del ojo humano, lo que lo hace interesante en muchas aplicaciones.
Un proceso bastante conocido de señalización es el utilizado por marineros a partir de un reflector, que tiene el haz de luz interrumpido por una especie de persiana accionada por una palanca.
Codificando las interrupciones para obtener pulsos cortos y largos de luz, podemos transmitir informaciones usando el Código Morse, que es el código telegráfico universal, como sugiere la figura 1.

Evidentemente, este sistema tiene alcance visual, ya que el receptor debe "ver", el transmisor para poder recibir sus señales.
El transmisor será una simple linterna de pilas, mientras que el receptor será un pequeño dispositivo que convierte la luz en el sonido, es decir, un receptor óptico.
Utilizando fuentes de mayor potencia como, por ejemplo, un faro de coche de una lámpara común de 100 W o 150 W en un reflector, la comunicación se puede hacer a distancia de kilómetros, ya que el sensor usado, un LDR, es incluso más sensible que el ojo humano.
Entre las aplicaciones interesantes que sugerimos tenemos:
Comunicación óptica en camping durante la noche
Comunicación entre barcos;
Comunicación entre granjas, siempre que exista un alcance visual.
CARACTERÍSTICAS
Transmisor:
• Potencia de 1 a 200 W (a elección del ensamblador)
• Tensión de alimentación: 1,5 a 110 V c.c. o c.a
Receptor:
• Tensión de alimentación: 3 V (dos pilas)
• Sensibilidad: dada por el LDR
• Alcance: visual (depende de la ubicación)
COMO FUNCIONA
El transmisor, como se explicó, se trata de cualquier fuente de luz, como por ejemplo una linterna, una lámpara común, un faro de automóvil o incluso un espejo, para comunicación diurna, aunque para esta modalidad de operación el alcance quede reducido, como sugiere la figura 2.

Todo lo que tenemos que hacer es interrumpir el haz de luz, ya sea por el control de la corriente de luz, ya sea por algún dispositivo mecánico colocado delante de él.
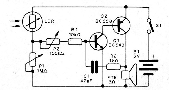
El receptor consiste en un oscilador de audio controlado por la luz.
Tenemos entonces dos transistores que forman una etapa de amplificación, con una retroalimentación dada por C1 y R2 y la polarización por R1, P2 y por un LDR.
Como la frecuencia depende de la polarización y de la retroalimentación, y en el conjunto de componentes usados ??para este propósito la única variable es el LDR, es fácil percibir que la frecuencia del oscilador depende de la resistencia presentada por el LDR.
En el circuito tenemos todavía un potenciómetro (P1) que permite ajustar el umbral de la oscilación.
De esta forma, cuando incide la luz en el LDR, y su resistencia disminuye, el circuito entra en operación.
El trimpot P2 sirve para ajustar la tonalidad del sonido en función de la intensidad de luz recibida.
La alimentación del circuito se puede hacer con una tensión de sólo 3 V, pero si el usuario desea un tono de audio más fuerte, e incluso un poco más de sensibilidad, puede alimentar el circuito con 6 V de 4 pilas pequeñas.
El altavoz es el transductor final que reproduce con buen volumen la señal captada.
Para mayor .sensibilidad del aparato, se pueden emplear recursos ópticos.
De hecho, la sensibilidad del componente depende de la cantidad de luz que incide sobre su superficie sensible.
Al montar el LDR en un tubo el ya obtenemos una buena directividad, como sugiere la figura 3, posibilitando así la eliminación de la interferencia de fuentes de luz que estén próximas a la que transmite la señal.
Figura 3 - Uso de una lente convergente para aumentar la directividad
La mayor directividad y mayor sensibilidad, sin embargo, pueden ser obtenidas con la utilización de una lente convergente, en el posicionamiento indicado por la figura 4.

Además de posibilitar la captación de la luz sólo según un haz bastante estrecho, esta lente concentra la luz sobre el LDR, obteniéndose así una ganancia real de la sensibilidad.
En este caso, sin embargo, será un poco más crítico enfocar el aparato, exigiéndose tal vez su montaje en un lugar firme como, por ejemplo, un trípode.
MONTAJE
En la figura 5 tenemos el diagrama completo de nuestro equipo receptor.

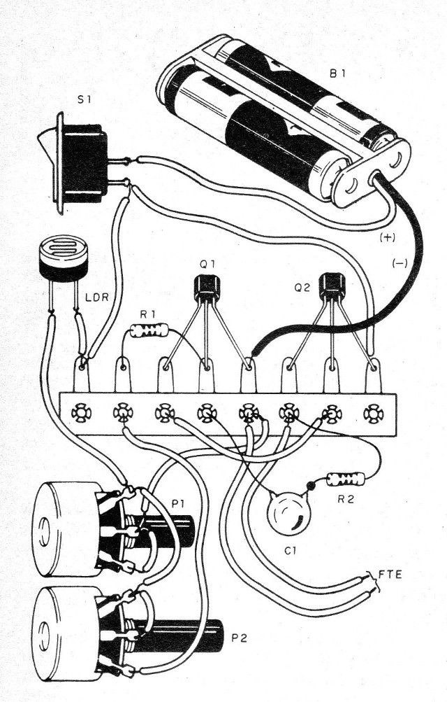
Como se trata de un proyecto muy simple, la versión indica a los iniciantes puede ser montada en un puente de terminales, como muestra la figura 6.

La montaje en una placa de circuito impreso se muestra en la figura 7.

Los transistores admiten equivalentes, y los resistores son de 1/8 o 1/4 W con 5 a 20% de tolerancia.
C1 es un capacitor de cerámica o de poliéster, y tanto P1 como P2 pueden ser trimpots o potenciómetros.
Por supuesto, los potenciómetros permiten un ajuste más fácil del punto de funcionamiento del aparato.
Para el LDR, cualquier tipo sirve.
Un LDR de gran superficie posibilita la obtención de gran sensibilidad.
Algunos LDR tienen un diámetro de 2,5 cm aproximadamente, y con ello pueden captar gran cantidad de luz.
El altavoz original tiene un diámetro de 5 cm y una impedancia de 8 ohms, pero otros tipos también se pueden utilizar, siempre que la caja usada tenga dimensiones que permitan su alojamiento.
Esta caja también debe revisar la colocación del soporte de pilas pequeñas.
En la figura 8 tenemos una sugerencia de montaje en una pequeña caja plástica, donde un cable para manejo facilita bastante la focalización del receptor.

Una posibilidad interesante para la comunicación más "secreta" es la que hace uso de un auricular magnético de baja impedancia en lugar del altavoz.
PRUEBA Y USO
Coloque las pilas en el soporte y apunte el aparato a un lugar oscuro o poco iluminado.
Ajuste entonces P1 y para que no haya emisión de sonido.
Luego vaya a la dirección del receptor y con una linterna emita algunos pulsos de luz.
El aparato debe responder con la emisión de sonido.
Reajuste la sensibilidad, en P1 y también la tonalidad del sonido emitido, en P2.
Para usar basta apuntar el tubo con el LDR para. la dirección de donde viene la señal de luz y ajustar tanto P1 como P2 para la mejor recepción.
La codificación de las señales es simple: un tono corto representa un punto y un tono largo representa un rastro.
Los puntos y trazos forman letras, números y símbolos, según el Código Morse que se da en ART243.
Si el lector no tiene experiencia de transmisión y recepción en este código telegráfico es necesario entrenar.
Para ello, combine con algún amigo interesado e inicialmente decore letras y números, haciendo su transmisión y recepción aislada, bien despacio.
Sólo después de saber bien el Código, reconociendo los símbolos transmitidos, es que se debe pasar a la transmisión de palabras y frases.
Con el tiempo, la velocidad de los mensajes puede ser aumentada, y la transmisión realizada de la misma forma que los telegrafistas profesionales que podemos captar en nuestra radio de ondas cortas.
Q1 - BC548 o equivalente - transistores NPN de uso general
Q2 - BC558 o equivalente - transistores PNP de uso general
LDR - LDR redondo común - ver texto
S1 - interruptor simple
B1, - 3 V - 2 pilas pequeñas
FTE - Altavoz de 8 S2 x 5 cm
P1 - 1 M ohms - pote o trimpot
P2. - 100 k ohms: - potenciómetro o trimpot
R1 - 10 k ohms - resistor (marrón, negro, naranja)
R2 - 1 k ohms -resistor (marrón, negro, rojo)
C1 - 47 nF (473 o 0.0047) capacitor de cerámica o poliéster
Varios: puente de terminales o placa de circuito impreso, soporte para dos pilas, caja para montaje, botones para los potenciómetros, lente y tubo para el LDR, hilos, soldadura, etc.



