La segunda versión de un parpadeo electrónico que suministra es más económica, ya que no utiliza relés y tiene menos componentes de menor costo. Esta versión hace uso de un SCR como componente básico y permite el control de hasta 440 W de potencia de lámparas en la red de 110 V y de hasta 880 W en la red de 220 V. (*)
La desventaja de este sistema es el tipo de control suministrado por el SCR que es de media onda, es decir, las lámparas usadas se encienden con la mitad del brillo máximo en las guías, pues el SCR, como ya vimos es un diodo y como tal deja pasar una sola parte de los semiciclos de la alimentación de corriente alterna de la red.
Pero si el sistema se utiliza en decoración y señalización como es realmente el propósito básico, este "defecto" puede ser fácilmente compensado por el uso de lámparas más grandes. En el lugar en que normalmente usaríamos una lámpara de 40 W utilizamos una de 75 y en lugar de una de 60 podríamos pensar en una de 100 W como buena aproximación para los efectos deseados.
Nota: las lámparas incandescentes superiores a 60 W ya no se fabrican.
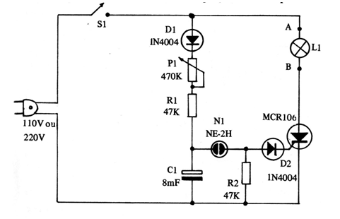
Veamos cómo funciona nuestro parpadeante, que tiene el circuito básico mostrado en la figura 1.

En la compuerta del SCR que funciona como un interruptor para la lámpara, conectamos un "oscilador con lámpara neon".
Esta lámpara es muy pequeña y está formada básicamente por un bulbo de vidrio en el interior del cual existe el gas noble neón (Ne). Este gas en la atmósfera de la lámpara presenta la propiedad de "disparar" y encender, sólo cuando la tensión en sus terminales llega a alrededor de 80 V.
Entonces conectamos un circuito formado por un potenciómetro, un diodo, un resistor y un capacitor, todos en serie.
Cuando se establece la alimentación de este circuito, la tensión en el capacitor sube lentamente, hasta que llega a los 80 V, que disparan la lámpara neón.
Cuando esto ocurre la lámpara funciona como un interruptor que provoca la inmediata descarga del capacitor, pero a través de la conducción del SCR disparándolo.
La lámpara parpadea, el capacitor se descarga, la lámpara de neón se apaga y se inicia un nuevo ciclo de funcionamiento.
Los intervalos entre los pulsos de descarga que determinan los intermitentes de la lámpara dependen del tiempo de carga del capacitor, el cual es dado por su valor y por el ajuste del potenciómetro. En este potenciómetro es que hacemos entonces el ajuste del parpadeante.
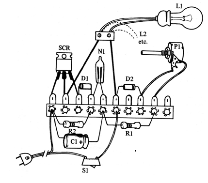
Para el montaje, el lector debe tener los mismos recursos descritos en el proyecto anterior. Usamos como chasis una pequeña barra de terminales, donde serán soldados los principales componentes.
Esta barra de terminales se fijará en una caja que puede tener el formato y las dimensiones dadas en la figura 2.

Algunos cuidados necesitan ser tomados con la adquisición de los diversos componentes, para garantizar el buen funcionamiento final del intermitente.
Muchos componentes solicitados admiten equivalentes, pero no siempre los resultados obtenidos pueden ser igual a los previstos en los originales, por lo que, aunque una tendencia de los empleados empuje "componentes determinados, como equivalentes a los originales, el lector debe oponerse a esto, de ver su proyecto ir "por el agua abajo".
El SCR, por ejemplo, es un componente algo crítico. Los tipos que recomendamos son originalmente el MCR106, C106 e IR106. Para el TIC106, se debe añadir un componente al circuito con el fin de polarizarlo, que es un resistor de aproximadamente 10 k entre el cátodo y la compuesta.
Si el lector no tiene práctica en montaje, sugerimos que evite comprar este componente como equivalente, dando preferencia al original.
La lámpara de neón es la NE-2H o cualquier equivalente. Para esta sí, siempre que tenga el aspecto mostrado en la figura en que damos el montaje en puente, prácticamente cualquiera sirve.
El capacitor electrolítico debe tener una tensión de trabajo a partir de 100 V ya que ésta es la tensión máxima que eventualmente podrá aparecer en este componente, si el disparo de la lámpara es "retardado", o bajo condiciones anormales de sus características.
El valor de este capacitor tampoco es muy importante, lo que significa que existe cierta tolerancia para este componente. Los capacitores entre 4 uF y 8 uF se pueden utilizar sin que se note mucha diferencia en el comportamiento del aparato, ya que las variaciones en las velocidades de los intermitentes se pueden compensar en el potenciómetro P1 de ajuste.
Los diodos D1 y D2 son del tipo 1N4004 si su red de alimentación es de 110 V, y 1N4007 si su red es de 220 V. Como equivalentes para el 1N4004 podemos dar el 1N4007 mismo y el BY126, BY127. Para el 1N4007 el equivalente recomendado es el BY127.
Ver que, podemos utilizar un diodo de mayor tensión en un circuito de menor, pero nunca al revés. Es por eso que el 1N4007 reemplaza el 1N4004, pero no al revés.
El material adicional para este montaje no presentará al lector mayores problemas de obtención. El cable de alimentación se puede comprar listo, y la barra de dos terminales con tornillos también. Si lo desea, puede sustituirlo por una toma común.
Debemos también hablar del potenciómetro que es común de 470 k o en su falta incluso uno de 1M puede ser usado.
Montaje
El circuito completo del intermitente se muestra en la figura 3, donde todas las piezas están representadas por símbolos, a los que los lectores deben acostumbrarse si desean realizar otros montajes, de mayor complejidad.

El aparato en su aspecto real se muestra en la figura 4 y el puente de terminales se fija posteriormente sobre una base de material aislante (madera, por ejemplo), e instalada en una caja.

El SCR deberá estar dotado de un radiador de calor si la potencia de la lámpara o del total de lámparas controlada es mayor que 40 W. Este radiador no es más que una chapa de metal doblada en forma de "U" y atornillada en el propio SCR para absorber su calor.
El material para este montaje es dado por la siguiente lista:
Material
SCR - MCR106 o IR106 a 20 V si su red es de 110 V o para 400 V si su red es de 220 V.
D1, D2 - 1N4004 si la red es de 110 V y 1N4007 si la red es de 220 V.
N1 - NE-2H - lámpara de neón
P1 - 470 k - potenciómetro simple
S1 - interruptor simple
C1 - 8 uF x 15oV o más - capacitor electrolítico
R1, R9 - 47k x 1/8 W - resistores (amarillo, violeta, naranja).
Varios: puente de terminales, caja para el montaje e instalación del aparato, botón plástico para el potenciómetro, cable de alimentación, terminales de tornillo para conexión de la lámpara o lámparas externas, etc.
Los cuidados que se deben tomar durante el montaje son los siguientes:
a) Abra ligeramente los terminales del SCR para proceder a su soldadura, siendo rápido en esta operación, para que el calor no se propague dañando la pieza.
Véase bien que la posición de este SCR es tal que la parte metálica de la envoltura que sirve para transmitir el calor al radiador debe quedar hacia abajo. Acompaña los dibujos.
b) Para soldar los diodos, doble y corte los terminales, para que queden en la posición mostrada en la figura en puente. Después de soltarlos, observando que sus anillos indicativos de polaridad deben quedar orientados hacia los lados indicados en el dibujo, pues si hay inversión el aparato no funcionará.
c) Para soldar la lámpara neón no será necesario observar su polaridad, pero es conveniente cortar sus terminales un poco para que pueda ser sostenida mejor en posición de funcionamiento.
d) El lector puede soldar ahora los resistores, que son iguales. Sólo doble y corte sus terminales, de modo que se ajusten en las posiciones que deben ser soldados, sin problemas.
e) El capacitor electrolítico C1 es el siguiente componente que debe soldarse. Este componente es sostenido por sus terminales, si es del tipo indicado. El lector podrá cortar estos terminales para mejorar su posición de sustentación, pues terminales muy largos no impiden que se balancee en la caja. Si se utiliza un capacitor con otros tipos de terminales, deben conectarse cables para conexión al puente y el componente deberá fijarse de otro modo en la caja. Importante, sin embargo, es seguir la polaridad de este componente, es decir, ver de qué lado queda el polo positivo y así montarlo.
Con estos componentes montados, fije el puente en la base de madera y esta en la caja que alojará el aparato. Pasemos a la segunda fase del montaje
f) Fije el potenciómetro en la caja, teniendo cuidado de cortar previamente su eje para recibir el botón plástico de control. Conecte este componente al puente de terminales utilizando dos trozos de hilo de longitud de acuerdo con sus posiciones relativas.
g) Fije la llave S1 y suelte tanto el cable del cable de alimentación, como los cables de conexión al puente. Deje un nudo en la entrada del cable a la caja para que un tirón accidental no cause daño al aparato.
h) Complete el montaje con la fijación y conexión de la barra de terminales donde se conectarán las lámparas externas.
Terminando el montaje, comprueba todo.
Probando el intermitente
Antes de instalar el aparato definitivamente en la caja, cerrándola, será conveniente hacer una prueba de funcionamiento. Esto es muy simple, ya que basta con disponer de una bombilla incandescente común de 5 a 100 W que se conectará a los terminales A y B del puente con tornillos.
Después, sólo conectar el cable de alimentación a la toma más cercana y ajustar el potenciómetro P1 para que los intermitentes se produzcan al ritmo deseado.
Como dijimos, por el hecho de que el circuito utiliza un SCR, los intermitentes no tendrán la máxima intensidad de luz que la lámpara puede dar, pero servirán perfectamente para decoración o señalización, eligiendo la lámpara de potencia más propia para cada caso.
Si los intermitentes no se producen en ninguna posición de ajuste del potenciómetro, es necesario comprobar el origen del problema.
La primera posibilidad puede ocurrir si la lámpara se enciende "directo", no parpadeando. Si el SCR utilizado es el TIC106, este problema puede corregirse mediante la conexión de una resistencia de 1 a 12 k entre el cátodo y el comportamiento del SCR, como muestra la futura 5.

Si el SCR utilizado es otro, e incluso con el TIC106, la colocación de la resistencia aún no resulta en funcionamiento normal, el problema puede estar en el componente. Desconecte por un instante el diodo D9 y si aún la lámpara continúa encendida es porque el SCR está mal.
Si el cambio del SCR por otro aún no resulta en funcionamiento, mire la lámpara de neón. Debe parpadear normalmente.
Si no parpadea el primer componente que debe ser cambiado es el capacitor C1 que puede estar defectuoso. Véase también si la conexión del diodo D1 es correcta.
Comprobado el funcionamiento, el lector puede pensar en su utilización.
Los usos, como vimos son diversos y prácticamente los mismos de la versión anterior. Seguiremos algunas sugerencias.
Usos para el intermitente intermitente
La primera posibilidad es la de la propia prueba con el parpadeante alimentando sólo una lámpara común o coloreada. Esta lámpara puede tener hasta más de 100 W, como hemos visto, siempre que el SCR sea montado en su radiador.
Para la conexión de un conjunto de lámparas en paralelo, la forma de hacerlo se muestra en la figura 6.

Como sugerencia para decoración de vitrinas damos la posibilidad de conectar 40 lámparas de 5 W formando un marco alrededor del producto a ser destacado. Los colores de estas lámparas quedan por cuenta del instalador.
En anuncios luminosos, se puede utilizar el mismo sistema, sólo recordando que en caso de quedar al aire libre «debe preverse la protección de las lámparas.
En señalización existe la posibilidad de obtener un sistema alternante con la conexión mostrada en la figura 7

En este sistema, cuando una lámpara enciende la otra reduce su brillo y viceversa, en un intercambio de posiciones, casi obteniendo el mismo efecto de la versión anterior del aparato.
Las lámparas deben mantener la relación de potencias mostrada en la figura para que el efecto sea obtenido, lo que significa que las lámparas deben ser diferentes.
Es claro que para decoración en mayor escala el lector puede montar diversos circuitos semejantes a éstos, que funcionarán en compases diferentes, y con ello se obtendrá un efecto más acentuado de luces y colores.



