Los largos intervalos de tiempo exigen la utilización de integrados especiales o una larga cadena de divisores lógicos, que encarecen el diseño de un temporizador o lo hace difícil de elaborar. La solución para la obtención de intervalos tan largos como un año está en un pequeño integrado de la Exar denominado XR 2242. Con un par de comparadores, conectados a un flpppp, que forman una base de tiempo y una secuencia de divisores, este integrado es la solución para el diseño de temporizadores de largo plazo.
Describimos en este artículo dos circuitos de aplicación para el temporizador Exar XR 2242 que puede proporcionar intervalos que varían de unos segundos hasta aproximadamente un año.
Si bien este integrado es de difícil obtención en nuestro país, nada impide pasar la información sobre su utilización y hasta un posible montaje.
Otro motivo para la publicación de este artículo también está en la necesidad de la actualización con respecto a la electrónica en todo el mundo, a pesar de las limitaciones prácticas que se nos impone, no siempre con nuestro consentimiento.
Los temporizadores de largos intervalos se pueden utilizar con los más diversos propósitos, teniendo en cuenta la popularidad del conocido 555.
En este caso, sin embargo, tenemos un integrado que, además del circuito básico de temporización, incluye toda una lógica de control y una serie de divisores especiales.
La asociación de dos de estos integrados posibilita la obtención de temporizaciones tan largas como un año.
El XR 2242
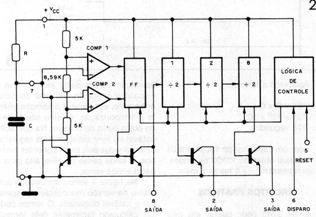
En el circuito integrado XR 2242 de la Exar, encontramos un temporizador de largo intervalo y un oscilador de frecuencia muy baja.
En la figura 1 tenemos la pinza de este integrado, suministrado en envoltorio DIL de 8 pines.

En la figura 2 tenemos un diagrama interno simplificado, a través del cual podemos ver que se trata de una estructura bien elaborada para la finalidad propuesta.

Dos comparadores y un flip-flop forman un oscilador de frecuencia muy bajo, que es controlado externamente por un resistor y un capacitor (RC).
Estos componentes determinan la temporización, actuando directamente sobre la frecuencia del oscilador.
La salida del flip-flop se aplica a los divisores sucesivos que permiten la obtención de una frecuencia dividida por 128.
Un sistema de control lógico permite la salida de la temporización y su reajuste en cualquier momento.
El resultado de esta estructura es un temporizador, en el que la constante de tiempo queda prácticamente multiplicada por 128.
Con pequeños valores de C podemos obtener largos temporizadores.
Evidentemente, esto es una ventaja en cualquier proyecto, ya que la principal limitación que encontramos en este tipo de circuito es la eventual existencia de fugas en los capacitores de valores elevados.
Así, el intervalo de tiempo obtenido puede calcularse fácilmente en función de R y de C, a partir de la siguiente fórmula:
T = 128 X R X C
Donde:
T es el tiempo obtenido en segundos
R es la resistencia asociada en ohms
C es el capacitor de tiempo en F
En la figura 3 tenemos las formas de onda obtenidas en los diferentes pines, observándose que la salida del pino 3 ocurre cuando se completan 128 ciclos del pino 8.

Por supuesto, el circuito también se puede utilizar en pequeñas temporizaciones con el aprovechamiento de la salida del pino 8, incluso, esta salida puede incluso ser usada para actuar sobre un contador de monitorización de la temporización.
Un LED parpadeante se puede activar desde un controlador conectado a esta salida.
Para un capacitor de 1uF y un resistor de 1M, podemos calcular el tiempo obtenido.
Tenemos entonces:
T = 7
R = 106 ohms
C = 1-6
F
Aplicando la fórmula:
128 x R x C
128 x106 x10-6
128 segundos
Con un capacitor de 100 uF es fácil concluir que obtenemos 12800 segundos o aproximadamente 3 horas y media.
CIRCUITOS PRÁCTICOS
El XR 2242 puede operar en tres modalidades: monoestable, astable y asustado disparado.
En la operación monoestable, el circuito sólo entra en funcionamiento a partir de un pulso externo.
Con el pulso comienza la temporización y, después de transcurrido el intervalo previsto, la salida pasa del nivel lógico 0 al nivel lógico 1 (pin 3).
En la operación asimétrica disparada, la aplicación de un pulso externo lleva el circuito a la operación.
Al final del ciclo, sin embargo, se reinicia automáticamente la temporización, aunque no haya otro reloj.
En la operación asequible o libre a intervalos regulares determinados por los componentes externos, la salida pasa del nivel alto al bajo y viceversa.
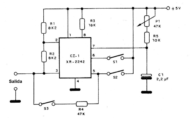
En la figura 4 tenemos un circuito de aplicación en la versión monoestable (disparado) y disparable disparado.

El tiempo puede ser calculado fácilmente por la fórmula ya vista en función de los componentes usados.
Los cambios se pueden realizar sin problemas.
A través del potenciómetro, hacemos el ajuste de tiempo en una buena franja de vaivenes, en el caso con un máximo en el tono de 10 segundos.
Para 22 uF ya tendremos 100 segundos y para 220 uF tendremos 1000 segundos, o aproximadamente 16 minutos.
A partir de los 470 uF es conveniente aumentar el valor del resistor, que no debe sobrepasar 1M.
La excitación de una carga externa puede ser hecha de diversas maneras, como muestra la figura 5.

Tenemos, entonces, desde la simple excitación de un LED de advertencia hasta la activación de un relé o incluso un SCR.
Para la alimentación del relé se puede utilizar una segunda fuente con tensión de 6 a 12 V.
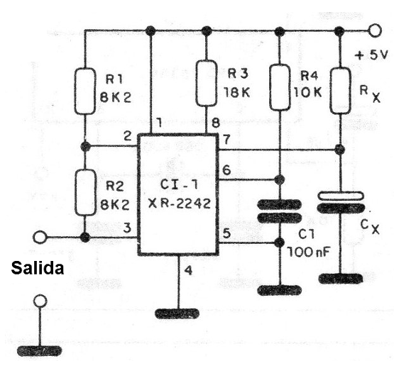
Finalmente, en la figura 6, tenemos un circuito de operación libre, es decir, un astável de largo período.

El tiempo obtenido también puede ser calculado de la misma forma que en el caso anterior y es del orden de 10 segundos.
Para obtener intervalos mucho más largos, se debe realizar la conexión de dos integrados en cascada.
En el caso, dejamos la red de tiempo del segundo integrado apagada (pines 1 y 7) y aplicamos en el pin 8 la salida del primero.
La división de la frecuencia generada por el reloj del primero quedará dividida por 128 x 128 = 16384.
Esto nos lleva a una configuración cuyo período de tiempo pasa a ser dado por la fórmula:
T = 16384 X R X C
Para un capacitor de 100 uF y un resistor de 1M obtenemos, entonces:
T = 16384 x 106 x100 x10-6
T = 1638400 segundos
Convertir en minutos:
t = 27 306,6 minutos
Convertir a horas:
t = 455 horas
Convirtiendo para días:
t = 18,96 días
La conexión de 3 unidades permite una temporización dada por la fórmula:
T = 2097152 x R x C
Vea cuánto podemos obtener de temporización con los mismos componentes del ejemplo anterior.
ḂEl resultado será 2426 días!
Circuito de la figura 4
Cl-1 - XR 2242 - circuito integrado Exar - temporizador
P1 - 47 k - trimpot o pote
C1 - 2,2 uF - capacitor - ver texto
S1, S2, S3 - Interruptores simples
R1, R2 - 8k2 x 1/8 W - resistores
R3 - 18 k x 1/8 W - resistor
R4 - 47 k x 1/8 W - resistor
Circuito de la figura 6
Cl-1- XR 2242 - temporizador Exar
C1 - 100 nF - capacitor de cerámica
Cx - ver texto - según el tiempo
Rx - ver texto - según el tiempo
R1, R2 - 8k2 x 1/8 W - resistores
R3 - 18 k x 1/8 W - resistor
R4 - 10 k x l / 8 W - resistor
Varios: placa de circuito impreso, caja para montaje, hilos, fuente de alimentación, etc.



