Los circuitos que operan con señales de audio en tiempo real, como las cámaras de eco, ecualizadores gráficos, circuitos de efectos de sonido, requieren recursos más completos que los microcontroladores. Los DSP (Digital Signal Processors) son ideales para estas aplicaciones pero no son tan fáciles de usar. En este artículo describimos una aplicación que combina la velocidad de respuesta del DSP con la eficiencia del PIC, reunidas del dsPIC de Microchip. Toda la documentación para el artículo, incluidos los diagramas y los listados de programación, fueron cedidos por Microchip (www.microchip.com). (2005)
En un artículo reciente de esta revista, describimos un control de motores usando un dsPIC de Microchip, una nueva solución para las aplicaciones que necesitan asociar el desempeño de un DSP en el procesamiento de señales en tiempo real, con la capacidad de procesamiento de los PIC.
Un dsPIC es más que un DSC (Digital Signal Controller) de Microchip, siendo el dispositivo ideal para aplicaciones que involucran aplicaciones en el procesamiento de señales en tiempo real.
Se trata de un dispositivo que se puede emplear fácilmente en aplicaciones que implican señales analógicas procesadas en tiempo real como las de control de motores AC, aplicaciones de audio, etc.
Un proyecto especialmente atractivo para los lectores que desean desarrollar aplicaciones de audio que utilizan microprocesadores y DSP combinados es el ecualizador gráfico que describimos en este artículo.
El proyecto
El proyecto consiste en un ecualizador gráfico que contiene 5 filtros ecualizadores en cascada para cada canal (izquierdo y derecho)
Cada filtro proporciona una ecualización paramétrica de una banda de frecuencias, que es Bass (graves), Treble (agudos), Mid1, Mid2 y Mid3 (medios).
La tasa de muestreo es de 48 kHz, similar a la usada en CDs, lo que permite decir que la calidad de audio es la misma.
En la operación el dsPIC muestra las señales en tiempo real, tomando un par de muestreo (una para cada canal) cada 20,8 us.
Los filtros usados ??necesitan un máximo de 40 instrucciones para procesar las muestras muestreadas, con el procesador que opera a una velocidad de 29,5 MIPS (Tcy = 33,9 ns).
Esto significa que el procesamiento de las muestras muestreadas por los 5 canales tarda izquierdos y derechos, o 10 filtros, tiene un tiempo de ejecución de aproximadamente 13,56 us.
El procesamiento se hace teniendo en cuenta sólo el 65% de la capacidad del procesador y el uso de RAM es mínimo, exigiendo menos de 100 bytes.
La memoria FLASH de programa utilizada para códigos y coeficientes es de aproximadamente 28 kB en estas aplicaciones, y los ajustes del ecualizador se almacenan en la EEPROM de datos.
El dispositivo utilizado es el 30F4013 que se suministra en envoltorio PDIP de 40 pines o TQFP y QFN de 44 pines.
El algoritmo de filtrado, generación de coeficientes y filtrado se puede descargar en el sitio web de Microchip.
Características del ecualizador
Como todo equipo de audio las características más importantes son las que involucra la respuesta de frecuencia y la fidelidad. A continuación damos las características de respuesta de frecuencia de los filtros de ecualización.
a) Filtro de Graves
El filtro utiliza filtro Shelvin con implementación de primer orden para pasar de todas las frecuencias.
La frecuencia de corte inferior aumenta en pasos de 1/12 por octava partiendo de una frecuencia de 20 Hz y limitada a 320 Hz. La frecuencia ajustada por Default es 80 Hz.
Las ganancias varían de -15 a +12 dB incrementadas en pasos de 1/8 dB.
b) Filtro de Agudos
También se utiliza un filtro Shelving con implementación de todas las ordenes de primer orden. La frecuencia de corte inferior es de 5 120 Hz y la implementación es de 1/24 por octava, con límite superior en 19,5 kHz.
La ganancia va de -15 a +12 dB en pasos de 1/8 dB.
c) Filtros de Medios
Se utilizan 3 filtros implementados. Las frecuencias de estos filtros van de 250 Hz, 5 kHz aumentando en pasos de 1/24 por octava. La banda pasante varía de 1/12 de octava a 2 octavas.
Las ganancias varían entre -12 dB y +9 dB
Montaje
Son datos 7 circuitos, partiendo de la figura 1 en que mostramos los pines de los dsPIC usados, uno para cada canal.
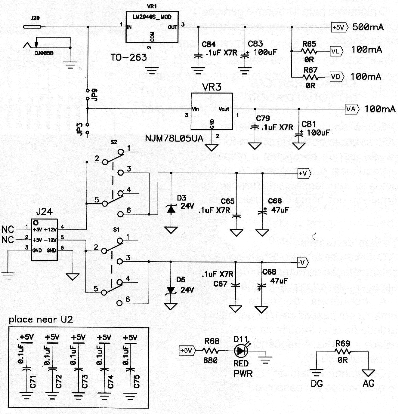
En la figura 2 tenemos la fuente de alimentación utilizada para el circuito, observándose el uso de dos reguladores de tensión. Observe la necesidad de utilizar condensadores de desacoplamiento cerca de los CIs alimentados, conectados cerca de los pines de alimentación.
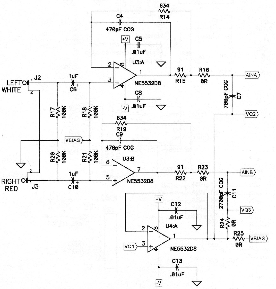
Los circuitos de salida de audio de los canales derecho e izquierdo se dan en las figuras 3 y 4.
Una vez más observamos la necesidad de montar los capacitores de desacoplamiento de los amplificadores operativos cerca de los pines de alimentación (8 y 4).
También observamos que se utilizan resistores de baja tolerancia (1%) de ahí que los valores indicados en el esquema parecieran un poco extraños para muchos lectores. El uso de estos resistores es importante principalmente para mantener la simetría de las señales.
Observe también que junto a los capacitores se indica también su tipo.
Para los transistores usados ??en este paso es posible utilizar equivalentes.
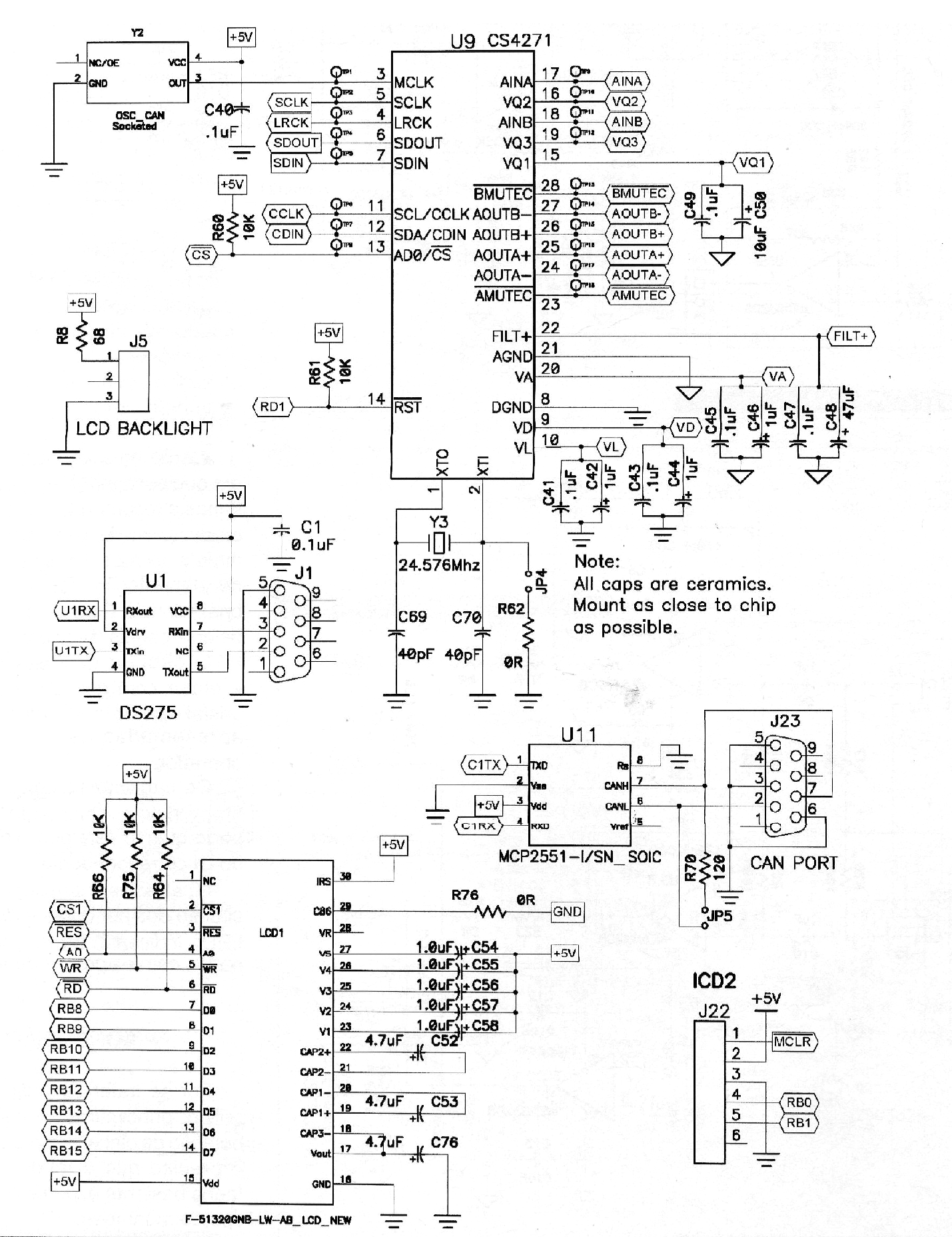
En la figura 5 tenemos otra etapa del circuito que, por procesar señales analógicas también hace uso de amplificadores operacionales.
Observe los puntos de dsPIC en los que se conecta este paso. También tenemos la recomendación de montar los condensadores de desacoplamiento lo más cerca posible de los pines de alimentación de los amplificadores operacionales. Este paso es único para los dos canales del ecualizador.
El circuito de la figura 6 muestra y paso con dsPIC y el display de cristal líquido donde las funciones se presentan de forma directa al operador.
Los capacitores cerámicos de esta etapa deben ser montados lo más cerca como sea posible de los pines del CI correspondiente.
Finalmente, en la figura 7 tenemos el circuito de los controles y displays con LEDs indicando las funciones seleccionadas con los puntos de conexión.
Conclusión
Por tratarse de un proyecto bastante crítico principalmente en cuanto a la elaboración de la placa de circuito impreso es necesario que el lector interesado tenga bastante experiencia con ese tipo de montaje.
Además del elevado número de componentes y proximidad de los terminales de los componentes, principalmente circuitos integrados, también hay que tener especial cuidado con el diseño de los cables y pistas de señales de audio, para que no ocurran realimentaciones capaces de causar ronquidos o inestabilidades.
También es importante observar que se trata de una muestra de proyecto y que el lector puede hacer implementaciones importantes en su proyecto como el aumento del número de canales de ecualización, operación con más de dos entradas, para el caso de una mesa de sonido, y Mucho más.
Observamos finalmente que los diagramas se mantuvieron en los formatos originales suministrados por la propia Microchip para la elaboración de este artículo.










