Este artículo es una continuación de otro en que describimos el montaje de un canal de un amplificador para auriculares con circuito de ecualización o realce. Otros amplificadores integrados en el sitio en versiones más modernas pueden ser utilizados.
La escucha en audífonos no exige potencias elevadas por lo que el amplificador que se destina a esta finalidad debe tener como principal requisito la calidad de reproducción y no la potencia.
Así, como primer aparato, o como aparato auxiliar sugerimos a los lectores que desean escuchar en auriculares el montaje de este excelente amplificador con un circuito auxiliar de ecualización RIAA.
Si conecta la salida de su sintonizador FM, la cubierta o la radio, tendrá una escucha excelente en el auricular, y si se utiliza el tocadiscos, la conexión será en la entrada del ecualizador que admite las cápsulas magnéticas de baja impedancia.
Para una versión estereofónica usted deberá montar dos amplificadores como éste, uno para cada canal, siendo ambos alimentados por la misma fuente de 15 V.
MONTAJE
En la figura 1 tenemos el circuito básico del amplificador con la parte correspondiente a un canal de escucha. Para una versión estéreo, los componentes deben doblarse.

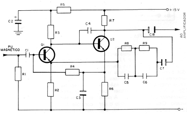
En la figura 2 tenemos el diagrama del ecualizador RIAA para conexión directa de un pick-up con fonocaptor magnético en el amplificador, en cuyo caso para la versión estereofónica deben realizarse dos unidades iguales.

Analizamos los principales puntos de montaje:
El montaje debe realizarse en una placa de circuito impreso, dada la disposición de los componentes en esta placa en la figura 3.

Si el lector desea puede asociar en la misma placa el ecualizador cuya placa separada se muestra en la figura 4.

Comience el montaje con la elección de los transistores observando que los transistores de salida son complementarios. Los tipos originalmente recomendados son los BD135 y BD136, pero cualquier par complementario equivalente a 1 A puede ser usado. Citamos como ejemplo el par TIP29 y TIP30, BD137 y BD138, etc.
Observe bien la posición de los transistores al realizar su soldadura, pues si hubo inversión el amplificador no funcionará. Los transistores de salida deberán estar dotados de un pequeño radiador de calor.
b) Los demás transistores no ofrecen dificultades, ni de obtención ni para instalación. Observe sólo su polaridad en la instalación.
c) Los diodos D1 y D2 son diodos para uso general como el 1N914. Observe su polaridad a la hora de la conexión.
d) Los capacitores electrolíticos son todos para 16 V o más, debiendo ser observada su polaridad a la hora de la conexión. Los capacitores electrolíticos son C2, C3, C7, C8 y C11.
e) Los demás capacitores pueden ser de poliéster metalizado o cerámicos, por lo que no hay polaridad para su conexión. En la adquisición de estos componentes observe su tamaño ya que la perforación de la placa está prevista para los tipos menores.
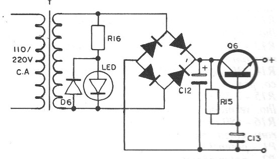
f) Los resistores son todos de 1/4 W con la excepción de R16 que debe ser de 1/2 o 1 W. Esta resistencia se utiliza en la fuente de alimentación (figura 5) para excitar el indicador LED fijado en el panel.

g) El amplificador utiliza dos potenciómetros. Un simple que es P2 sirviendo para el control de balance del amplificador. El otro doble que es P1 sirve para el volumen. Aquí el lector tiene también la opción de usar dos potenciómetros separados para P1, pudiendo, por lo tanto, controlar el volumen de los canales por separado.
h) Para la fuente de alimentación se debe utilizar un transformador de primario de acuerdo con su red de corriente alterna, y un secundario de 12 voltios x 0,5 A. La fuente incluso con dos amplificadores no necesita tener su corriente aumentada.
i) El transistor de la fuente debe montarse en un radiador de calor y puede usarse un BD135 o TlP29.
El puente rectificador puede ser del tipo completo o formado por 4 diodos del tipo 1N4002 o 1N4004, o aún BY127.
k) El diodo conectado en paralelo con el LED puede ser de cualquier tipo para uso general, ya que su función es sólo impedir la polarización inversa del LED que podría causar su quema. Como sugerencia para este diodo damos el 1N914.
I) No aparece en el diagrama pero el lector puede añadir de la manera que bien entiende, hablamos del interruptor general que puede ser conjugado al potenciómetro del control de volumen o bien ser una llave separada.
Uso
Con el amplificador montado el lector podrá usarlo teniendo como fuente de señales un tocadiscos con fonocaptores magnéticos en caso de que usará la entrada RIAA; un tocadiscos con fonocaptor de cristal en caso de que utilice la entrada auxiliar, o un sintonizador de FM, en cuyo caso se utilizará la entrada auxiliar.
Q1. Q2. BC548 o equivalente
Q3, Q5 - BDI36 o equivalente (ver texto)
Q4. Q6 - BD135 - o equivalente (véase el texto)
R1 - 47k x 1/4 W - resistor (amarillo, violeta, naranja)
R2 - 470 ohms x ¼ W - resistor (amarillo, violeta, marrón)
R3 - 5.6k x ¼ W-resistor (verde, azul, rojo)
R7 - 68k x 1/4 W - resistor - (azul, gris, naranja)
R5 - 47k x ¼ W - resistor (amarillo, violeta, naranja)
R6 - 1,5k x 1/4 W - resistor (marrón, verde, rojo)
R7 - 10 k x 1/4 W - resistor (marrón, negro, naranja)
R8 - 1 M x ¼ W- resistor (marrón, negro, vede)
R9 - 22 k x 1/4 W - resistor (rojo, rojo, naranja)
R10 - 270 k x 1/4 W - resistor (rojo, violeta, amarillo)
R11 - 22k x 1/4 W - resistor (rojo, rojo, naranja)
R12 - 2,2 k x 1/4 W - resistor (rojo, rojo, rojo)
R13 - 100 x 1/4 W - resistor (marrón, negro, marrón)
R14 - 39 ohms x 1/4 W - resistor (naranja, blanco, negro)
R15 - 2,2k x ¼ W - resistor (rojo, rojo, rojo)
R16 - 180 ohms x ½ W o 1 W - resistor (marrón, gris marrón)
P1 - potenciómetro doble registro de 10 k
P2 - potenciómetro simple lin de 10 k
C1 - 0.1 uF - cerámica o poliéster
C2 - 50 uF x 16 V - electrolítico
C 3 - 10, uF x 16 V - electrolítico
C4 - 22 pF - cerámico
C5 - 16 nF - poliéster
C6 - 3,3 nF - poliéster
C7 - 10 uF x 16 V - electrolítico
C8 - 10 uF x 16 V - electrolítico
C9 - 22 nF - poliéster
C10 - 220 pF - cerámico
C11 - 47 uF x 16 V - electrolítico
C12 - 1 000, uF x 16 V - electrolítico
C13 - 470, uF x 16 V - electrolítico
D1, D2, D3 - 1N914 o equivalente
Varios: 4 diodos 1N4001, transformador de alimentación. LED, hilos, placa de circuito impreso, jack de entrada y salida, etc.



