Es un aparato que no puede faltar al detective o espía moderno que trata con documentos y dinero: un detector de documentos y dinero falsos por medio y radiación ultravioleta.
En este artículo de la década de los 80 formó parte de uno de mis libros de espionaje y se actualizó a una edición actual.
El principio de funcionamiento es simple: iluminando el documento o el dinero con luz ultravioleta y posible resaltar detalles y la propia línea de agua que son invisibles con iluminación normal.
El aparato también ayuda a detectar huellas digitales de personas que toquen objetos marcados, en casos de secuestros por ejemplo.
Basta "ensuciar" el dinero de un secuestro con sales de estroncio, que entonces marcan los dedos de las personas que lo manosean iluminando los dedos de las personas detenidas con radiación ultravioleta del aparato descrito, los dedos se vuelven fluorescentes, como prueba innegable del crimen.
El aparato que describimos trabaja con radiación de baja intensidad, del tipo "luz negra" usada en fiestas y bailes y que es totalmente inofensiva.
El circuito consta de un variador de pilas que alimenta una lámpara de 2 a 7 vatios, según la disponibilidad del ensamblador.
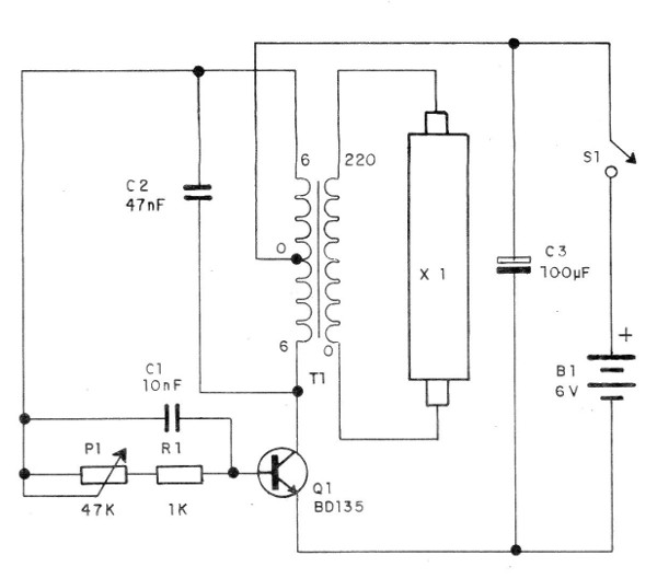
En la figura 1 tenemos el diagrama completo del inversor para lámpara ultravioleta.

El transformador tiene devanado de 110/220 V o sólo 220 V, pues la toma de 110 V permanece apagada, y secundaria de 6+ 6 V con corriente entre 250 y 500 mA.
El transistor debe montarse en un radiador de calor y el trimpot debe ajustarse para obtener mayor rendimiento o intensidad de radiación con la lámpara utilizada.
Para probar el aparato ilumine en la oscuridad una hoja de papel común y algunos objetos de plástico del tipo botón, que deben aparecer "fluorescentes".
Pruebe con diversos objetos. Para usar basta aproximar el objeto que se desea examinar bajo luz ultravioleta y conectar la unidad.
SEMICONDUCTORES
Q1 - BD135 - transistores NPN de potencia
RESISTORES
P1 - 47 k - trimpot
R1 - 1k - resistor (marrón, negro, rojo)
CAPACITORES
C1 - 10 nF - condensador de cerámica o poliéster
C2 - 47 nF - condensador de cerámica o poliéster
CS - 100 uF x 12 V - condensador electrolítico
VARIOS
X1 - lámpara ultravioleta (luz negra) de 2 a 7 vatios (atención: no sirven las lámparas de borradores de memorias que son de alta intensidad - las lámparas usadas en este aparato son oscuras).
B1 - 4 pilas medianas o grandes
S1 - Interruptor simple
T1 - transformador - ver texto
Caja para montaje, conectores para la lámpara, hilos, soldadura, soporte de pilas, etc.



