Los circuitos controlados por la luz pueden ser usados en una infinidad de aplicaciones prácticas, principalmente involucrando robótica y mecatrónica. Los LDRs usados como sensores en 10 proyectos que mostramos en este artículo son baratos y fáciles de obtener, lo que facilita bastante a los lectores que desean montar, experimentar circuitos de robots o automatismos o simplemente conocer aplicaciones fotolétricas.
Uno de los dispositivos más sensibles con los que podemos contar para aplicaciones en circuitos fotoeléctricos es el LDR (Light Dependent Resistor) o foto-resistor.
Los foto-resistores son dispositivos que poseen una superficie sensible con electrodos de oro y entre ellos una sustancia denominada sulfuro de cadmio (CdS) que conduce la corriente eléctrica en un grado que depende de su iluminación.
En la figura 1 tenemos el aspecto de una foto-resistor o LDR común.
En la oscuridad, el LDR presenta una resistencia muy alta que puede llegar a millones de ohms.
Sin embargo, al ser iluminado, se liberan portadores de carga y la resistencia del componente se reduce drásticamente llegando a algunas decenas o cientos de ohms en la luz del sol directa.
El LDR es un dispositivo algo lento, para los estándares electrónicos, lo que quiere decir que no sirve para recibir señales moduladas como mandos a distancia, enlaces y otros dispositivos en los que se desea hacer la transmisión de datos.
Sin embargo, su sensibilidad es muy grande, más grande que la de nuestro propio ojo, lo que permite que sea usado en llaves electrónicas controladas por la luz, alarmas, osciladores controlados por luz y sombra, etc.
Los circuitos que damos a continuación son sólo una pequeña muestra de lo que es posible hacer con LDR y estos circuitos pueden ser fácilmente modificados para operaciones en modos diferentes por el simple cambio de componentes o aumentos de etapas.
Muchos de los circuitos son excelentes para ser implementados en proyectos de robótica y mecatrónica y aún para la presentación como trabajos escolares, en ferias de ciencias o aún en demostraciones.
Proyecto 1
FOTÓMETRO 1
Este circuito se puede utilizar para medir la intensidad de la fuente de luz, el grado de iluminación de los ambientes o incluso para la comparación de tonalidad de paneles, paredes, hojas u objetos.
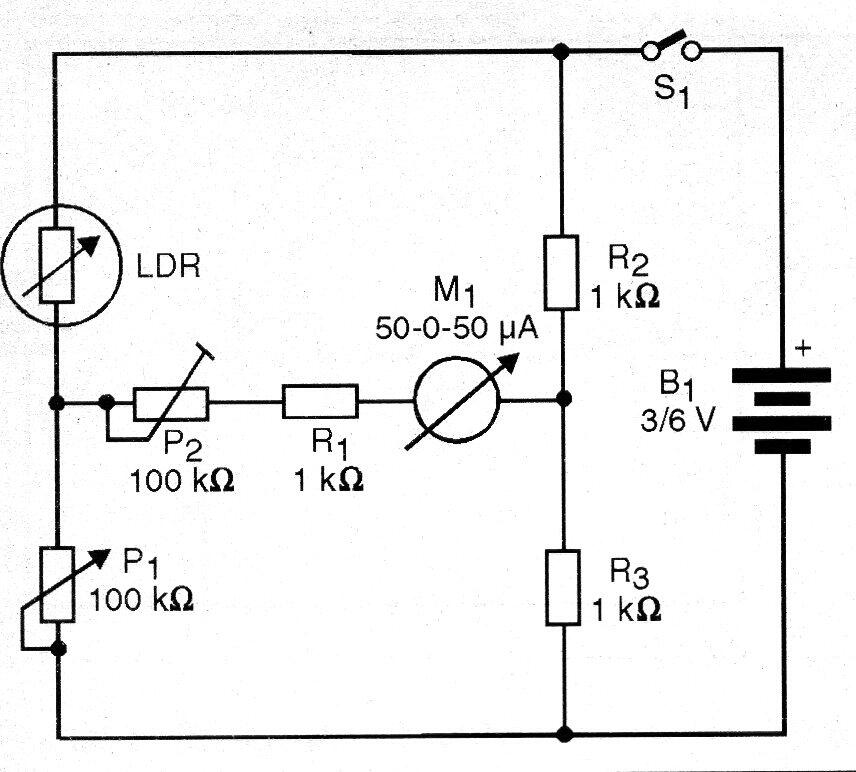
Se trata básicamente de un puente de Wheatstone en el que una de las ramas está representada por un foto-sensor, es decir, el LDR.
Cuando P1 equilibra el puente, lo que depende de la luz que incide en el LDR, el instrumento M1 acusa.
Si P1 es calibrado en función de diversas intensidades luminosas, podemos leer en su escala la iluminación sobre el sensor.
En la figura 2 tenemos el diagrama completo de este simple fotómetro.
Los pocos componentes usados no requieren el empleo de una placa de circuito impreso además de que el circuito no es crítico.
Así, un puente de terminales con tornillos puede ser usado con la disposición mostrada en la figura 3.
El instrumento M1 es un microamperímetro con cero en el centro de la escala, pero en su defecto se puede utilizar la escala más baja de las cadenas de cualuer multímetro.
Los resistores son de 1 / 8W con un 5% o más de tolerancia y para la alimentación podemos usar dos o cuatro pilas pequeñas.
El LDR puede ser de cualquier tipo o tamaño. Su montaje en un tubo opaco dotará un sistema de cierta dirección.
Para calibrar, ilumine el LDR y ajuste P1 de modo que el instrumento tiende a marcar máximo (en un sentido u otro). Ajuste P2 para que la aguja no sobrepase el final de la escala.
Para usar, basta con apuntar el LDR a la fuente de luz y ajustar P1 para obtener el marcado cero. Con la ayuda de una fuente de luz de intensidad conocida o de un fotómetro es posible formar una escala para el aparato.
Resistores:
LDR - Foto-resistor común de 1 o 2,5 cm.
R1, R2, R3 - 1 k ohms - marrón, negro, rojo
P1 - 100 k ohms - potenciómetro lineal
P2 - 100 k ohms - trim pot
Varios:
S1 - Interruptor simple
M1 - 50-0-50 uA - microamperímetro con cero en el centro de la escala
B1 - 3 o 6V - 2 o 4 pilas pequeñas
Puente de terminales, soporte de pilas, caja para montaje, hilos, soldadura, etc.
Proyecto 2
FOTÓMETRO 2
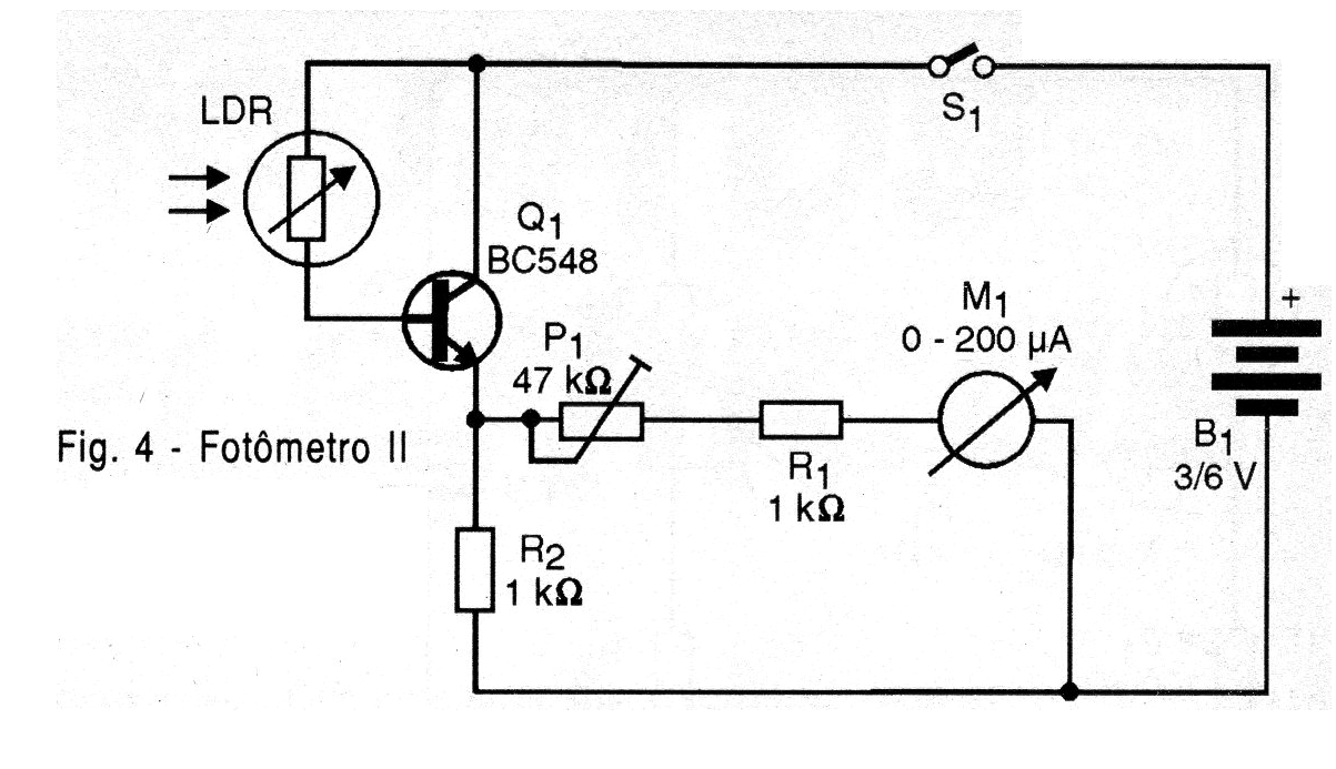
Este circuito es tan sensible como el anterior y utiliza un microamperímetro común. Podemos calibrar la escala del instrumento, en lugar del potenciómetro, obteniendo así una lectura directa.
En la figura 4 tenemos el diagrama completo del fotómetro 2.
Como se trata de montaje bastante simple, optamos por el uso de una placa de circuito impreso, con la configuración mostrada en la figura 5. Sin embargo, el lector también puede hacer el montaje en una matriz de contactos.
El transistor admite diversos equivalentes (cualquier NPN de uso general) y tanto los resistores como el LDR tienen especificaciones como las del proyecto anterior.
El instrumento, en este caso, es un microamperímetro no crítico de 100 a 500 uA de fondo de escala. También podemos utilizar la escala más baja de corrientes de un multímetro común.
El único ajuste consiste en iluminar totalmente el LDR y actuar sobre P1 para que la aguja del instrumento no sobrepase el fondo de escala.
Para utilizar el aparato es sólo apuntar el LDR a cualquier fuente de luz u objeto que deseamos saber el grado de iluminación.
Semiconductores:
Q1 - BC548 o equivalente - transistores NPN de uso general
Resistores: (1 / 8W, 5%)
LDR - foto-resistor de cualquier tipo
R1, R2 - 1k ohms - marrón, negro, rojo
P1 - 47k ohms - trimpot
Varios:
M1 - 0-200 uA - microamperímetro común
S1 - Interruptor simple
B1 - 3 o 6V - 2 o 4 pilas pequeñas
Puente de terminales, soporte de pilas, caja para montaje, hilos, soldadura, etc.








