Un recurso bastante utilizado para multiplicar la potencia de amplificadores es en puente o BTL (Bridge Tied Load). En los automóviles, la mayoría de los sistemas de sonido emplean el sistema denominado "Trimode" en el que dos amplificadores pueden ser conmutados para operar en la versión mono o estéreo. Ver en este artículo cómo funciona y cuáles son sus ventajas y desventajas
La conexión en puente no presenta mayores misterios. Como muestra la figura 1, dos amplificadores se conectan a una misma carga de modo que cada uno amplifique las señales pero con fases opuestas.

De esta forma, la tensión instantánea aplicada a la carga dobla y cómo la potencia es proporcional al cuadrado de la tensión, la potencia cuadruplica.
Así, dos amplificadores de 10 W rms conectados en puente no suministran sólo 20 W a una carga, sino 40 W.
Se trata de una técnica excelente cuando la potencia máxima de un sistema está limitada por la tensión de alimentación y por la impedancia mínima que puede tener una carga, lo que ocurre en los sistemas de sonido automotriz.
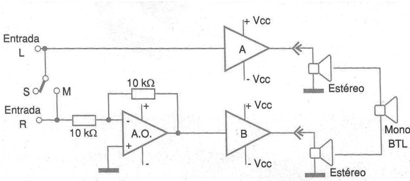
Así, la técnica de conectar amplificadores en puente es bastante usada en los sistemas de sonido automotriz que presenta la configuración básica mostrada en la figura 2.
En la operación normal estéreo, cada amplificador se conecta a las fuentes separadas de señales, excitando los altavoces de cada canal.
En la operación mono, entra en acción un amplificador operacional que actúa como inversor, invirtiendo así la fase de la señal a ser amplificada por uno de los amplificadores.
Los altavoces (o altavoz) se conectan entonces al mismo tiempo en las salidas de los dos amplificadores, recibiendo potencia doblada.
Para entender cómo es posible doblar la potencia del sistema, vamos a suponer que cada amplificador sea capaz de aplicar una señal de 10 V en una carga de 4 ohmios.
Así, la potencia de cada canal será:
P = V2 / R
P = (10 x 10) / 4
P = 100/4
P = 25 W por canal o 50 W en total
Si conectamos el mismo amplificador en puente a una carga de 4 ohms, la tensión en el altavoz oscilará entre el valor máximo positivo y el máximo negativo, como se muestra en la figura 3.
Así, la tensión aplicada al altavoz será de 20 V. Para una carga de 4 ohms, la potencia obtenida será:
P = V2 / R
P = (20 x 20) / 4
P = 400/4
P = 100 W
Este valor es el doble del obtenido en la configuración común estéreo.
En la figura 4 tenemos la configuración en puente para un amplificador bastante usado en muchos sistemas de sonido automotriz.
En el caso de que se trate de un sistema de control de calidad, se debe tener en cuenta que, en el caso de que se produzca un error,
Sin embargo, en el sonido doméstico esta configuración no es muy usada, pues la calidad de sonido obtenida con la configuración normal es mejor. La conexión en puente también eleva los niveles de distorsión por crossover, lo que es una de sus mayores limitaciones para el uso doméstico.
National Semiconductor (www.national.com), Philips Components (www.philips.com) y Sanyo (www.sanyo.com) tienen una amplia línea de CIs de amplificadores que se pueden conectar en puente, así como documentación técnica que muestra como se puede hacer.






