Con este aparato tenemos el control de intervalos de tiempo en 10 pasos posibilitando así su utilización práctica de muchas formas interesantes. De entre ellas citamos el control de procesos químicos como el baño de revelación y de placas de circuito "impreso o aún en reuniones para limitación de tiempo de habla. El circuito utiliza un indicador de 10 LED del tipo punto móvil y se alimenta con una batería de 9 V.
Muchos temporizadores comunes tienen como principal limitación el hecho de no poder acompañar la temporización. Sólo hemos sabido que el tiempo programado terminó cuando el sistema dispara accionando una carga externa o tocando una alarma.
Hay, sin embargo, aplicaciones en las que la temporización necesita ser acompañada paso a paso para que podamos tener en cualquier momento una idea de cuanto tiempo ha pasado desde el accionamiento.
El aparato que proponemos en este artículo sirve para esta finalidad proporcionando una temporización de hasta más de media hora pero con la posibilidad de acompañamiento en 10 pasos.
Con ello tenemos una gran gama de aplicaciones prácticas ya citadas en la introducción.
El circuito tiene dos capacitores que pueden ser conmutados por medio de una llave y que permiten elegir dos bandas de tiempos de acuerdo con la aplicación.
Para una versión con alimentación por fuente es posible reprogramar el integrado para tener una indicación tipo bargraph.
CARACTERÍSTICAS
• Rango de tiempo: hasta media hora
• Alimentación 9 V
• Indicación: punto móvil
• Número de pasos: 10
COMO FUNCIONA
La temporización se hace de manera tradicional, por la carga de un capacitor a través de un resistor y un potenciómetro. Observamos que la curva de carga de este capacitor es exponencial, como muestra la figura 1, lo que va a reflejarse en la linealidad del sistema indicador.

Sin embargo, si programar el integrado indicador para operar en un tramo lineal de esta curva podemos tener una escala mejor para los pasos.
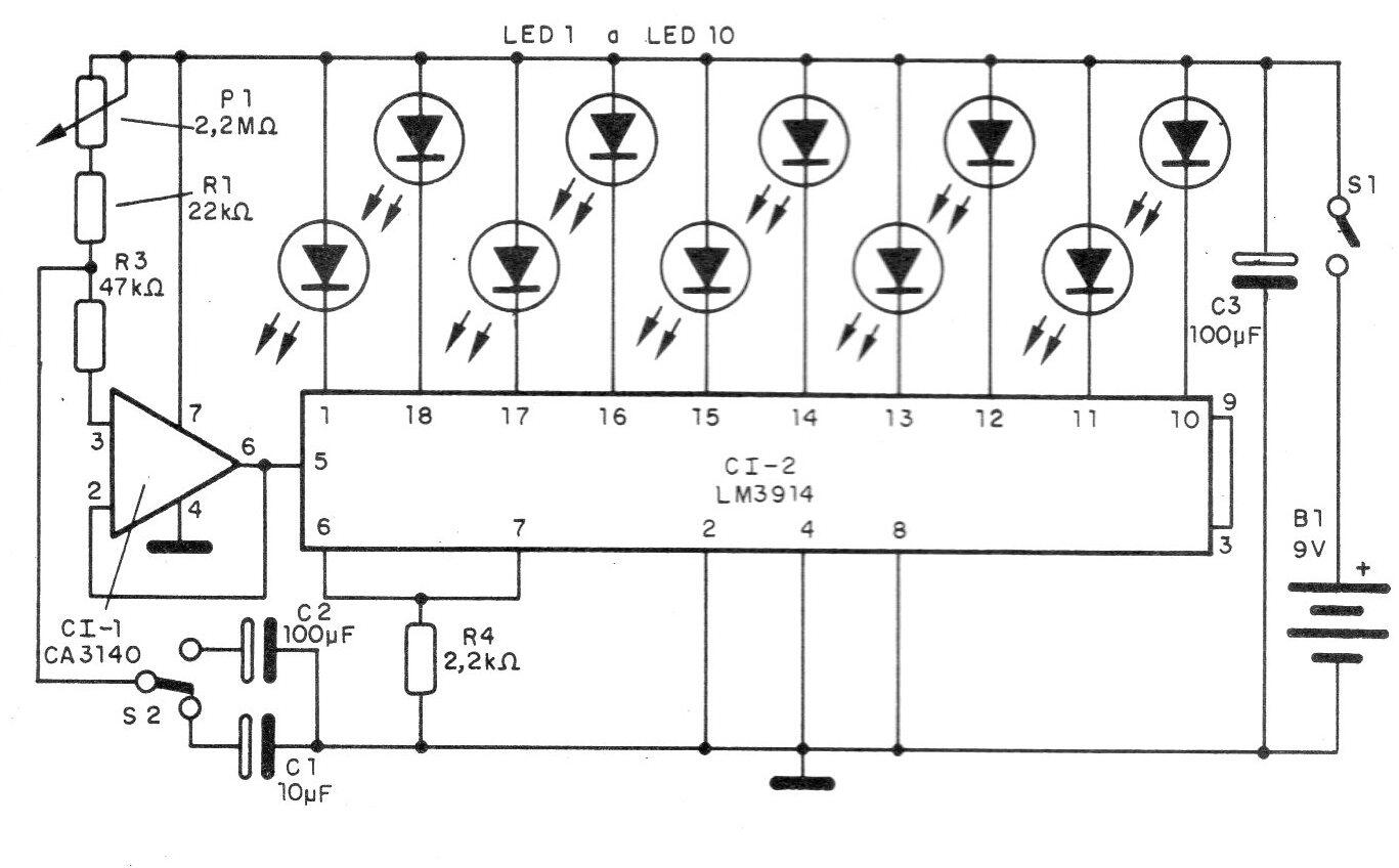
Por la clave S2 podemos colocar en el circuito dos capacitores de valores diferentes que determinan el rango de temporización: media hora y tres minutos aproximadamente (esta banda debe ser verificada experimentalmente ya que dada la tolerancia de los componentes usados ??tenemos una buena versión).
Los capacitores más grandes que 1000 uF no se recomiendan ya que las fugas pueden perjudicar su funcionamiento.
Con la carga del capacitor elegido, sube »la tensión en el terminal de entrada no inversora de un amplificador operacional con FET conectado como seguidor de tensión.
Tenemos entonces una impedancia de entrada para el circuito suficientemente alto para no alterar la curva exponencial de carga, si no hay fuga perceptible en el capacitor.
La salida del funcionamiento de baja impedancia proporciona entonces una tensión creciente que acciona la escala de punto móvil formada por el integrado Cl-2 y por los LED. La programación para punto móvil se realiza con la interconexión de los terminales 9 y 3.
A medida que la tensión en la entrada (pin 5) del Cl-2 sube, los LEDs se accionan en secuencia, indicando así la temporización.
Una sugerencia de caja con la indicación de porcentaje de los tiempos programados se da en la figura 2.
Recordamos que esta escala no es lineal dada la propia curva de carga del capacitor, lo que significa que el lector debe hacer el ajuste tomando como base un cronómetro común.
Para tener una carga con corriente constante del capacitor lo que proporcionaría una temporización lineal podemos añadir la configuración mostrada en la figura 3.

La alimentación del circuito se realiza con una tensión de 9 V y la durabilidad de la batería será razonable. Para una fuente de alimentación, la tensión puede oscilar entre 6 y 12 V.
MONTAJE
En la figura 4 tenemos el diagrama completo del aparato.
La disposición de los componentes en una placa de circuito impreso se muestra en la figura 5.
Para los circuitos integrados sugerimos el uso de sockets DIL.
Los resistores son de 1/8 W y los capacitores electrolíticos deben tener una tensión de trabajo de 12 V.
P1 es un potenciómetro o trimpot y su valor puede quedar entre 470 k ohms y 2,2 M ohms dependiendo del rango de tiempo que se desee cubrir.
Los LED son todos rojos con excepción del último que puede ser verde o amarillo para indicar el final de la temporización.
PRUEBA Y USO
Para probar la unidad basta seleccionar el menor capacitor en C2 y conectar la alimentación en S1. Los LED deben ir encendiendo uno a uno (cada uno que enciende el anterior apaga), hasta el último. Comprobado el funcionamiento podemos proceder a dos calibraciones tomando como referencia un reloj o cronómetro común.
La primera calibración es para los tiempos ajustados en P1 que llevan al encendido del último LED (LED verde), determinando así la escala total de temporización.
La segunda calibración es para los porcentajes del tiempo ajustado, para cada LED.
Para ello, ajustamos P1 en algún tiempo que es múltiple de 10 (por ejemplo, 10 minutos) y verificamos cuántos minutos corresponde al encendido de cada LED de la escala, anotando este valor en términos de proporción.
Cl-1 - CA3140 - circuito integrado amplificador J-FET
Cl-2 - LM3914 - escala de 10 LEDs
LED1 a LED9 - LED rojos comunes
LED10 - LED rojo o amarillo
S1 - interruptor simple
S2 - llave de 1 polo x 2 posiciones
B1 - 9 V - batería
P1 - 2,2 M ohms. - trimpot o pote
C1 - 10 uF x 12 V - capacitor electrolítico
C2 y C3 - 100 uF x 12 V - capacitores electrolíticos
R1 - 22 k ohms 1/8 W-resistor (rojo, rojo, naranja)
R3 - 47 k ohms x 1/8 W – resistor (amarillo, violeta, naranja)
R4 - 1,2 k ohms x 1/8 W - resistor (marrón, rojo, rojo)
Varios: placa de circuito impreso, sockets para los integrados, caja para montaje, conector de batería, hilos, soldadura, etc.






