Los integrados reguladores de tensión facilitan mucho los proyectos de fuentes de alimentación con su simplificación, abaratamiento y reducción de las causas de fallas. Sin embargo, existen cuidados importantes que se deben tomar, y que si na son observados pueden significar problemas diversos. En este artículo enfocamos las principales precauciones con las fuentes que usan estos integrados, además de dar procedimientos para la eliminación de eventuales problemas.
Los integrados reguladores de tensión de 3 terminales, e incluso los de tipos más complejos para fuentes switching, son bastante populares en la actualidad.
Tomando como base los tipos de tres terminales, dela serie 78XX por ejemplo, tenemos la posibilidad de realizar fuentes de excelente desempeño con óptima regulación, usando prácticamente un único componente (figura 1).

¿Pero que tipo de problemas puede encontrar un proyectista en la elaboración de una buena fuente?
Muchos tienden a despreciar este sector de cualquier montaje, por no encontrarlo crítico y por no influir de modo acentuado en el desempeño de otras partes. Pero esto es un gran error.
Problemas sencillos con la fuente, que podrían ser eliminado ya en el proyecto, traen a veces serias complicaciones para todo el funcionamiento de un equipo. Analicemos algunos casos.
1. El regulador de tensión oscila
Con la finalidad de obtener buenas respuestas en presencia de transitorios, los integrados reguladores de tensión normalmente son dotados de recursos especiales.
Sin embargo, capacidades parasitas pueden fácilmente desestabilizar estos recursos y así introducir oscilaciones en una fuente.
Cuando esto ocurre el proyectista debe analizar el "layout“ de la placa de circuito impreso, pues los filetes largos pueden significar inductancias elevadas, y la propia ubicación del capacitor de compensación es importante. Este capacitor, como muestra la figura 2, debe ir montado lo más próximo posible al integrado.

Valores en la banda de 10nF a 1uF son suficientes para eliminar el problema, dándose preferencia a los tipos de buen desempeño, como los de tantalio y los cerámicos.
También se debe verificar la posibilidad de que elementos externos al circuito estén provocando la oscilación. Estos elementos pueden significar cargas que no posean un desacoplamiento conveniente, necesitando así el agregado de este componente.
2. Pérdida de regulación
La tensión de salida de una fuente puede escapar al esperado con una carga de baja corriente. Este problema puede tener como primera causa la necesidad de una corriente mínima, de 1mA para la mayoría de los reguladores, a fin de permitir un funcionamiento apropiado.
Una solución de este problema puede ser un resistor de carga adicional en paralelo con la salida, garantizando esta corriente mínima (figura 3).

En los circuitos que usan un transistor PNP, como muestra la figura 4, este problema puede ser ocasionado por el resistor entre el emisor y la base del transistor dimensionado de modo impropio.

Un resistor demasiado grande en esta función puede afectar la regulación con cargas de baja corriente.
El resistor R debe ser menor que la tensión base/emisor en el transistor en la condición conectado, dividido por la corriente de polarización de base. Está claro que también influye en el comportamiento anormal de una fuente una configuración inadecuada del circuito.
3. Pérdida de regulación con cargas pesadas
Este, sin duda, es el problema más común y que puede traer graves consecuencias en los circuitos de potencia.
Una de las causas más comunes para este tipo de problema es la baja tensión de entrada. Existe un valor mínimo de tensión que debe ser aplicado a la entrada de un regulador para que funcione apropiadamente.
Para el 7805, por ejemplo, (regulador de tensión de 3 terminales para 1A), la diferencia mínima entre la tensión de entrada y de salida es de 2,0V lo que significa que debemos tener por lo menos 7V en su entrada para un funcionamiento apropiado.
Está claro que debemos tener en cuenta que la potencia disipada por el regulador es dada por la diferencia de tensión entre entrada y salida multiplicada por la corriente. Así, en la mejor condición, que es con 7V de entrada para 5 de salida, y una corriente de I1, tenemos 2W.
Aumentando la diferencia entre tensión de entrada y salida, garantizamos mejor regulación, pero al mismo tiempo aumentamos la disipación.
Otra causa, que ocurre cuando usamos un elemento externo como en el circuito de la figura 4, es la ganancia muy baja del transistor de potencia.
Finalmente tenemos un problema que debe ser tenido en cuenta en el proyecto de la placa: la resistencia eléctrica manifestada por los filetes de cobre entre el punto en quela corriente es sensada y la carga (figura 5).

Otro problema que afecta la regulación de la corriente en la carga bajo potencias elevadas es el calentamiento del integrado.
El montaje en un disipador inadecuado puede ocasionar variaciones de temperatura muy grandes con la corriente de carga, afectando el sistema interno de compensación que, fallando, lleva variaciones a la tensión de salida.
El calentamiento excesivo del integrado puede también tener consecuencias más graves, como por ejemplo la propia falla del circuito regulador. Disipadores de calor con dimensiones inadecuadas o mal colocados pueden ser la causa de este problema.
Recordemos que no basta tener una buena dimensión del disipador para que sea eliminado cualquier problema de calentamiento.
Los disipadores de calor operan según tres principios: radiación, conducción y convección.
Por conducción, el calor pasa para los “elementos próximos, eventualmente una caja donde está fijado. Por radiación el calor es irradiado en forma de infrarrojo hacia el medio ambiente; y por convección el calor se transfiere al aire, que, circulando, lo aleja del lugar (Figura 6).

En relación a este último medio, que pesa bastante en el calor transferido, es evidente que debe haber una manera de facilitar la circulación del aire por el radiador. De esta forma, una mala instalación, que impida esta circulación (en una caja hermética por ejemplo) puede causar problemas serios.
Es común la instalación de los propios reguladores o de los transistores de potencia en radiadores de calor externos, fijados del lado de afuera de la caja. o bien con ventilación forzada, ya sea a través de aberturas en una caja o hasta incluso con el empleo de pequeños ventiladores.
Vea que, incluso usando el ventilador, su colocación y la propia colocación de la caja deben ser rigurosamente planeadas, de modo que no exista ningún obstáculo para la libre circulación del aire.
4. Falla del regulador durante un cortocircuito
Los reguladores de tensión de tres terminales poseen sistemas de protección contra cortocircuito. En algunos casos, esta protección puede ser un circuito externo.
El mal dimensionamiento de un disipador de calor puede llevar al integrado al calentamiento excesivo en un cortocircuito, ocasionando entonces la falla del sistema de protección.
Otro problema es la operación del circuito fuera de las especificaciones máximas (SOA). Durante el corto, saliendo de esta zona de seguridad, el integrado falla, y no existe la debida protección.
5. Ripple excesivo
La presencia de ripple en nivel excesivo, ya sea de 60 Hz o de 120 Hz, puede ser causada por realimentación, debido al proyecto inadecuado de la conexión de la entrada reguladora.
El capacitor de filtro puede realimentar el circuito "sensor" por la propia pista de la placa de circuito impreso (figura 7).

Los filetes demasiado finos o largos en el circuito de entrada de referencia del integrado regulador pueden ser responsables por este problema.
Conclusión
Está claro que los problemas citados no tienen en cuenta errores de proyecto o incluso la utilización de componentes defectuosos. Capacitores electrolíticos de mala calidad en el filtrado y diodos con fugas son algunos de los ejemplos de problemas que pueden afectar el funcionamiento de una fuente.
Las propias perdidas en un transformador pueden implicar niveles de ripple inadecuados o aparición de transitorios, que llevarían a la destrucción de los integrados reguladores.
La conclusión a que llegamos es que, con el uso de componentes apropiados y con un proyecto bien hecho, previendo los problemas citados, una fuente debe funcionar bien, no importa cual sea su finalidad y las condiciones de operación.
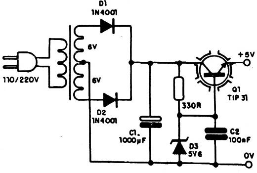
Fuente simple TTL
El circuito sencillo que presentamos sirve para alimentación a dispositivos TTL con un consumo máximo de 1A.

Esta fuente proporciona una tensión de 5V, sirviendo para alimentar gran cantidad de integrados TTL, ya que el consumo de cada unidad es bastante bajo.
El transformador tiene un bobinado secundario de 6+6V con corriente de por lo menos 1A, y los diodos rectificadores pueden ser los 1N4002 () 1N4004.
Para el filtrado tenemos un capacitor electrolítico con valor mínimo de 1500 pF y tensión de trabajo a partir de 9V.
El diodo de referencia es un zener de aproximadamente 5,6 V ya que en la juntura base-emisor del transistor caerán 0,6V y así se tendrán 5V a la salida.
Para el transistor tenemos diversas opciones, pues cualquier tipo NPN de uso general con corriente de colector a partir de 1A sirve. Para un buen margen de seguridad optamos por un TIP31, que debe ser montado en un buen disipador de calor.
El resistor es de 1/8 ó 1/4W con 5 o 10% de tolerancia, y el capacitor C2 es cerámico de 100nF.



