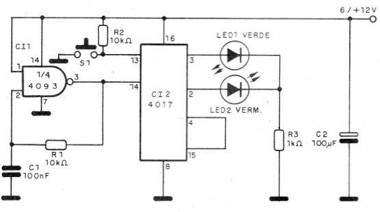
Este simple circuito es una aplicación de la tecnología digital CMOS en un proyecto simple que tanto puede tener finalidad recreativa como didáctica. Se sortea uno de dos LED de forma totalmente aleatoria.
Este circuito consiste en un sorteador de uno de dos LEDs operando de forma totalmente aleatoria.
Se utilizan dos circuitos CMOS comunes y baratos lo que posibilita su montaje con poco gasto.
El circuito, en la versión original de baja potencia es alimentado por pilas, pero podemos excitar cargas de mayor potencia usando fuente o incluso alimentadas por la red de energía.
Lo que tenemos es un oscilador que opera de forma aleatoria enviando pulsos a un contador hasta 2 con el conocido 4017.
Cuando presionamos un interruptor y lo mantenemos presionado, el oscilador se detiene y sólo uno de los LED permanece encendido.
Como el funcionamiento del oscilador es muy rápido no se puede predecir en qué LED encendido se paralizará el contador.
El consumo del circuito depende de los LEDs típicamente entre 5 y 20 mA.
Montaje
En la figura 1 tenemos el diagrama completo del aparato.

El montaje se puede realizar en una matriz de contactos o en una pequeña placa de circuito impreso con la disposición de componentes mostrada en la figura 2.

En el montaje, es importante observar la posición de los circuitos integrados y la polaridad de los LED que pueden ser de colores diferentes.
Los resistores son de 1/8 W con cualquier tolerancia y los condensadores de acuerdo con la lista de materiales.
La alimentación se puede realizar con pilas o fuentes.
En la figura 3 tenemos el modo de añadir una etapa de potencia para alimentar una lámpara de mayor consumo o una lámpara alimentada por la red de energía.

Para usar es sólo conectar el aparato.
Los LED deben parpadear rápidamente.
Presionando y manteniendo el interruptor S1 en esta condición, la oscilación se detiene y sólo uno de los LED permanece encendido.
CI-1 - 4093 - circuito integrado CMOS
CI-2 - 4017 - circuito integrado CMOS
LED1, LED2 - LEDs comunes de cualquier color
S1 - Interruptor de presión NA
R1, R2 - 10 k ohms - resistores - marrón, negro, naranja
R3 - 1 k ohms - resistor - marrón, negro, rojo
C1 - 100 nF -capacitor cerámico o poliéster
C2 - 100 uF - capacitor electrolítico para 16 V o más
Varios:
Placa de circuito impreso, caja para montaje, hilos, soldadura, etc.



