Las fuentes económicas que no utilizan transformadores encuentran una gama específica de aplicaciones, como por ejemplo: en la alimentación de aparatos electrónicos de mesa. Entre estas aplicaciones incluimos calculadoras, radios, relojes, grabadores, etc. La fuente descrita en este artículo puede proporcionar corrientes de hasta 200 mA y tensiones que son elegidas por el ensamblador en el rango de 3 a 12 voltios.
El mayor inconveniente de una fuente sin transformador es su no aislamiento de la red local que la hace peligrosa, en caso de que las partes vivas del aparato alimentado sean tocadas.
Así, tales fuentes no se deben utilizar en juguetes, bancada para pruebas o para alimentar amplificadores, donde el micrófono puede constituirse en un elemento de peligro para quien lo toque.
Sin embargo, la falta de aislamiento es compensada por la economía que puede hacerla ventajosa en algunos tipos de aplicaciones donde el aparato no tiene partes vivas que puedan causar problemas a quien lo toque.
La fuente que describimos es estabilizada y tiene un buen filtrado para minimizar problemas con aparatos sensibles a variaciones de tensiones oa la presencia de ronquidos.
Por otro lado, su capacidad de corriente de 200 mA la hace útil en una amplia gama de aplicaciones.
CARACTERÍSTICAS
Tensión de entrada: 110 V (o 220 V con modificaciones)
Corriente de salida: 200 mA (Max.).
Tensión de salida: 3 a 12 V (determinada por el zener)
El capacitor C1 es el elemento que sustituye hasta cierto punto el transformador, funcionando como un "reductor" de tensión, ya que la circulación de la corriente en este componente depende de su reactancia capacitiva.
Esta reactancia, como sabemos, depende tanto de la frecuencia de la red y del valor del capacitor.
Para una tensión de 220 V podemos reducir a la mitad el valor de este componente para doblar su reactancia y así mantener la tensión en la salida en el mismo nivel.
En esta función deben ser utilizados capacitores de poliéster con alta tensión de aislamiento, ya que tipos polarizados, como los electrolíticos no sirven.
La resistencia de 4,7 k ohms ayuda a estabilizar el funcionamiento de este regulador ya mantener descargado el capacitor en ausencia de carga, con la fuente apagada.
La tensión alternada que obtenemos a partir de C1 y R1 es rectificada por un puente de onda completa con 4 diodos de silicio para rectificación.
El filtrado es hecho por el capacitor C2 que debe ser lo más grande posible. Para aplicaciones comunes que involucran la alimentación de pequeños radios, calculadoras, intercomunicadores y otros aparatos de este tipo, 1500 uF es suficiente, pero si se observa ronco tenemos dos alternativas: invertir la polaridad de la alimentación de entrada o aumentar el valor del capacitor en cuestión .
La regulación de tensión es hecha por el transistor TIP31 y el diodo zener Z1.
El valor del zener determinará la tensión de salida, recordando que ocurre en la unión emisora base del transistor una caída de 0,6 V.
Así, para obtener 3,0 V de salida, debemos usar un zener de 3,6 V. Para cualquier tensión en el rango de 3 a 12 V el zener usado puede ser de 400 o 500 mW.
C3 proporciona el filtrado final y también el desacoplamiento del aparato alimentado si no posee internamente un capacitor para este propósito.
El fusible F1 de entrada protege en caso de problemas, principalmente la eventual entrada del capacitor C1 en corto que es el caso más peligroso.
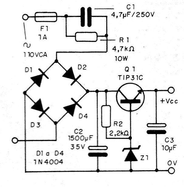
En la figura 1 tenemos el diagrama completo de la fuente.

La placa de circuito impreso para este proyecto se muestra en la figura 2.
El capacitor C1 debe ser obligatoriamente de poliéster con una tensión de trabajo de 250 V si la red es de 110 V. Este capacitor debe ser de 2,2 uF x 450 V si la red es 220 V.
El resistor debe ser de hilo y su valor será de 10 k ohms x 10 W si la red es de 220 V.
Como este componente, tiende a calentarse con el funcionamiento del aparato, su montaje debe ser hecho en posición tal que facilite la ventilación.
El transistor debe estar dotado de un radiador de calor y este radiador no debe quedar expuesto al tacto, ya que estará conectado a la línea, habiendo pues peligro de choque.
El resistor R2 es de 1/2 Watt y C2 tiene tensión de trabajo de 35 V. El capacitor C3 debe tener una tensión de trabajo ligeramente mayor que la seleccionada para la salida.
Para el zener tenemos la posible tabla de elección en función de la salida indicada en la Tabla 1.

Para operar con una corriente de 100 mA, como máximo, ahorrando así energía, reduzca el valor de C1 a 2,2 uF y si la red es de 220 V utilice un capacitor de 1 uF.
El cable de salida debe tener un enchufe del tipo que pueda adaptarse al aparato alimentado.
Antes de hacer su conexión verifique la polaridad de la alimentación del aparato que va a usar esta fuente, pues algunos poseen el positivo en el pín central mientras que otros poseen el negativo en este pin.
Una conexión invertida, en algunos casos puede causar daño al aparato alimentado, por lo que es conveniente realizar una verificación.
La prueba más simple consiste en conectar a la salida de la fuente una lámpara con la tensión que se espera obtener. La corriente debe ser ligeramente inferior a la máxima prevista.
La lámpara debe encenderse con un brillo normal. Es evidente que una prueba más crítica consiste en colocar una carga en la salida de la fuente y conectar el multímetro, verificando la tensión.
Si hay tendencia a la caída de tensión con los valores de corriente más altos, reduzca a 1,8 ó 1,5 k ohmios la resistencia R2. Comprobado el funcionamiento, es sólo usar la fuente. Si observa el ronquido en el aparato alimentado, o el funcionamiento anormal, compruebe que la corriente requerida no está por encima de la capacidad de la fuente.
Si se quema el fusible, antes de cambiarlo compruebe el capacitor C1 que puede haber entrado en corto. Retire del circuito y realice una prueba de continuidad con el multímetro.
Q1 - TIP31 C - transistores NPNA de potencia
D1 a D4 – 1N4004 o equivalentes
21 - zener de 400 mW - ver texto
F1 - _1 A - fusible
Capacitores:
C1 - 4,7 uF x 250 V - poliéster - ver el texto
C2 - 1 500 uF x 35 V - electrolítico
C3 - 10 uF - electrolítico - ver texto
Resistores:
R1 - 4,7 k ohms: x 10 W - de hilo
R2 - 2,2 k ohms x1 / 2 W




