El XR46004 consiste en un regulador de corriente con baja caída de tensión para alta tensión pudiendo controlar corrientes hasta 600 mA. Sin embargo, la cadena puede ajustarse en un rango de 100 y 600 mA a través de una simple resistencia externa.
El componente cuenta además con la función RSET que permite al usuario controlar la intensidad del brillo de los LEDs a través del perno OE. En este pino se aplica una señal PWM para este propósito.
En la figura 1 tenemos la configuración de los pines de este componente.

Una característica importante es la calificación del componente para uso automotriz por la AEC-Q100. El rango de tensiones de funcionamiento va de 5V a 50 V.
En la figura 2 tenemos un circuito de aplicación típico.

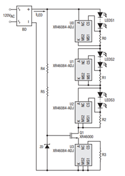
En la figura 3 tenemos un circuito de aplicación en el que varios componentes se asocian en serie en una aplicación para alimentación por la red de energía de 120 V.




