En una amplia documentación disponible en Internet, Texas Instruments (www.ti.com) ofrece una gran cantidad de recursos para el diseñador de equipos de ayuda auditiva. Esta documentación va desde la discusión de los desafíos que el proyectista encuentra al proyectar este tipo de equipo hasta sugerencias de componentes específicos que pueden ser utilizados como soluciones para proyectos definitivos. Incluso las tarjetas de evaluación se pueden encontrar para que los interesados vean el rendimiento de los componentes de Texas Instruments en este tipo de proyecto. En este artículo, reunimos informaciones de esta documentación y las pasamos a los lectores interesados.
Los proyectistas de aparatos de ayuda auditiva encuentran muchos desafíos a ser enfrentados. Los equipos de ayuda auditiva deben ser extremadamente pequeños para caber en el oído de las personas o quedarse detrás de la oreja, deben consumir una cantidad muy pequeña de energía y aún no deben introducir ruido en el sonido amplificado.
Los aparatos utilizados deben consumir menos de 1 mA, operar con tensiones del orden de 1 V y utilizar un área de silicio inferior a 10 mm2. Así, el aparato de ayuda auditiva típica consiste en un amplificador con una función de entrada / salida no lineal y una ganancia que depende de la frecuencia. Este rango de respuesta se debe programar de acuerdo con la deficiencia que se encuentra en cada persona que normalmente se produce en puntos específicos del espectro.
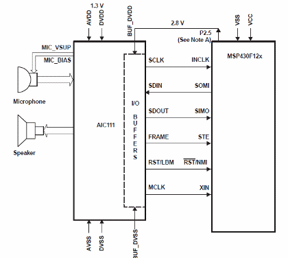
Las soluciones tradicionales basadas en circuitos analógicos ofrecen muchas dificultades de diseño que pueden ser fácilmente superadas con la utilización de circuitos digitales. Los dispositivos digitales pueden programarse y adaptarse fácilmente a las diversas condiciones ambientales. El uso de recursos de microcontroladores y DSPs puede todavía dotar a los equipos de características de funcionalidad que los equipos analógicos no tienen. En la figura 1 tenemos un ejemplo de circuito digital que hace uso de un microcontrolador MSP430 y en un CODEC AIC111 ..

Los aparatos de ayuda auditiva tienen características específicas, ya que las pérdidas auditivas de las personas no ocurren siempre de la misma manera. Las pérdidas auditivas se separan normalmente en dos categorías: pérdida auditiva conductiva y pérdida auditiva senso-neural (SNHL). En la figura 2 tenemos una curva típica de pérdida por la edad, observándose que las bandas más afectadas son justamente las de las frecuencias más altas.

Cuando la pérdida auditiva ocurre por conducción, basta una amplificación para que la audición de la persona sea casi totalmente recuperada. Sin embargo, este tipo de pérdida corresponde sólo a una parte muy pequeña de los casos, del orden del 5%. El otro tipo de pérdida sin embargo, requiere procesamiento de señales más sofisticado, como en el caso de la pérdida por edad, en que tenemos diferentes audiogramas para cada persona.
Dependiendo de las bandas de frecuencias afectadas, las personas pueden sufrir bastante con la inteligibilidad, siendo difícil entonces entender lo que los demás hablan. La corrección de las bandas de frecuencia afectadas es por lo tanto fundamental para devolver la capacidad auditiva de las personas, lo que exige técnicas avanzadas de procesamiento del sonido, lo que es posible sólo con soluciones digitales.
Podemos entonces decir que los aparatos de ayuda auditiva tradicionales están formados por un amplificador no lineal, un micrófono, un auricular, batería de zinc y algunas características que permiten cambiar la banda pasante según las necesidades de corrección del usuario. Esta corrección normalmente es dada por circuitos de compresión o ganancia que se pueden activar o desactivar, según el rango de frecuencias a ser reforzado.
Por otro lado, los aparatos digitales modernos permiten la programación por el audiólogo con diversos conjuntos de parámetros que se pueden ajustar según las necesidades de cada paciente. Estas funciones incluyen controles automáticos de ganancia, protección contra sonidos muy altos, mejora de la inteligibilidad, eliminación del ruido de fondo, etc.
En muchos casos se utilizan ASIC para reunir todos estos recursos. Estos ASIC contienen una serie de algoritmos como, por ejemplo, varias bandas de frecuencias para programación, micrófonos únicos, dual para audición direccional, y otros recursos importantes.
Ejemplo de proyecto
Texas Instruments ofrece diversas posibilidades de diseño en esta área, entre ellos los basados en DSP. Los proyectos con DSPs pueden tener recursos de software ampliados como modelado de la curva de respuesta, reducción de retroalimentación, reducción de ruido, procesamiento binaural, filtrado, reducción de reverberación y suministro de señal directamente en el caso de un teléfono digital, TV u otros equipos de audio . En la figura 3 tenemos el diagrama de bloques de un dispositivo de este tipo.

Otra posibilidad interesante que los aparatos con esta tecnología ofrecen es la posibilidad de la conmutación del programa según situaciones específicas de uso como, por ejemplo, en situaciones en que la inteligibilidad se vuelve difícil.
El diagrama de bloques de la figura 3 muestra los elementos primarios de un audífono digital. En este aparato tenemos típicamente tres pastillas semiconductoras apiladas una sobre la otra: EEPROM o memoria no volátil, un dispositivo digital y un dispositivo analógico. Algunos avances recientes de las tecnologías de integración posibilitando la colocación de dos o incluso tres de esos dispositivos en un solo chip. El circuito está normalmente diseñado para operar con tensiones a partir de 0,9 V debido a las variaciones que pueden ocurrir con el tiempo en la tensión de una sola celda entre 0,9 y 1,35 V. Los recursos de administración de la energía permiten extender al usuario máximo la vida útil de la batería y al mismo tiempo avisar al usuario cuando se encuentre al final.
El convertidor A / D normalmente es del tipo sigma = delta con una banda de frecuencias de hasta 20 kHz y una resolución de 16 bits (14 bits - lineal). El dispositivo digital incluye el DSP, la interfaz de programación y el paso de salida. El amplificador de salida normalmente es digital (PWM), con salida en clase D, utilizando la propia impedancia del auricular para hacer la conversión de digital a analógico.
El consumo de un circuito típico analógico varía entre 0,7 y 1,0 mA mientras que para los digitales el consumo es menor quedando típicamente en el rango de 0,5 mA y 0,7 mA. Una batería de cinc-aire de 30 mAh a 60 mAh y una corriente de auto-descarga de 50 uA normalmente se utiliza para alimentar este sistema. Con este consumo se obtiene una excelente autonomía para el aparato.
El CODEC de audio AIC111
Un componente de Texas Instruments que se destaca en las aplicaciones de este tipo es el AIC111, compatible con DSP de micropotencia o microcontroladores, proporcionando un alto rendimiento cuando se utiliza en aplicaciones médicas tales como audífonos, procesamiento de audio, auriculares de baja potencia, etc.
El AIC111 soporta una interfaz SPI digital CMOS de 1,3 V e incluye una fuente externa para alimentación y polarización del micrófono. Este componente incluye un monitor de batería baja y un indicador. En la figura 4 tenemos el diagrama de bloques del circuito integrado AIC111, Códec de audio de microconsumo. La información completa sobre este componente, incluidos los circuitos de aplicación, puede obtenerse descargando directamente su datasheet en el sitio web de Texas Instruments.

El AIC111 consiste en un códec de audio compatible con DSPs de micropotencia y microcontroladores, también pudiendo ser utilizado como circuito analógico de interfaz de audio. Este componente tiene un consumo de sólo 350 uA con alimentación de 1,3 V y un rango dinámico de 87 dB con -73 dB de distorsión armónica total en el rango de 10 Hz a 10 kHz y con una tasa de muestreo de 40 kHz.
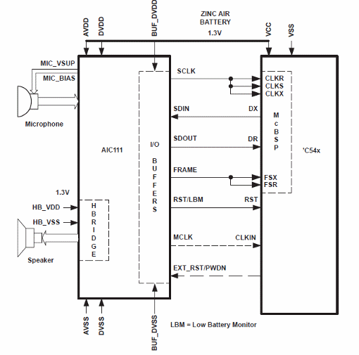
El ruido típico de salida es de 12 uVrms con una distorsión armónica total del 0,05% para el DAC Delta-Sigma y el controlador de salida puente H. El dispositivo es ideal para conectar microcontroladores de la serie MSP430xx y DSP de la serie TMS320VC54x y TMS320VC54x y TMS320VC54x . En la figura 5 tenemos un ejemplo de aplicación con interfaz para DSP de la serie TMS320VC54xx. El AIC111 se suministra en diversos tipos de envoltorios como QFN de 32 pines de 5 x 5 mm y Bumped Die de 32 pads.

Conclusión
Con los diversos dispositivos digitales y de interfaz hoy disponibles, es más sencillo diseñar aparatos digitales de ayuda auditiva. Lo que hemos visto en este artículo fueron sólo sugerencias basadas en la documentación de Texas Instruments.



