Para muchos es una simple decoración, pero hay países en los que el Brake-light es obligatorio, considerado equipo de seguridad. Vea en este artículo cómo montar una luz de freno secuencial para aumentar la seguridad de su coche y con un efecto muy bonito de luces que corren.
El Brake-light es accionado por unos instantes cuando el conductor camina en el freno.
Siendo instalado en el cristal trasero, en una posición de mejor visualización, él alerta al conductor que viene detrás del exacto instante en que habrá una reducción brusca de velocidad.
Este procedimiento ayuda a evitar que haya un choque trasero, que es muy común hoy en día.
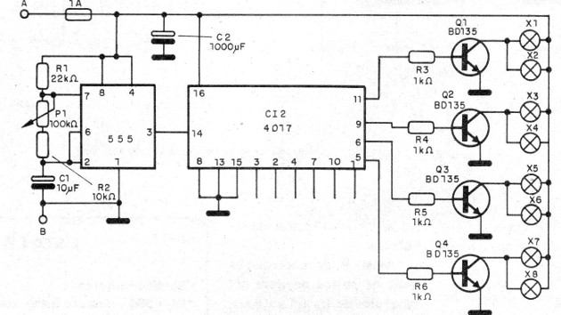
El circuito que proponemos hace que las luces junto al cristal trasero parpadeen de modo secuencial cuando el freno es accionado, como sugiere la figura 1.

El proyecto original de 1993 hace uso de lámparas, Sin embargo, en una versión actual podemos cambiar las lámparas por LEDs con resistores de valor apropiado en serie.
Las luces son de baja potencia, de 12 V, e instaladas en una pequeña manguera transparente, fijada fácilmente en el coche. Si las luces no son rojas, basta con envolverlas en un papel celofán de este color y el problema de la visualización estará resuelto.
El circuito es sencillo de montar e instalar, usando con componentes de fácil obtención.
Características:
Tensión de alimentación: 12 V
Corriente: 100 mA (según las lámparas usadas)
Número de canales de accionamiento: 4
COMO FUNCIONA
La base del proyecto es el conocido circuito integrado 4017, que consiste en un contador / decodificador hasta 10 en tecnología CMOS.
Cada pulso aplicado en la entrada de este integrado (pin 14) una de las salidas va al nivel alto, pasando la anterior al nivel bajo.
Una secuencia de pulsos hace entonces que tengamos un flujo del nivel alto de la primera hacia la última salida, manteniéndose las demás en el nivel bajo.
Para producir el efecto deseado tenemos un oscilador que genera los pulsos.
Este oscilador es un asta con el circuito integrado 555 y cuya velocidad se ajusta en el trimpot P1 para dar el efecto deseado. En el 4017, sin embargo, usamos sólo 4 salidas, de modo que durante el tiempo en que los pulsos se aplican en las otras salidas tengamos el intervalo, como sugieren las formas de onda de la figura 2.

Cada salida utilizada del 4017 se conecta a, un transistor controlador que excita las pequeñas lámparas de carga.
Usamos en el proyecto transistores BD135 para permitir el uso de lámparas de hasta 300 mA sin problemas, sin embargo, si las lámparas son de consumo mucho más bajo, 50 mA por ejemplo, se pueden utilizar transistores BC547.
MONTAJE
El diagrama completo del aparato se muestra en la figura 3.

La disposición de los componentes en una placa de circuito impreso se muestra en la figura 4.

Los circuitos integrados deben instalarse en sockets DIL de acuerdo con el pinado, para mayor seguridad.
Como el accionamiento de cada lámpara se hace por un intervalo de tiempo muy pequeño, los transistores no necesitan radiadores de calor.
Los transistores admiten equivalentes, como los BD137 y BD139, y las lámparas indicadas son de 5O mA x 12 V, aunque se pueden utilizar tipos de hasta 300 mA. (O LEDs, como observamos al principio del artículo)
Los hilos de conexión a las lámparas pueden ser largos y soldados directamente en sus bases, para facilitar su introducción en una manguera o tubo transparente.
PRUEBA Y USO
Para probar el aparato, basta con conectarlo a una fuente de 12 V. Las lámparas deben parpadear en secuencia.
Ajuste P1 de modo que los trenes de pulsos ocurran a intervalos de 1 a 1,5 s aproximadamente.
Una vez comprobado el funcionamiento y el ajuste, el aparato puede instalarse en el coche.
La caja con la placa y componentes puede quedar bajo la tapa de la parte trasera, donde se fijarán las lámparas.
El hilo A va al punto que alimenta las luces de freno ya existentes, y el punto B va al chasis del coche, en cualquier punto.
Una vez realizada la instalación, el accionamiento del aparato será automático: al pisar el freno tenemos el flujo de las lámparas.
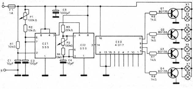
Para el accionamiento momentáneo, es decir, en que hay sólo uno o dos corrientes y después las lámparas paran de parpadear, aunque el freno sea mantenido accionado, tenemos un circuito diferente que se muestra en la figura 5.

En este circuito tenemos dos 555. Uno de ellos sirve para habilitar el oscilador de reloj sólo por el tiempo ajustado en el trimpot P1.
Semiconductores:
C1, - 555 - circuito integrado temporizador
CI2 - 4017 - circuito integrado CMOS
O1 a Q4 - BD135 -transistores NPN de media potencia
Resistores (1/8 W, 5%):
R1 - 22 k ohms
R2 - 10 k ohms
R3, R4, R5, R6 - 1 k ohms
P1 - trimpot de 100 k ohms
Condensadores electrolíticos de 16 V:
C1 - 10 uF
C2 - 1 000 uF
Varios:
X1 a X8 - lámparas de 50 mA x 12



