Este simple circuito puede servir de base para dispositivos de automatización tanto a escala doméstica como industrial. Con un toque en un interruptor conectamos el relé y con otro toque apagamos.
El relé puede ser sustituido por otros dispositivos de accionamiento y S1 por reed-Switches u otros sensores.
Describimos un simple automatismo por toques cortos que se conecta en un primer toque y se apaga en un segundo y que acciona un relé para el control de cargas externas.
El circuito puede ser fácilmente modificado para otros tipos de accionamiento tanto desde sensores, ya sea activando otros tipos de descargas.
En el sistema básico la acción es biestable, la alimentación puede ser hecha con 6 o 12 V conforme el relé y el consumo en la condición de reposo es extremadamente bajo, del orden de 1 mA o menos.
Sólo la mitad del 4017 se utilizó en esta aplicación, lo que quiere decir que la otra mitad puede ser usada para un control equivalente de otro relé o carga.
CARACTERÍSTICAS
Tensión de alimentación: 6 o 12 V
Consumo en reposo: 1 mA Carga máxima: 2 A (según los relés usados)
Corriente en el sensor: inferior a 1 mA.
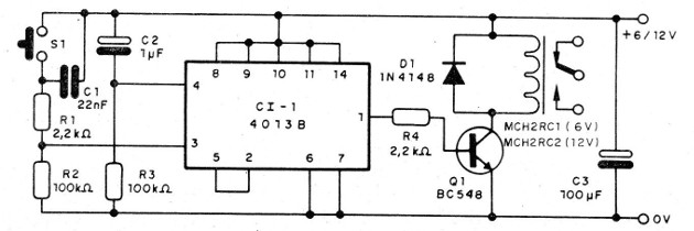
El circuito integrado 4013 consta de dos flip-flops que se pueden utilizar de forma independiente, como se muestra en la figura 1.

En nuestro caso tenemos en uso el flip-flop con salida en el pino 1 y entrada en el pino 3.
La clavija del Reset se conecta a una red RC que garantiza que al conectarse a la alimentación la salida se mantenga en el nivel cero.
Esto se logra porque al establecerse la alimentación el pin 4 va al nivel alto hasta que C2 se cargue, cuando entonces predomina la acción del resistor, manteniendo el pino en el nivel bajo.
Para cambiar de estado hay que presionar S1, lo que hace que tengamos un instante nivel alto en la entrada.
Si el resistor utilizado para R2 tiene un valor suficientemente elevado (2,2 M ohms o más), podemos utilizar en lugar de S1 un sensor para toque resistivo.
El toque de los dedos lleva entonces la entrada al nivel alto por un instante haciendo que el circuito cambie de estado.
La señal de salida excita directamente un transistor que al ser saturado energiza la bobina del relé.
El relé tiene como objetivo controlar la carga externa. Con el uso de un transistor de potencia podemos controlar directamente cargas de corriente continua hasta 500 mA en la tensión de 6 o 12 V.
Para disparar un SCR tenemos el circuito de la figura 2.

Observe en este circuito la necesidad de tener un campo común para el sensor de alta tensión y la alimentación de baja tensión.
En la figura 3 tenemos el diagrama completo del circuito básico.

La disposición de los componentes en una placa de circuito impreso se muestra en la figura 4.

El circuito integrado y el relé se pueden montar en sockets DIL de 14 a 16 pines respectivamente.
Para probar basta con dar un toque en S1. El relé debe cerrar sus contactos.
Con un nuevo toque en S1 el relé debe abrir sus contactos.
La carga controlada debe ser conectada a los contactos del relé y su capacidad de corriente debe ser respetada.
Si utiliza el sensor de timbre, no utilice ninguna fuente de alimentación sin transformador.
Semiconductores
Cl-1 - 4013
Q1 - BC548 o equivalente
D1 - 1N4148 o equivalente
Resistores: (1/8 W, 5%):
R1, R4 - 2,2 k ohms
R2 - 100 k ohms
R3 - 100 k ohms
Capacitores: (electrolíticos 6 o 12 V o más)
C1 - 22 nF - cerámico o poliéster
C2 - 1 uF - electrolítico V
C3 - 100 uF - electrolítico
Varios:
K1 - Relé de 6 o 12 V



