Utilizando un transistor de efecto de campo de potencia, describimos un variador pulsante que parpadea a intervalos regulares con buena intensidad una lámpara de 7 a 40 W. El rendimiento del circuito es alto, incluso considerando el empleo de un transformador común.
Este circuito puede ser utilizado en sistemas de señalización de emergencia para vehículos o obras, alimentado por batería de 12 V y excitando una lámpara fluorescente.
El rendimiento del circuito es alto, lo que garantiza una buena autonomía para la batería en situaciones de emergencia.
La frecuencia de los intermitentes se puede ajustar en un buen margen de valores, y los pocos componentes usados ??no ofrecen mayores dificultades de obtención, sólo el transistor de efecto de campo de potencia puede ser un poco más difícil de encontrar. (El artículo es de 1991, hoy estos transistores son comunes)
Instalado en una pequeña caja de plástico, el aparato se puede conectar a la batería y la lámpara de señalización puede ser remota con la conexión a través de cables comunes encapados.
Recordamos que las altas tensiones que aparecen en la conexión de la lámpara exigen un buen aislamiento ya que pueden causar choques desagradables.
CARACTERÍSTICAS
Tensión de alimentación: 12 V
Consumo: 600 mA a 2 A (depende del transformador)
Frecuencia: 0,1 a 1 Hz (50% de ciclo activo)
Se utilizan dos osciladores para excitar el transformador inversor en este circuito, como muestra el diagrama en bloques de la figura 1.

El motivo de no utilizar sólo un oscilador produciendo pulsos en la frecuencia de los intermitentes es que los pulsos individuales inducir una tensión de corta duración en el transformador como muestra la figura 2, y el resultado sería parpadeos de corta duración y baja intensidad.

Si en lugar de eso hicimos el oscilador lento controlar un más rápido que produzca un tren de pulsos de corta duración, como muestra la figura 3, el resultado será mayor potencia aplicada en la lámpara durante el intervalo en que debe quedar encendida.

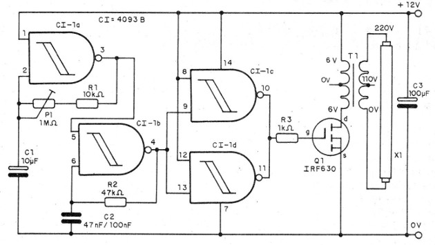
En nuestro circuito el oscilador lento que determina la frecuencia de los intermitentes está formado por CI-1a.
El ajuste de la frecuencia se realiza en P1 y este oscilador tiene un ciclo activo del 50%. Esto significa que el 50% del tiempo de un ciclo tiene la salida en el nivel alto y el 50% del tiempo en el nivel bajo.
En los intervalos en que el nivel de salida es alto, el segundo oscilador entra en acción.
Este segundo oscilador está formado por CI-1b y tiene por finalidad producir el tren de pulsos para excitación de la lámpara.
La frecuencia de este oscilador está entre 200 y 2000 Hz, dependiendo de C2 y R2 (los valores pueden ser alterados) debiendo ser elegido un valor que proporcione mayor rendimiento con el transformador usado.
Para una posibilidad mayor de ajuste R2 puede ser reemplazado por un trimpot de 100 k ohms en serie con un resistor de 10 k ohmios y hecho el ajuste para mayor brillo de la lámpara en los intermitentes.
Las señales obtenidas consistentes en trenes de pulsos son amplificados digitalmente por CI-1c y CI-1d.
A continuación, la salida de estos puertos conectados a la compuerta de un transistor de efecto de campo de potencia IRF630.
Este transistor se caracteriza por su elevada impedancia de entrada que se puede excitar directamente por una salida CMOS y por la altísima corriente que él es capaz de controlar: 9 A en el caso.
Además, el MOSET IRF630 de Fairchild o Motorola, tiene una bajísima resistencia entre el drenaje y la fuente cuando está saturada, del orden de 0,4 ohmios lo que posibilita una transferencia de energía elevada para el devanado del transformador usado como carga.
El resultado es una excelente inducción de alta tensión para la lámpara usada como carga.
El transformador usado puede ser común, común devanado secundario de 6 + 6 a 9 + 9 V y corriente de 500 mA a 1 A y el primario debe tener entrada de 220 V donde se conectará la lámpara.
En este circuito, el transformador opera "al contrario", es decir, el devanado que en las aplicaciones convencionales se utiliza como primario aquí se conecta en la lámpara como secundario.
En la figura 4 mostramos el diagrama completo del indicador sin la fuente de alimentación ya que tanto puede ser una batería como la toma del encendedor de cigarrillos de un automóvil.

La disposición de los elementos principales en una placa de circuito impreso se muestra en la figura 5.

El transistor Q1 debe montarse en un radiador de calor.
El transformador de fuerza es del tipo con 220 V de primario y secundario entre 6 + 6 y 9 + 9 V con cadenas de5oom A 1 A.
Los de 500 mA sirven para lámparas menores (hasta 15 W) mientras que para lámparas más grandes también necesitamos más potencia dada por una resistencia de enrollamiento mayor.
Para el circuito integrado sugerimos la utilización de un zócalo DIL de 14 pines. Los resistores son de 1/8 a 1/4 W y P1 tanto puede ser un trimpot como un potenciómetro si se desea una modificación eventual de velocidad según la utilización.
Los capacitores C1 y C3 son electrolíticos para 16 V y C2 tanto puede ser de poliéster como cerámico.
Este capacitor puede tener valores en el rango indicado y se deben realizar experimentos en el sentido de obtener mayor rendimiento con el transformador y lámparas empleadas.
Los cables de conexión al aparato no deben ser muy finos dada la intensidad de la corriente.
La polaridad se debe observar en la conexión a la alimentación. Un fusible de 3 a 5 A se puede conectar en serie con la alimentación para mayor seguridad.
Para probar el aparato basta con conectarlo a la alimentación. Si usa fuente, debe tener al menos 1 A de capacidad.
Ajuste P1 para obtener los destellos en la frecuencia deseada. Si hay un ligero zumbido en el transformador, pero la lámpara no se enciende, realice la prueba con otra lámpara.
CI-1 - 4093 - circuito integrado CMOS
Q1 - IRF63O - transistores de efecto de campo de potencia
T1 - transformador con primario de 220 V y secundario de 6 + 6 a 9 + 9 V con 500 a 1000 mA - ver texto
P1 - 1 M ohms - trimpot o potenciómetros
X1 - Lámpara fluorescente de 7 a 40 W - ver texto
Resistores, 1/8 a 1/4 W
R1 - 10 k ohms
R2 - 47 k ohms
Capacitores
C1 -10 uF - electrolítico
C2 - 47 o 100 nF-poliéster o cerámico
C3 - 100 uF - electrolítico
Varios: placa de circuito impreso, radiador de calor para el transistor, caja para montaje, conectores para fluorescentes, zócalo DIL para el integrado, hilos, soldadura, conector para batería o encendedor de cigarrillos, etc.



