Un indicador tipo "bargraph" o de barra móvil con 4 LEDs puede ser implementado conectando las cuatro puertas NAND del 4093 como comparadores de tensión. El circuito de la figura 1 muestra cómo se puede hacer.

La red de resistores de R2 a R5 determina el punto de disparo de cada LED, pudiendo los valores de estos componentes ser alterados, según la aplicación.
Los indicadores son LED rojos comunes y la tensión de alimentación del circuito se realiza con tensiones de 6 a 12 V.
Cuando el circuito es alimentado, el capacitor C1 comienza a cargarse lentamente de modo que la tensión en la entrada del indicador bargraph sube lentamente, enciende los LEDs uno a uno hasta que se completa la temporización.
El ajuste de P1 y el valor de C1 determinan la velocidad con la que se produce la temporización. Los valores máximos de P1 están alrededor de 100 k ohmios y para C1, 1 500 uF lo que resulta en una temporización de algunos minutos.
Para iniciar una segunda temporización, se debe esperar unos segundos hasta que el capacitor C1 se descargue. El valor de R5 determina la sensibilidad del circuito, debiendo ser cambiado, si la subida no ocurre hasta el final de la escala (cuatro LEDs encendidos).
En la figura 2 tenemos una placa de circuito impreso para el montaje de ese temporizador.

Entre las aplicaciones posibles para este circuito sugerimos la temporización de jugadas, determinación del tiempo de respuesta de preguntas en competiciones escolares.
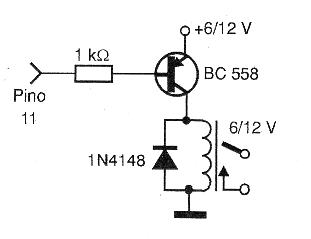
Una adaptación que se puede hacer al circuito es conectar un transistor PNP en el último LED, como muestra la figura 3, y accionar con él un relé al final de la temporización.

El relé debe ser de 50 mA de corriente de bobina, como máximo, y tensión de acuerdo con la usada en la alimentación.
Una escala de tiempos puede ser agregada a P1, sobre la base de las comparaciones hechas con la ayuda de un cronómetro común. El circuito puede ser alimentado por pilas comunes.
Semiconductores:
CI-1 - 4093 - circuito integrado CMOS
LED1 a LED4 - LED rojos comunes
Resistores: (1/8 W, 5%):
R1 - 10 k ohms - marrón, negro, naranja
R2 - 47 k ohms - amarillo, violeta, naranja
R3 - 33 k ohms - naranja, naranja, naranja
R4 - 22 k ohms - rojo, rojo, naranja
R5 - 330 k ohms - naranja, naranja, amarillo
R6, R7, R8, R9 - 1 k ohms - marrón, negro, rojo
P1 - 100 k ohms - potenciómetro
Capacitores:
C1 - 100 uF a 1 500 uF x 12 V - electrolítico
C2 - 100 uF x 16 V - electrolítico
Varios:
Placa de circuito impreso, hilos, soldadura, caja para montaje, soporte de pilas, etc.



