Seleccionamos para esto artículo circuitos osciladores de audio que pueden ser utilizados para las señales rectangulares, pulsos y hasta ultrassons con el circuito integrado 4093.
El circuito integrado 4093 consiste en cuatro puertos NAND disparadoras en un envoltorio DIL de 14 pines con la disposición mostrada en la figura 1.

Cada una de las puertas se puede utilizar de forma independiente en la función original, como osciladores, inversores y amplificadores digitales. La alimentación puede estar entre 3 y 15 V, con un consumo muy bajo.
La corriente máxima disponible en la salida es del orden de 2,25 mA para una alimentación de 10 V.
La frecuencia máxima de las oscilaciones está limitada a algunos megahercios y depende de la tensión de alimentación.
A partir de esas características seleccionamos entonces diversos circuitos que podrán ser modificados conforme a la aplicación deseada por el lector:
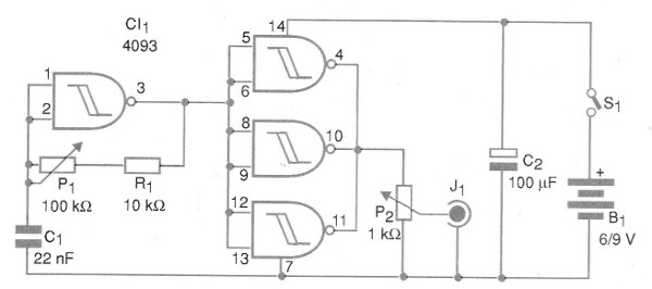
A) Generador de audio
El primer circuito, mostrado en la figura 2, consiste en un oscilador de audio que genera señales entre 100 Hz y 1 kHz aproximadamente con los valores de los componentes seleccionados.

El capacitor C1 determina este rango de frecuencias. Para una aplicación más sofisticada se puede utilizar una llave selectora que coloque en el circuito capacitores de 2,2 nF a 220 nF en tres bandas de frecuencias.
La señal es rectangular y su amplitud se controla en P2. Esta amplitud variará entre 0 V y la tensión utilizada en la alimentación del circuito.
CI-1 - 4093 - Circuito integrado CMOS
R1 - 10 k ohms x 1/8 W - resistencia - marrom, preto, laranja
P1 - 100 k ohms - potenciômetro
P2 - 1 k ohms - potenciômetro
C1 - 22 nF - capacitor cerámico o poliéster
C2 - 100 uF x 12 V - capacitor eletrolítico
S1 - Interruptor simples
B1 - 6 o 9 V - pilas o batería
J1 - Jaque de salida o puntas de prueba
Diversos:
Placa de circuito impreso, soporte de pilas o conector de batería, caja para montaje, cables, soldadura, etc.
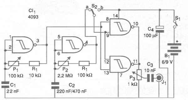
B) Generador Modulado
En la figura 3 tenemos el segundo circuito que hace uso del 4093 como oscilador.

Este circuito genera señales intermitentes de audio, es decir, pulsos de sonido cuya frecuencia se ajusta en P1.
El potenciómetro P2 sirve para ajustar la frecuencia de la intermitencia, básicamente determinada por el valor del condensador C2.
Tanto C1, que determina la frecuencia de la señal de audio como C2 que determina la intermitencia se pueden modificar según las pistas deseadas por el lector.
La intensidad de la señal se controla en P3. En este circuito, un condensador de aislamiento se utiliza para aplicar la señal al circuito externo.
Dependiendo de la aplicación, este componente se puede eliminar.
La señal generada por este circuito está entre 100 z y 1 kHz y es rectangular.
CI-1 - 4093 - Circuito Integrado CMOS
P1 - 100 k ohms - potenciómetro
P2 - 2,2 M ohms - potenciómetro
P3 - 1 k ohms a 10 k ohmios - pote
R1 - 10 k ohms x 1/8 W - resistor - marrón, negro, naranja
R2 - 100 k ohms x 1/8 W - resistor - marrón, negro, amarillo
C1 - 22 nF - capacitor de cerámica o de poliéster
C2 - 220 nF a 470 nF – capacitor de cerámica o poliéster
C3 - 10 nF - capacitor de cerámica o poliéster
C4 - 100 uF x 12 V - capacitor electrolítico
S1 - Interruptor simple
J1 - Jaque de salida
B1 - 6 V o 9 V - 4 pilas o batería
Varios:
Placa de circuito impreso, caja para montaje, soporte de pilas, cables, soldadura, etc.
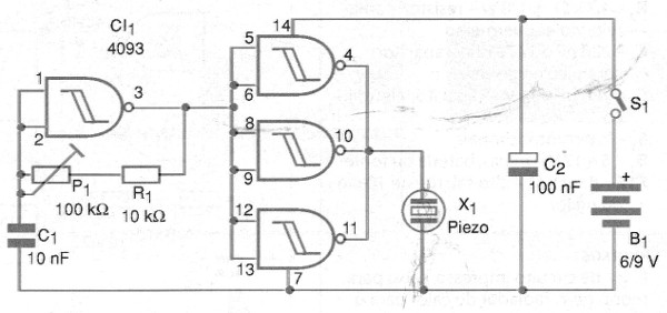
C) Repelente de insectos
Según se afirma, quien pica son los insectos femeninos (mosquitos y otros). Las hembras por otro lado no soportan la competencia, alejándose del lugar en que existen otras hembras.
Así, según fabricantes de repelentes electrónicos de insectos basta emitir un ruido que recuerde el zumbar de la hembra para que sean alejadas y así no piquen a las personas.
Por supuesto, el sistema tiene su eficiencia puesta en duda si tomamos en cuenta que pueden existir insectos "sordos" y que no siempre las hembras que causa problemas se preocupan por el ruido .
Por supuesto, si el lector desea probar el circuito, que se basa en versiones comerciales, vendidas en tiendas de artículos deportivos, el circuito se muestra en la figura 4.

El circuito tiene bajo consumo, así que las pilas o la batería tendrán gran durabilidad.
El transductor es del tipo piezoeléctrico de alta impedancia.
P1 hace el ajuste de la frecuencia que, evidentemente, debe ser hecho experimentalmente. Si el circuito produce sonidos muy altos, un resistor de 10 k ohms a 100 k ohms puede ser conectado en serie con el transductor piezoeléctrico.
El conjunto se puede instalar en una pequeña caja de plástico.
CI-1 - 4093 - Circuito Integrado CMOS
X1 - Transductor piezoeléctrico de alta impedancia
P1 - 100 k ohms - trimpot
R1 - 10 k ohms x 1/8 W - resistor - marrón, negro, naranja
C1 -10 nF - capacitor de cerámica o poliéster
C2 - 100 nF - capacitor de cerámica o poliéster
S1 - Interruptor simple
B1 - 6 V o 9 V - 4 pilas o batería
Varios:
Placa de circuito impreso, soporte de pilas o conector de batería, caja para montaje de hilos, soldadura, etc.
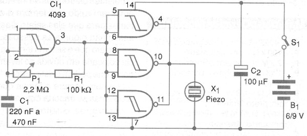
D) Metrónomo 1
En la figura 5 tenemos un circuito que produce pulsos en intervalos regulares, reproducidos en el transductor piezoeléctrico.

La frecuencia de los pulsos se ajusta en P1 y depende básicamente de C1. El lector puede cambiar a voluntad el valor de C1.
El transductor debe ser del tipo piezoeléctrico de alta impedancia. Para los tipos de baja impedancia o altavoz tenemos el siguiente circuito (metrónomo 2).
La alimentación se puede realizar con tensiones de 6 a 12 V obtenidas de pilas, batería o fuente. El consumo es bajo, lo que garantiza una buena durabilidad para las pilas o la batería.
CI-1 - 4093 - Circuito Integrado CMOS
P1 - 2,2 M ohms - potenciómetro
R1 - 100 k ohms x 1/8 W - resistor - marrón, negro, amarillo
C1 - 220 nF o 470 nF - capacitor de cerámica o poliéster
C2 - 100 uF x 16 V - capacitor electrolítico
X1 - Transductor piezoeléctrico
Varios:
Placa de circuito impreso, fuente de alimentación, caja, hilos, soldadura, etc.
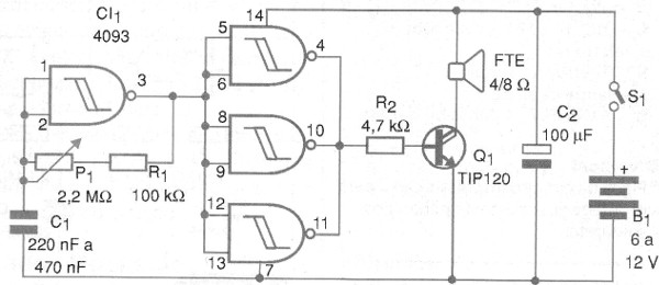
E) Metrónomo 2
El circuito mostrado en la figura 6 es una versión de alta potencia para un metrónomo, excitando un altavoz común. Con alimentación de 12 V podemos tener buen volumen con altavoz de 10 cm.

El transistor debe estar dotado de un radiador de calor. Observamos que, con 9 o 12 V el consumo del aparato es algo elevado, siendo recomendado el uso de fuente con al menos 1 A de corriente.
El ajuste de la frecuencia se realiza en P1 y C1 puede cambiarse según el rango de frecuencias que se va a producir.
CI-1 - 4093 - Circuito Integrado CMOS
Q1 - TIP120 - Transistor NPN Darlington de Potencia
P1 - 2,2 M ohms - potenciómetro
R1 - 100 k ohms x 1/8 W - resistor - marrón, negro, amarillo
R2 - 4,7 k ohms x 1/8 W - resistor - amarillo, violeta, rojo
C1 - 220 nF o 470 nF - capacitor de cerámica o poliéster
C2 - 100 uF x 16 V - capacitor electrolítico
S1 - Interruptor simple
B1 - 6 a 12 V - pilas, batería o fuente
FTE - 4 ó 8 ohms - Altavoz de 10 cm o mayor
Varios:
Placa de circuito impreso, caja para montaje, radiador de calor para el transistor, hilos, soldadura, etc.
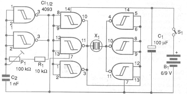
F) Generador Ultrasónico
Si bien la mayoría de los transductores piezoeléctricos comunes tienen una reducción del rendimiento en frecuencias superiores a 10 kHz, las cápsulas encontradas en los tweeters piezoeléctricos pueden llegar a los 20 000 Hz o más.
La idea del circuito mostrado en la figura 7 es utilizar sólo la cápsula de un tweeter piezoeléctrico, del cual el pequeño transformador interno ha sido retirado, para generar ultrasonidos alrededor de 20 kHz.

La frecuencia se determina básicamente por C2 y se ajusta en P1. Sólo tienes que girar P1 hasta el momento en que el silbido agudo producido por el transductor desaparezca. Si esto no se logra, disminuya el valor de C2.
La alimentación del circuito se puede hacer con tensiones de 6 a 12 V y el consumo es bastante bajo, incluso con la emisión continua del con (algo alrededor de 10 mA).
Observe que se utiliza una salida en contrafase para que dos 4093 funcionen como amplificadores digitales, obteniéndose así un buen rendimiento para el circuito.
Una aplicación para este circuito es como espanto-ratones, ya que los roedores son bastante molestados con la producción continua de ultrasonidos. No utilice nunca el circuito en lugares con personas o animales domésticos.
El circuito también puede ser usado como un "llama de perro", recordando que estos animales pueden oír sonidos de frecuencias que no hemos escuchado, como las producidas por este oscilador.
Para usarlo, basta condicionar al animal, enseñándolo a atender a las señales emitidas.
CI-1, CI-2 - 4093 - Circuito Integrado CMOS
X1 - Transductor piezoeléctrico (tweeter) - ver el texto
P1- 100 k ohms - potenciómetro o trimpot
R1 - 10 k ohms x 1/8 W - resistor - marrón, negro, naranja
C1 - 100 uF x 12 V - capacitor electrolítico
C2 - 1 nF - capacitor de cerámica o poliéster
S1 - Interruptor simple o de presión
B1 - 6 a 12 V
Varios:
Placa de circuito impreso, caja para montaje, soporte de pilas o conector de batería, hilos, soldadura, etc.



