Las cintas de LEDs o tiras de LEDs son cada vez más populares tanto en iluminación como en decoración. Disponible con LEDs blancos o en colores e incluso con circuitos que producen efectos, constan de una solución convincente y extremadamente fácil de usar. Sin embargo, requieren atención en la instalación y elegir la fuente correcta. Vea en este artículo algunos consejos sobre cómo trabajar con estas tiras de LEDs.
Los LEDs se reemplazan cada vez más los bulbo convencionales o bombillas (que son ya cosa del pasado) como la iluminación fluorescente y como decoración.
Con un mayor rendimiento, menor tamaño y durabilidad están disponibles en formatos que no son posibles con la bombilla convencional.
Hoy en día, las cintas de LEDs con capacidad adhesiva pueden ser alcanzadas en rollos y utilizadas en cualquier aplicación.

Sin embargo, no es suficiente tener una cinta y enchufarla en una fuente de alimentación para que los LEDs funcionen correctamente. Necesitamos saber cómo hacerlo y sobre todo hacer la correcta elección de la fuente de acuerdo con la cantidad de LEDs que deben ser alimentados.
La Mouser Electronics (WWW.mouser.com) distribuye los productos de uno de los mayores fabricantes de fuentes para LEDs, la Meanwell (WWW.meanwell.com).
Las fuentes de la Meanwell son diseñadas específicamente para la alimentación de cintas LED en una amplia gama de cadenas que depende precisamente del tipo de LED encendido, la longitud de la tira y el tipo de control que eventualmente se desea.

Trabajando con LEDs en cintas
Los LEDs que se adquieren normalmente en forma de cintas están disponibles en rollos de 5 metros con enchufe que permiten la conexión a una fuente de energía, como se muestra en la figura 3.

La fuente de alimentación recomendada para estas tiras de LEDs es de 12 V, pero en usos normales, usted puede conseguir un funcionamiento suave en una gama de voltajes de 9 a 12 V, lo que significa que la fuente no necesita ser estabilizado en una aplicación más simple.
Todavía hay casos donde las cintas están especificadas para operar con 5 V, lo que facilita el control a través de circuitos de microcontroladores. Comprobar en el momento de la compra para alimentar con el voltaje correcto.
La corriente especificada para este rollo de la fuente de alimentación puede ir desde 300 mA a más de 3 A, a acuerdo con la cantidad de LEDs.
Normalmente, cuando usted consigue un rollo de 5 metros, uno puede también adquirir la fuente apropiada para esta cantidad de LEDs sin problemas, pero hay casos donde utilizamos menos LEDs.

En este caso, necesitamos saber cuál es la corriente de cada módulo y dimensiona correctamente nuestra fuente que no necesita de la corriente total de los LEDs alrededor del rollo.
Viendo una cinta de LEDs, como la foto, vemos que ellas tienen marcas de cortes. Estas marcas determinan cómo usar longitudes de cinta más pequeñas con menos LEDs. La cinta debe ser cortada en estos puntos si utilizamos menos LEDs.

Vea también que, para hacer el corte exponemos los contactos de conexión que pueden ser conectados a una fuente.
Por ejemplo, si cada sector de nuestra cinta necesita una corriente de 50 mA (valores típicos de los sectores son entre 15 y 60 mA, dependiendo del tipo), y nos vamos para alimentar 10 sectores (de 50 cm y 1 m, como la cinta), sabemos que la fuente debe proporcionar 12 V x 500 mA.
Si nos fijamos en las cintas, vemos que en todos los sectores tenemos número de LEDs que tienen una resistencia calculada para obtener la corriente deseada.
En una cinta en la que contamos con LEDs blancos, por ejemplo, LEDs RGB (rojo, verde y azul) necesita diversas corrientes, por lo que contamos con 3 resistores de diferentes valores en una conexión como se muestra en la figura 6.

Cada bloque contiene LEDs RGB y luego 3 resistores por lo que, al ser alimentada por 12 V, es aplicada la corriente en cada uno tal que las combinaciones de luces producen blanco.
En las cintas que podemos controlar el color, en lugar de una sola pista para los tres LEDs contamos con 3 pistas que se pueden encender por separado a un circuito de efectos, por ejemplo.
Por lo tanto, nos debemos separar las fuentes simples con sólo dos cables de salida fuentes con mas salidas que pueden ser controlan (DIM), como se muestra en la figura 7.

En los modelos DIM (Dimmable) una señal de control PWM de 0 a 10 V u otra pista hace con que se controle el brillo del LED. Algunos permiten control mediante potenciómetro.
Si vamos a trabajar con diferentes longitudes de segmentos necesita también tener cables con conectores que se adaptan a las cintas.
Estos conectores pueden adquirirse en el mismo lugar en el que se las arreglaron para comprar las cintas. El conector debe ser según el tipo de cinta, es decir, si hay una pista de energía (LEDs de color blanco o negro), o tres senderos a RGB, o de color y así poder hacer la conexión al circuito de control.
Para los tres colores cinta, conexión de la fuente sí mismo se puede hacer como se muestra en la figura 8.

Por supuesto una conexión a través del conector apropiado es mucho mejor, como se muestra en la figura 9.

Algunas empresas venden el conjunto de LEDs con un circuito de efectos automáticos. Normalmente este circuito es dimensionado para controlar la longitud de cinta de LEDs, que deben ser verificadas en el manual del usuario.
Si usted quiere, sin embargo, puede crear el efecto de su Arduino, hacer las conexiones como se muestra en la figura 10 y crear el programa apropiado.
Vea que no podemos usar las salidas de Arduino, porque la corriente no es suficiente para una buena cantidad de LEDs. Necesitamos los transistores que pueden ser el BD135 para corrientes de hasta 500 mA y el TIP31 para corrientes de hasta 2 A, sin olvidar los disipadores de calor y fuente independiente con tierra común, como se muestra en la figura 10.

Meanwell cuenta con una gran variedad de fuentes que se caracterizan por pequeñas dimensiones que una aplicación en decoración requiere, ya que normalmente exige por su resistencia a las aplicaciones externas y por rendimiento, pero una fuente de este tipo debe ser económica.
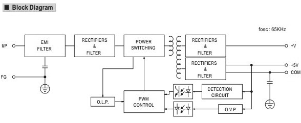
En la figura 11 tenemos el diagrama de bloques típico de una fuente de tipo llaveada Meanwell.

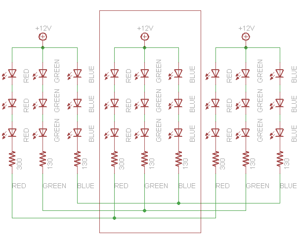
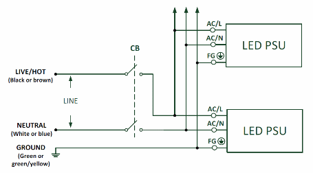
Si alimentamos a un montón de cintas, deben conectarse en paralelo, cada fuente de alimentación la cantidad apropiada de LEDs, como se muestra en la figura 12.

Tenga en cuenta que es muy fácil trabajar con cintas de LEDs utilizando los recursos adecuados.
-Seleccione la fuente correcta para la cantidad de LEDs que se alimentan. Si una fuente no es suficiente, incluso la mayor capacidad de corriente utilice más de uno.
-Corte las cintas en tamaños adecuados utilizando como marcas de referencia.
-Realice la conexión con los conectores apropiados o soldar los cables directamente desde las cintas de la fuente. Tenga cuidado en esta operación no se dañen las cintas
-Use circuitos correctos de efectos, con una capacidad de corriente según la cantidad de LEDs controlados.
-Se usar Microcontroladores sea consciente de las posibles diferencias que pueden ser entre las tensiones de alimentación del circuito.
-Instale a la fuente en lugar ventilado.
En los enlaces de abajo se pueden obtener información acerca de la instalación (en español) en la propia Meanwell propia y cómo comprar fuentes en la Mouser.
Meanwell ( www.meanwell.com )
Mouser Electronics (fuentes para LEDs Meanwell)- http://www.mouser.com/Power/Power-Supplies/_/N-axgi2?Keyword=meanwell+LED&FS=True
Pronto estaremos poniendo en el sitio algunos proyectos simples interesante para efectos en cintas de LEDs.



