¿Necesita un amplificador de buen rendimiento para un receptor de VHF, AM o ondas cortas? ¿Necesita algo alrededor de medio vatio para un intercomunicador portero electrónico o espía? ¿Necesita algo muy simple para un amplificador de prueba para su banco? La solución es el LM380 que puede darle un amplificador completo con sólo dos componentes externos un condensador y el control de volumen!
En este artículo se utiliza un utilitario circuito integrado para todos los lectores que disfrutan de realizar experimentos y montajes electrónicos.- Se trata del LM380 (National - ahora Texas Instruments) que consiste en un amplificador de audio completo de pequeña potencia, que necesita un mínimo de componentes externos y opera en un amplio rango de valores de tensión.
De hecho, puede ser alimentado con tensiones entre 9 y 22 V y su potencia de salida varía entre 0,8 y 4W con altavoces de 4 a 16 ohms.
En la figura 1 tenemos el aspecto de este integrado con su pinza.
Sus características son:
Rango de tensión de alimentación (recomendada): 8 a 20 V
Impedancia de entrada: 150 k ohms
Corriente quiescente: 7mA
Máxima distorsión armónica (18 V x 2 W): 0,2%
Potencia de salida: 0,8 a 4 W
Internamente, este integrado tiene un circuito con 12 transistores, 2 diodos y 7 resistores, además de un condensador de 10 pF.
En la figura 2 tenemos este circuito.

Para elaborar un amplificador completo en torno a este integrado necesitamos pocos componentes adicionales.
1. Amplificador básico
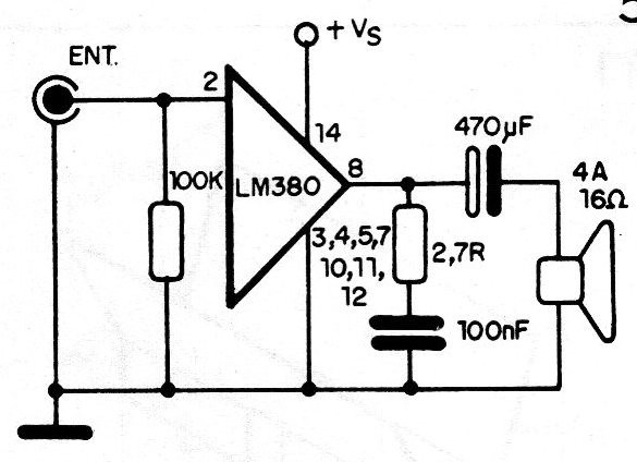
Para tener un amplificador básico con el mínimo de componentes podemos usar el circuito de la figura 3.

El altavoz puede tener impedancias de 4 a 169 y, en función de este valor, así como de la tensión de alimentación, tendremos potencias de salida variando en un buen rango de valores.
Estas potencias pueden ser mejor expresadas por los gráficos dados en la figura 4, junto con la tabla de comportamiento del amplificador.

Observe que estos gráficos se refieren también a las potencias que el componente necesita disipar, lo que significa valores que requieren un buen radiador de calor.
Si el amplificador, en su versión más simple, tiende a oscilar, podemos evitarlo de dos maneras: la más simple consiste en desacoplar el pin de alimentación (14) con la conexión, lo más cerca posible, de un capacitor cerámico de 100 nF a la tierra.
Otra forma se muestra en la figura 5. Este circuito evita oscilaciones en el rango de 5 a 10 MHz que pueden ocurrir en el integrado.

2. Control de volumen
El control de volumen consiste en un simple potenciómetro de 10 k ohmios en la entrada, como muestra la figura 6.

El potenciómetro debe ser logarítmico (Iog) y una radio portátil, u otra aplicación similar, puede incluir el interruptor general para las pilas.
Si tenemos una fuente de señal de alta impedancia como, por ejemplo, un fonocaptor cerámico (cápsula de tocadiscos) podemos cambiar un poco la configuración con un potenciómetro de 25 k ohms conforme muestra la figura 7 en a o aún uno de 2M2 o 2M5 como muestra la misma figura en b.

Vea que la sensibilidad de este tipo de amplificador requiere que los cables de entrada de señal sean blindados con la malla conectada al negativo de la fuente.
3. Control de tono
En un tocadiscos u otra aplicación que involucra la escucha de música es interesante dotar al circuito de un control de tonalidad. Esto se puede hacer de manera muy sencilla con un potenciómetro de 10 k ohmios y un capacitor de 47 nF o 0,05 nF.
En la figura 8 mostramos cómo se puede hacer.

El lector podrá fácilmente experimentar estos circuitos en su matriz de contactos.
Como fuente de alimentación utilice una que proporcione al menos 500 mA de máximo.
4. Puente
La conexión en puente es una técnica muy usada para conseguir más potencia de un amplificador sin modificar muchos elementos del circuito.
Lo que se hace es aplicar una simple relación matemática válida para resistores y que también funciona con un altavoz que opere con señales de audio.
Manteniendo la resistencia (impedancia) fija, si doblamos la tensión, la potencia (tanto en calor como en audio) se multiplica por el doble dos veces, es decir, por 4.
Así, con la utilización de dos amplificadores, pero conectados de modo que operen con fases diferentes, la tensión de las señales en el altavoz dobla y con ello, obtenemos 4 veces más potencia de lo que se lograría con un solo amplificador.
En la figura 9 tenemos la manera de hacerlo con el LM380.

Vea que incluso el condensador electrolítico de acoplamiento al altavoz desaparece en esta configuración.
Con una alimentación de 20 V y altavoz de 16 ohms conseguimos de este circuito una potencia de 7,5W de salida.
Se observa que la señal se aplica al mismo tiempo en los dos integrados, pero mientras uno lo recibe en la entrada no inversora, el otro lo recibe en la entrada inversora.
5. Otras aplicaciones
Los primeros circuitos que mostramos son una excelente sugerencia para etapas de amplificación de receptores de AM, VHF y ondas cortas de configuración simple.
Entre ellos destacamos los VHFs publicados en el sitio.
La única restricción que existe en el caso es en relación con la tensión de alimentación que debe ser como mínimo de 8 V.
Como la corriente consumida a plena potencia es algo elevada, no se aconseja el uso de pequeñas baterías que se gastan rápidamente.
En la figura 10 tenemos un interesante intercomunicador que puede ser usado en la oficina o bien como portero electrónico de buena sensibilidad.

El transformador utilizado puede ser aprovechado de un circuito de válvulas (salidas), o bien puede ser experimentado cualquier transformador de salida para transistores que tenga una relación de espiras de 25: 1.
El uso de altavoces de 8 ó 16 ohmios se recomienda en lugar de los tipos de 4 ohmios, ya que, en un hilo largo, para las bajas impedancias las pérdidas son mayores.
El potenciómetro Rv hace el ajuste de volumen y la alimentación puede provenir de una pequeña fuente de 12 V con corriente de al menos 500 mA.
La clave hablar / oír se encuentra en la estación central y debe ser del tipo "apriete para hablar" de 2 polos x 2 posiciones.
6. Consideraciones finales
Para aplicaciones fijas, en que se dispone de tensiones en el rango de 8 a 22 V con corrientes hasta 500 mA la utilización de este integrado es algo que merece ser estudiado.
Con excelente rendimiento y fidelidad se vuelve ideal para las aplicaciones en las que se necesitan pequeñas y medianas potencias para excitación de un altavoz.
Recordamos que la impedancia de 16 ohms se puede lograr con la simple conexión en serie de dos altavoces de 8 ohms.
En todas las aplicaciones el radiador de calor es indispensable pudiendo ser adquirido listo o incluso "fabricado" en casa a partir de un pedazo de aluminio u otro metal
Ver que se pone en contacto con los pines 4, 5, 10 y 11.
En la figura 11 damos un ejemplo de radiador de calor.

Si este radiador puede ser soldado en estas terminales, tendremos mejor transferencia de calor del integrado al ambiente.
Vea por el diagrama equivalente que los pines 3, 4, 5, y 10, 11, 12 son conectados a la tierra a través del emisor del transistor Q9.
Referencias:
Audio / Radio Handbook - National Semiconductor - 1980 - Dirección: National Semiconductor Corp. - 2900 Semiconductor Drive Santa Clara CA 95051 - USA. (National es ahora parte del grupo de empresas de Texas Instruments.




