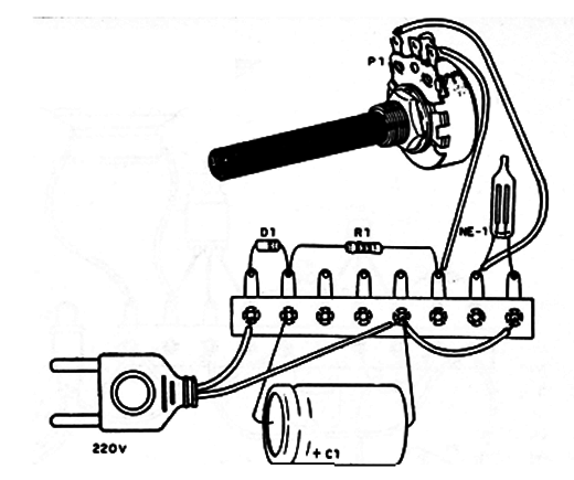
Otra aplicación importante de los circuitos RC como base para temporizadores o timers (figura 1).

Este circuito funciona de la siguiente manera: cuando conectamos la unidad en la red de 110V, el capacitor Cl de 1 a 10uF se carga con una tensión de 150V aproximadamente.
lnmediatamente, desconectamos el aparato dela red, iniciándose la descarga lenta del capacitor a través del resistor R1, de P1 y de la lámpara neón que se mantiene encendida durante el proceso.
La lámpara neón va a permanecer encendida hasta el instante en que la tensión en el capacitor alcance ei punto de mantenimiento, o sea, aproximadamente 6 volt, cuando se apaga.
Por la curva de descarga del capacitor podemos saber, aproximadamente, cuánto tiempo demora entre el instante en que desconectamos la unidad de la red (partida) y el instante en que la lámpara se apaga.
Este tiempo puede ser ajustado por la variación de P1, un potenciômetro que puede ser calibrado en términos de tiempo.
El montaje en un puente de terminales aparece en la figura 2.

El cálculo aproximado del tiempo puede ser dado por la propia constante de tiempo RC:
T = R x C
En el caso de 10 µF y 4M7 tenemos:
T = 4,7 x 10-6 x 10x 105
t = 47 segundos
En la práctica obtenemos menos, pues existen fugas naturales entre las armaduras de los electroliticos que aceIeran la descarga.
Timer transitorizado
Presentamos un interesante circuito temporizador que también tiene por base una red RC (figura 3).

El funcionamiento es el siguiente: cuando apretamos S1, el capacitor C1 se carga con la tensión de batería (6V), pasando enseguida a descargarse vía R1, R2 y por los circuitos de base de los transistores además de R3 y el LED.
La pequeñísima corriente de descarga es amplificada por los transistores, de modo que, en R3 y en el LED tenemos la suma de la corriente de descarga del capacitor con las corrientes de emisor de los transistores.
La velocidad de descarga no depende solamente de R1, R2 y R3, además del LED, en este circuito. Los transistores están conectados en una configuración llamada 'Darlington' en que se obtiene una enorme ganancia de corriente y también una elevación de la impedancia de entrada.
Así, el factor de ampliación de los transistores, del orden de 200 veces, queda multiplicado por él mismo, obteniéndose una ganancia de 40.000 veces!
La impedancia de entrada. será dada por este número multiplicado por 330 ohm que es aproximadamente la resistencia de carga del circuito.
Tenemos entonces una resistencia de 13,2 M ohm, aproximadamente, por donde se hace la descarga del capacitor. El resistor de 100k poco influye en el circuito conforme será constatado por el montador.
Con 2,2 µF y 13,2 M obtenemos un tiempo de descarga muy largo, que puede ser calculado aproximadamente por la fórmula:
T = R x C
T = 2,2 x 10-6 x 13.2 x106
T = 29,04 segundos
En la práctica podemos obtener bastante más por dos motivos: el primero es porque la ganancia del BC548, en realidad, varia entre 125 y 800. y si el lector "la pega" con dos de ganancia alta (500, por ejemplo), en lugar del factor 40.000 en el cálculo de la resistencia. tendremos 250.000.
El segundo factor es que el LED no se apaga propiamente de repente, sino gradualmente, lo que nos lleva a un mínimo bastante más allá del valor de la constante de tiempo.
En la figura 4 tenemos el montaje de este circuito experimental en un puente de terminales.

Valores mayores de capacitores para C1 permiten obtener largos intervalos de tiempo. iExperimente!
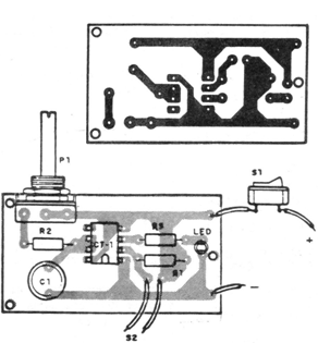
Timer Integrado
El timer que damos al final as bastante más preciso que los demás, y funciona a partir de un integrado 555 (figura 5).

Su funcionamiento es el siguiente: cuando presionamos S2, el integrado dispara, ocurriendo la conmutación que enciende el LED. EI pin 3 del integrado pasa a tener una tensión positiva.
El tiempo en que esta tensión permanece disponible en el LED depende de la constante de tiempo dada por P1, R2, y el capacitor.
La fórmula para el monoestable 555 es la siguiente:
T = 1,1 x R X C
Así, para nuestro timer tenemos los siguientes limites:
a) Tiempo mínimo:
T = 1,1 x 10 x103 x 100 x10-6
T = 1100 x10-4
T = 1,1 segundo
b) Tiempo máximo
T = 1,1x106 x 100 x10-6
T = 110 segundos
Valores para el capacitor por encima de 1000uF no son aconsejables pues pueden ocurrir fugas, que inestabilizan el funcionamiento.
En la figura 6 tenemos la sugerencia de placa de circuito impreso para este montaje.




