Las llaves de silicio unilaterales (SUS) son circuitos integrados moliticos que poseen características semejantes a los tiristores, permitiendo el desarrollo de diversos proyectos de conmutación. Presentamos en este artículo a las llaves unilaterales de silicio 2N4987 y 2N4990 con algunas aplicaciones interesantes.
Las llaves unilaterales de silicio, abreviadamente SUS (Silicon UniIateral Switch), son dispositivos semejantes a diodos ideales de 4 capas, con circuito equivalente y símbolos que aparecen en la figura 1.

Este componente es proyectado para conmutar con una tensión de 8 V y un coeficiente de temperatura de apenas 0,02%/ºC. Un terminal de compuerta (gate) está previsto para compensaciones externas y también para fijar tensiones de disparo más bajas, además de obtener formas de ondas libres de transitorias.
EI 2N4987 y 2N4990 son SUS fabricados por GE, además de otros, con la cubierta que aparece en la figura 2.

Sus principales características son:
- Disipación máxima de potencia: 300mW
- Tensión inversa de pico máxima: -30V
- Corriente DC directa máxima: 175mA
- Corriente DC de gate máxima: 5mA
- Características eléctricas (25ºC): ver tabla1

En la figura 3 damos un gráfico de las características estáticas del SUS.

Algunas curvas para los tipos citados aparecen en la figura 4.

Circuitos prácticos
Divisor binario: diversos SUS se pueden usar para hacer una cadena de flip-flops que forman el divisor binario de la figura 5.

En la salida B de cada circuito tenemos una serial libre de, transitorias.
Control de velocidad para motores: el circuito presentado utiliza un 2N4990 para determinar el punto de disparo del SCR en cada semiciclo de la tensión de alimentación alternante.
El SCR puede ser de cualquier tipo para uso general con corriente de 3 a 6A y disparo en la faja de 200uA a 1 mA, como los de la serie TlC106, C106 ó equivalente (figura 6).

Generador de pulsos: el circuito de la figura 7 permite que se obtenga un pulso muy agudo a partir de una transición lenta de tensión.

Se usa para la obtención del pulso de energía almacenada en un capacitor.
Vea que podemos tanto producir pulsos positivos como negativos, dependiendo de la configuración.
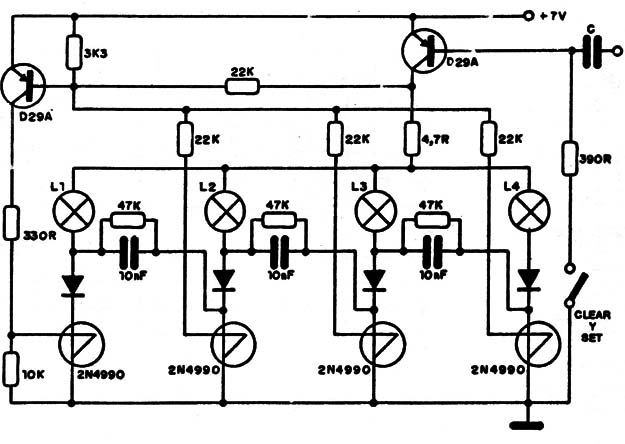
Contador en anillo para lámparas incandescentes: tenemos finalmente un circuito de contador que activa lámparas incandescentes de baja potencia con alimentación alrededor de 7 V (figura 8).

Los transistores citados son de GE, pero pueden ser usados equivalentes como por ejemplo los BC558.



