Este circuito emite una señal de FM modulada cuando se activa un sensor. La señal se puede captar a una distancia superior a 100 metros, dependiendo de las condiciones locales de propagación y de la sensibilidad del receptor. Se pueden utilizar varios tipos de sensores.
Lo que este circuito hace es emitir una señal continua que puede ser monitoreada en una radio FM común, hasta el momento en que un sensor es activado.
Cuando esto ocurre, la señal es modulada por un tono intermitente de audio que indica que el sistema se ha disparado.
El pequeño transmisor usado tiene un buen alcance y alimentado por un conjunto de pilas, puede permanecer encendido durante horas.
Para una operación continua se puede utilizar una fuente de alimentación pequeña de 6 V.
El circuito es simple y varios sensores pueden ser utilizados, como muestra la figura 1.

Estos sensores posibilitan el uso de la alarma en diversas aplicaciones en las que se hace un monitoreo inalámbrico.
Como funciona
Para la modulación utilizamos dos puertos del 4093 para generar un tono de audio y la intermitencia.
Los resistores R2 y R3 de estos circuitos pueden ser alterados.
Los osciladores en cuestión son disparados por la acción del sensor X1.
Ellos entran en funcionamiento ya sea cuando cortocircuitos los terminales 1 y 2, ya sea cuando la resistencia entre ellos disminuye.
La señal de modulación se amplifica digitalmente por las otras dos puertas del circuito integrado y se aplica a un paso transmisor.
Esta etapa que permanece permanentemente conectada emitiendo una portadora está formada por un solo transistor y la frecuencia determinada por el ajuste de CV.
Montaje
En la figura 1 tenemos el diagrama completo de la alarma inalámbrica.

La placa de circuito impreso se muestra en la figura 2.
Los capacitores deben ser cerámicos, excepto C2 que es un electrolítico para 6 V o más.
Los resistores son de 1/8 W y el trimmer puede ser de tipo más moderno de plástico, alterando el diseño de la placa de circuito impreso para recibir este componente.
La bobina consiste en 4 espiras de hilo rígido telefónico (par trenzado) con un diámetro de 1 cm.
La antena puede ser tanto del tipo telescópico como un pedazo de hilo rígido (el mismo de la bobina) de 20 a 40 cm de longitud.
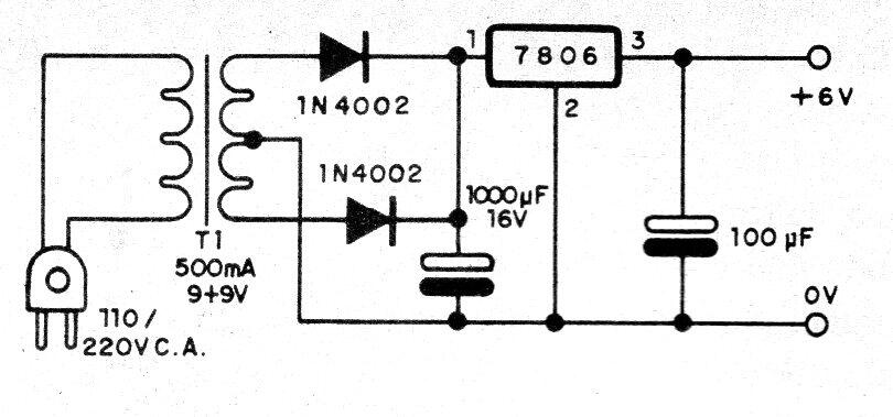
En la figura 3 damos una fuente de alimentación para el circuito.
El transformador tiene 6 + 6 V de secundario, con corriente entre 100 y 500 mA.
Prueba y uso
Para probar, conecte en las proximidades una radio FM sintonizada en frecuencia libre.
A continuación, ajuste CV de la alarma para capturar esta señal.
Colocando en corto por un instante 1 y 2 de la alarma, debe haber la emisión de sonido por el receptor.
Comprobado el funcionamiento, es sólo hacer su instalación definitiva en el lugar deseado.
La antena debe estar en posición vertical, lejos de objetos metálicos que puedan afectar la transmisión de la señal.
CI-1 - 4093 - circuito integrado
Q1 - BF494 - transistores NPN de uso general
L1 - Bobina - ver el texto
A - antena - ver texto
B1 - 6 V - 4 pilas pequeñas
S1 - Interruptor simple
CV - trimmer de 2-20 a 4-40 pF
X1 - sensor - ver texto
R1 - 1 k ohms a 1 M ohms - según sensor - resistencia
R2 - 47 k ohms - resistor - amarillo, violeta, naranja
R3 - 2,2 M ohms - resistor - rojo, rojo, verde
R4 - 10 k ohms - resistor - marrón, negro, naranja
R5 - 6,8 k ohms - resistor - azul, gris, rojo
R6 - 47 ohms - resistor - amarillo, violeta, negro
C1 - 47 nF - cerámico o poliéster
C2 - 1 uF a 4,7 uF - electrolítico
C3, C4 - 10 nF - cerámicos
C5 - 4,7 pF - cerámico
C6 - 100 nF - cerámica
Varios:
Placa de circuito impreso, material para fuente, sensores, hilos, soldadura, etc.





