Este circuito consiste en una etapa reforzadora de audio, un circuito controlador que a partir de una entrada de 0,1 a 1 W produce una salida de 2 a 10 W. El circuito se puede utilizar con pequeños radios, MP3 y otros equipos a pilas como reforzador.
Este circuito consiste en una etapa push-pull clase B con dos transistores de potencia, funcionando común reforzador de audio.
La etapa es del tipo tradicional con transformadores, pero utilizando un altavoz de al menos 10 cm, se consigue buena calidad de sonido.
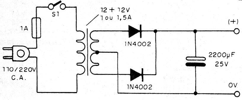
Dada la corriente requerida, se utilizará una fuente de alimentación de al menos 1 A.
Para una versión estéreo, se deben montar dos canales similares y la fuente debe suministrar al menos 2 A de corriente.
Como funciona
En la figura 1 tenemos el circuito de una etapa básica en push-pull, del tipo encontrado en muchos radios y amplificadores antiguos.
En este circuito se utilizan transistores iguales, pero un transformador de entrada aplica a sus bases la señal de audio a ser amplificada con las fases invertidas.
Con ello, mientras que un transistor amplifica los semiciclos positivos de la señal, el otro amplifica los semiciclos negativos.
Las señales amplificadas aparecen en los colectores de los transistores teniendo por carga el devanado de baja tensión de un transformador y el altavoz.
El transformador es necesario porque la carga de cada colector debe ser diferente, lo que requeriría un altavoz con toma central, lo que no existe.
Montaje
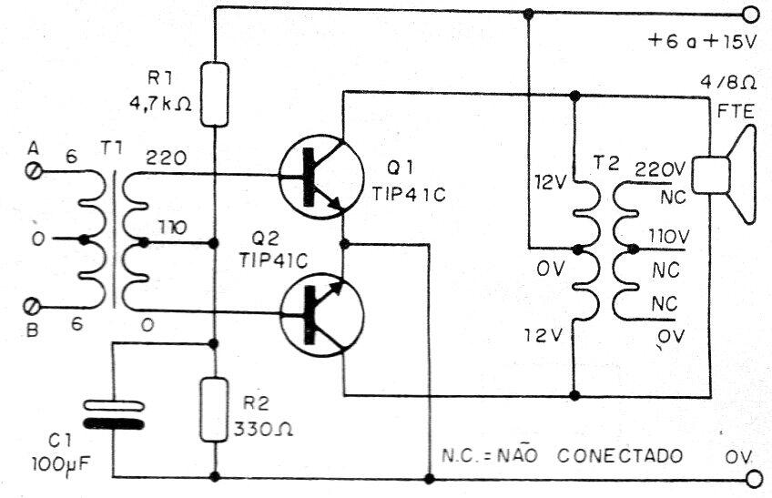
En la figura 2 tenemos el circuito completo del amplificador.
Como se utilizan pocos componentes pequeños, el montaje se puede hacer en un puente de terminales como se muestra en la figura 3.

T1 es un transformador con un primario de 110V / 220 V y secundario de 6 + 6 V y corriente entre 200 y 500 mA.
T2 es un transformador con secundario de 12 + 12 V y corriente entre 500 y 800 mA. El primario no importa ya que no se utilizará.
Los transistores deben estar dotados de disipadores de calor.
En la figura 4 tenemos una sugerencia de fuente de alimentación que utiliza un transformador de 12 + 12 V con 1 A de corriente.
Para probar, conecte la salida de audio de una pequeña radio a la entrada del amplificador.
Ajuste el volumen para obtener una reproducción fiel en el altavoz.
Q1, Q2 - TIP31 - transistores NPN de potencia
T1, T2 - Transformadores - ver texto
R1 - 470 ohms x 1/8 W - resistor - amarillo, violeta, marrón
R2 - 330 ohms x 1/8 W - resistor - naranja, naranja, marrón
C1 - 100 uF x 16 V - capacitor electrolítico
FTE-4 o 8 ohms - altavoz de 10 cm o mayor
Varios:
Puente de terminales, fuente, disipadores de calor, hilos, soldadura, etc.






