La elevada resistencia de entrada de los amplificadores operacionales con FET dela serie TL070 de Texas Instruments permite la realización de proyectos interesantes como este: una fuente de alimentación que no usa potenciómetros u otros dispositivos para el control de la tensión y si en cambio el toque de sus dedos en sensores. Se usan dos sensores, uno para elevar y el otro para bajar la tensión exactamente hasta el nivel que usted desee en la salida.
Sin potenciómetros de control en la salida, esta fuente mantiene su tensión en función de la carga de un capacitor. Como la corriente que el amplificador operacional con FET exige, para tornar esta tensión de referencia, es extremadamente baja, pues, su resistencia de entrada es de 1012 Ω, el capacitor se mantiene por horas con la misma tensión que es fijada por el toque de sus dedos.
Se trata de una fuente evidentemente experimental, pues, para alimentar circuitos en que se exige gran estabilidad de tensión, el sistema no sirve.
Usando un transformador de 12V x IA podemos obtener tensiones de salida de poco más de 12V, pero nada impide seguir usando un transformador de 15V, y hasta incluso de 20V para obtener, una tensión mayor de salida en el limite.
El integrado CA314O puede usarse, también en esta versión, pues, se trata de un amplificador operacional con FET en la entrada (figura 1).

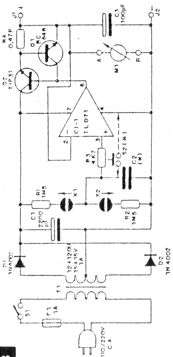
El circuito
La idea básica es simple: un operacional controlando la tensión de salida vía dos transistores, uno de los cuales es de En este caso, sin embargo, como el amplificador operacional tiene una elevada resistencia de entrada, podemos usar para la referencia, no un diodo zener como se hace normalmente, sino un capacitor cargado con la tensión que se desea en la salida.
La elevada resistencia de entrada del operacional impide que la carga del capacitor disminuya, alterando así en periodos cortos la tensión de salida.
Lo que ocurre normalmente es la perdida de esta carga por fugas o por la propia resistencia del aire, pero eso lleva mucho tiempo para ocasionar preocupación.
La preocupación mayor es la elección del C2 que debe ser obligatoriamente de poliéster (de buena calidad), con valores entre 2,2uF y 5,6uF
En el prototipo usamos un capacitor de 5,6 µF que mantiene la carga por largos intervalos de tiempo.. tiempo, sin alteración sensible de la tensión de salida.
Para cargar y descargar el capacitor con la tensión de referencia (deseada en la salida) usamos el proceso del toque. Tenemos entonces dos sensores conectados a los resistores de 1M5, lo que permite un traslado de mínimo máximo y viceversa, del orden de 10 segundos.
Tocando en X1, la corriente carga al capacitor, elevando así la tensión de referencia. Tocando en X2 ocurre la descarga.
El interruptor S2 de presión es optativo, pudiendo ser usado para descargar el capacitor C2 cuando desconectamos la fuente, garantizando así que, cuando la misma es conectada de nuevo la tensión parta de cero en la salida.
El transistor Q1 es un sensor de tensión que realimenta el integrado, proveyendo así la polarización para la salida.
Entre los puntos A y B, que corresponden a la salida, podemos conectar tres tipos de indicadores.
El más simple consiste en un indicador de hierro móvil, de costo bajo, con escala de 0-15 o más, conforme al tipo de transformador usado. Recordamos, sin embargo, que este tipo de indicador no es muy preciso, pero posee bajo costo en relación a los demás.
Otra posibilidad consiste en conectar un multímetro en la escala de, tensiones DC para monitorizar la salida de tensión, pero en este caso quedará ocupado imposibilitando otro tipo de aplicación simultánea.
Finalmente, tenemos la posibilidad de conectar un VU-metro de 200uA o incluso de 1mA, con una escala previamente preparada para medir la tensión de salida.
Se debe usar un trimpot de ajuste, como muestra la figura 2.

Hacer el ajuste del trimpot resulta fácil. En la salida de la fuente conecte, también, el multímetro en la escala DC-volts que permite leer la tensión máxima.
Ajuste la fuente para la tensión máxima, y, al mismo tiempo, el trimpot para que el VU vaya hasta el fin de 1a escala. Vea a cuanto corresponde esta indicación en el propio multímetro, anotando el valor en el VU.
Después basta dividir en partes iguales la escala, anotando los valores correspondientes.
Montaje
El diagrama completo de la fuente con control por toque aparece en la figura 3.

Podemos realizar la parte básica del proyecto en una placa de circuito impreso, como muestra 1a figura 4.

Para el circuito integrado podemos usar un soporte (soquet) y para el Q2 se debe emplear un buen disipador de calor.
C1 debe tener una tensión. De operación, por 10 menos 100% mayor que la tensión del transformador usado. Sugerimos 2.200uF x 25V para transformadores de 12V y 2.200uF x 35V para un transformador de 15V.
Los sensores pueden ser fijados en el propio panel de la fuente, habiendo diversas posibilidades para esto.
Sugerimos la configuración mostrada en la figura 5, consistente en 4 tomillos de bronce que proporcionan buen contacto al toque.

Otra posibilidad consiste en el uso de un panel de circuito impreso, conforme al diseño.
En el diagrama no incluimos un LED para monitorización, pero puede emplearse, recordando que debe ser conectado inmediatamente después del D1 en serie con un resistor de 1k5.
El resistor R4 debe ser de alambre con por 10 menos 1 watt de disipación y C3 puede tener una tensión de trabajo de 25V.
Los resistores son todos de 1/8 o 1/4W, excepto R4, como ya explicamos.
Prueba y uso
Para la prueba el procedimiento es simple. Conecte la alimentación, accionando S1.
Conecte un multímetro o voltímetro en la salida, sino lo tuviera ya incorporado.
Toque inicialmente en el sensor Xl . La tensión de salida debe subir lentamente hasta alcanzar el máximo. Tocando en X2 la tensión debe caer. El ascenso o descenso debe parar inmediatamente cuando dejamos de tocar los sensores.
Si la tensión cae después que dejamos de tocar los sensores, es señal que el capacitor C2 presenta fugas y debe ser sustituido.
Para usar la fuente tenga en cuenta la polaridad de salida y principalmente los limites de corriente. No conecte cargas que consuman más que lo previsto.
Para usar la fuente tenga en cuenta la polaridad de salida y principalmente los limites de corriente.
Cuando conecte aparatos electrónicos en la salida, proceda siempre del siguiente modo: ajuste antes la tensión para después accionar el aparato alimentado y nunca lo contrario.




