Los montajes interesantes, accesibles y que emplean componentes que se obtienen con facilidad, siempre fueron el fuerte de nuestros artículos. Seguiremos en la brecha y para eso presentamos un micro-transmisor de FM, un micro-amplificador y una fuente de alimentación.
MICROTRANSMISOR DE FM
El proyecto es el de un excelente micro-transmisor de FM. Con él podrá transmitir su voz hasta un radio de unos 50 metros o más, jugando al periodista viajero, agente secreto, o utilizándolo en grabaciones sin necesidad del incómodo cable del micrófono.
EI circuito opera solamente con dos pilas (3V) y el micrófono es de una excelente sensibilidad. Este proyecto presenta mejoras sobre algunos otros.
Montaje
La figura 1 presenta el diagrama completo del aparato, y observen que el transistor puede ser un BF494.o un BF 495.

EI diseño de la placa del circuito impreso en tamaño natural y la identificación de los terminales de conexión del micrófono de dos terminales aparecen en la figura 2.

El conjunto puede instalarse en una cajita de plástico. No use caja de metal porque el circuito se desestabiliza.
La antena es un pedazo de alambre rígido de unos 5 a 15 cm.
La bobina L1 se enrolla en un lápiz y está formada por 4 vueltas de alambre rígido, común o barnizado, grueso (18 a 22) con toma en la segunda espira.
Observe la posición del trimmer de porcelana, con la armadura externa del lado de la conexión a S1. Si hubiera inversión, el circuito podría ser inestable, sobre todo para el ajuste.
Prueba y Uso
Conecte un receptor de FM en las proximidades, a medio volumen, en una frecuencia en la que no haya estaciones.
Con una llave de plástico o de madera (especial para el ajuste de bobinas) gire el tornillo de CV hasta captar la señal más fuerte del transmisor. Decimos la más fuerte porque puede que se capte más de una.
Aléjese hablando por el micrófono y retoque la sintonía del receptor para verificar ei alcance.
Si tuviera dificultades en el ajuste, retire la bobina y enróllela de nuevo con una espira más o una espira menos.
No hable con el FM a todo volumen ni muy cerca pues se produce una realimentación acústica (microfonía) y se produce un. ruido como pitada fuerte.
Q1 - BF494 ó BF 495 – transistor de RF
Mic - Micrófono de electret de dos terminales
LI - bobina ( ver texto)
B1 - 3V- dos pilas pequeñas
R1 - 1k x 1/8 W- resistor (marron, negro, rojo)
R2 - 4k7x 1/8 W- resistor (amariIlo, violeta, rojo)
R3 - 3k9x 1/8 W- resistor (naranja, blanco, rojo)
R4 - 47 Ω x 1/8 W – resistor (amarillo, violeta, negro)
C1- 1 µF x 6 V ó más – capacitor electrolítico
C2- 2n2 (222) - capacitor cerâmico
C3 - 3p9 ó 4p7 - capacitor cerámico (disco)
C4- 100 nF (104) capacitor cerámico
S1 - interruptor simple
Varios: placa de circuito impreso, caja para montaje, alambres, soldadura, soporte para 2 pilas pequeñas, etc.
MICROAMPLIFICADOR
Presentamos un micro-amplificador que va a agradar a los lectores.
Funciona con tensiones entre 3 y 12 V y proporciona una banda de potencias entre 100 mW y 1 W, pudiendo usarse para reforzar las señales de radios pequeñas, como etapa de un tocadiscos o un intercomunicador, o en el taller para probar diversos equipos.
Montaje
En la figura 3 tenemos el diagrama completo del micro-amplificador.

Los transistores Q3 y Q4 deben elegirse según la tensión de alimentación, en la forma siguiente:
3 volts à 6 volts
Q3 = BC237, BC238, BC239, BC547, BC548, BC549, BC337, BC338
Q4 = BC557, BC558, BC559, BC560, BC327, BC328
9 o 12 volts
Q3 = BC635, BC637, BC639
Q4 = BC638, BC640, BC636
La placa del circuito impreso se muestra en la figura 4.

Los diodos D1 y D2 pueden ser de cualquier tipo de silicio, de uso general, como los 1N4148, 1N4001, etc.
Eventualmente habrá que cambiar el resistor R4 si se notara quela corriente de reposo es alta. Se puede decir que debe estar en la franja entre 470 Ω y 2k2.
La Colocación provisoria de un trimpot de 2k2 en lugar del resistor, con un resistor de 470 Ω, en serie, para el ajuste, es una solución que permite obtener mejor desempeño.
Los capacitores electrolíticos deben tener tensiones de trabajo Un poco mayores que la tensión de alimentación elegida.
El resistor R3 también influye en la corriente de reposo y en el desempeño del amplificador, pudiendo cambiarse eventualmente en la franja entre 220 k y 1M5.
Prueba y Uso
Conecte el amplificador a una fuente con buen filtrado de 6 V (entre 6 y 12 V), con capacidad de corriente de por lo menos 500 mA o a un grupo de pilas.
En la salida conecte un altoparlante de 4 u 8 Ω, de buena calidad.
Aplique la señal en la entrada. Esta señal puede provenir de un tocadiscos con cápsula de cristal, un micrófono de cristal, una radio pequeña, un grabador.
En la radio y en el grabador la serial puede tomarse de la toma de sonido o monitor.
En la figura 5 damos el procedimiento para agregar un control de volumen.

La reproducción debe salir normal y alta, sin distorsión. Si se produjeran distorsiones, trate de alterar el valor de R4 y R3.
Encuentre el punto ideal de funcionamiento para tener el mejor desempeño de un micro-amplificador.
Arme dos unidades para tener un sistema estereofónico.
Q1, Q2 - BC548
Q3 - ver texto
Q4 - ver texto
D1, D2 - 1N4148 ó equivalentes - diodos de silício
R1 - 2M2 x 1/8 W- resistor (rojo, rojo, verde)
R2 - 10k x 1/8 W - resistor (marrón, negro, naranja)
R3 – 1 M x 1/8 W- resistor ( marrón, negro, verde) ver texto.
R4 - 470 Ω x 1/8 W- resistor ( amarillo, violeta, marrón ) ver texto.
C1 – 100 nF (104) - capacitor cerâmico
C2 - 4n7 (472) - capacitor cerâmico
C3 - 10 µF - capacitor electrolítico
C4 - 200 µF - capacitor electrolítico
C5 - 10 pF - capacitor electrolítico
Vários: placa de circuito impreso, altoparlante de 4 u 8 Ω, alambres, fuente de alimentación, potenciômetro de volumen (ver texto), etc.
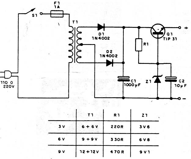
FUENTES DE ALIMENTACIÓN
Siempre resultan de gran utilidad las fuentes de alimentación chicas y sin pilas.
Lo que proponemos a los lectores es un circuito básico de fuente que puede proporcionar tensiones de 3, 6 o 9 V con corrientes hasta de 500 mA, sirviendo para alimentar radios pequeñas, grabadores, walkman, etc.
EI circuito no tiene nada de difícil y puede instalarse en una caja para facilitar su uso.
El único punto importante es la colocación de los alambres de alimentación cuya polaridad debe respetarse, sobre todo en el caso en que se usen jacks o plugs.
Montaje
En la figura 6 damos el diagrama básico de la fuente.

Observe que T1, R1 y Z1 tienen valores que dependen de la tensión deseada en la salida. Para saber cuál es la tensión del aparato que debe alimentarse hay que tener en cuenta que cada pila significa 1,5 V.
En la figura 7 tenemos el aspecto real del montaje.

Observe la polaridad de los diodos D1 y D2, del zener Z1 y de los capacitores electrolíticos C1 y C2.
EI transformador debe tener un enrollamiento primario de acuerdo con la red local, y uno secundario según la tensión deseada, y corriente de 500 mA.
EI radiador de calor del transistor consiste en una chapa de metal de unos 3 x 3 cm, fijada por medio de un tornillo.
Prueba y uso
Para probar basta conectar en la red y si el lector tuviera un multímetro, debe verificar la tensión en la salida. Dicha tensión no debe ser mayor ni menor en 10% que la deseada.
En especial recomendamos este tipo de fuente para obviar el uso de baterías de 9 V que son caras y de duración más bien corta.
Q1 - TIP31 - transistor de potencia NPN
D1, D2 - 1N4002 ó IN4004 - diodos de silicio
Z1 - ver texto - diodo zener de 400 mW tensión conforme ala salida deseada.
C1 - 1000 µF x 16 V - capacitor electrolítico
C2 - 10 µF x 16 V - capacitor electrolítico
F1 - fusible de 1 A
R1 - ver texto - conforme la tensión de salida
S1 - interruptor simple
Varios: soporte para fusible, cable de alimentación, caja pm montaje, puente de terminales, alambres, soldadura, etc.



