Este circuito hace que un conjunto de lámparas incandescentes formando una barra parpadeante acompañando el sonido de un amplificador. El circuito puede ser utilizado en salones de fiestas, conjuntos musicales y teatro.
Las lámparas incandescentes ya no se utilizan en iluminación, pero podemos encontrar los tipos de colores para la decoración.
El circuito presentado utiliza estas lámparas para obtener un efecto de barra móvil, como en muchos aparatos de sonido, pero en un tamaño mucho mayor.
El circuito soporta hasta 100 W por canal, lo que significa que varias barras se pueden accionar al mismo tiempo, utilizando lámparas más pequeñas.
Con lámparas de 25 W podremos tener hasta 4 barras, sin problemas de sobrecarga.
El circuito utiliza SCRs para controlar las lámparas, lo que hace la configuración bastante barata y fácil de montar.
Sin embargo, la conmutación rápida de los SCR tiende a generar ruidos que pueden aparecer en amplificadores, receptores y otros aparatos, siendo conveniente utilizar un filtro.
Este filtro se muestra en la figura 1, donde también damos los detalles de las bobinas.

Como funciona
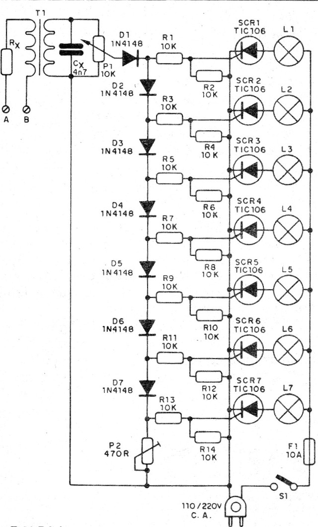
Una red de diodos polarizados en el sentido directo forma un divisor de tensión en que cada punto tiene una tensión de 0,6 V a 0,7 V mayor que el anterior.
Así, aplicando la señal de audio a través de un transformador, la tensión de la señal se divide por el circuito de modo que tenemos valores escalonados que sirven para disparar los SCR.
Si la señal es poco intensa, sólo los primeros diodos tendrán suficiente tensión para disparar los SCR y así quedarán pocas lámparas.
Con la señal fuerte, más diodos tendrán suficiente tensión para el disparo y más lámparas se encender.
Con la oscilación de la señal, los SCR disparados también acompañarán de modo que las lámparas producir un efecto similar a una barra que corre o barra móvil.
El circuito funciona tanto en la red de 110 V como 220 V, basta con escoger los SCR apropiados, sufijo B o D para la red de 110 V y D para la red de 220 V.
Montaje
En la figura 2 tenemos el diagrama completo del VU Luminoso Gigante.

El montaje se realizará en una placa de circuito impreso con la disposición de los componentes mostrada en la figura 3.
Los SCR deben estar dotados de disipadores de calor de acuerdo con la potencia de las lámparas controladas.
En general, pequeña s chapas dobladas mi sirven.
En el montaje, observe las posiciones de los SCR y la polaridad de los diodos.
El transformador puede ser cualquier pequeño transformador de fuente con secundario de 6 a 12 V y corriente de 200 a 600 mA.
En el secundario de baja tensión debe ser conectado un resistor que depende de la potencia del amplificador, conforme la tabla dada a continuación.

El potenciómetro sirve de ajuste para el punto de funcionamiento, según el volumen de la música.
Los resistores son de 1/8 W con cualquier tolerancia y el único capacitor tiene un valor que depende de la respuesta de frecuencia deseada.
Los capacitores más pequeños hacen que el circuito tienda a responder más a los sonidos agudos.
En la figura 4 tenemos el modo de conectar el aparato a uno de los canales de un amplificador.

Para una versión estéreo, conecte un circuito a cada uno de los canales del amplificador.
Para probar, ajuste P1 y P2 para obtener la mejor banda de accionamiento.
Para usar, cada cambio de volumen del amplificador, P1 debe ser reajustado.
SCR1 a SCR7 - TIC106 B o D - ver texto
D1 a D7 - 1N3148 - diodos de uso general
T1 - Transformador - ver texto
Rx - ver tabla y texto
L1 a L7 - Lámpara incandescentes de 5 a 100 W
P1 - 10 k ohms - potenciómetro
P2 - 470 ohms - trimpot
R1 a R14 - 10 k ohms - resistores - marrón, negro, naranja
S1 - Interruptor simple
FI - Fusible de acuerdo con la cantidad de lámparas - 5 a 10 A
Varios:
Placa de circuito impreso, radiadores para los SCR, sockets para las lámparas, cable de fuerza, soporte para fusible, caja para montaje, hilos, soldadura, etc.




