Para ayudar a quienes tienen que conferenciar ante un gran público, describimos un equipo indispensable que les proporcionará grandes potencias con mayor facilidad, en sus equipas de sonido, mejor fidelidad de reproducción y la posibilidad de usar dos o más micrófonos al mismo tiempo y además tocadiscos, grabadores, etc. Simple para armar, puede acoplarse a cualquier tipo de amplificador o conjunto de amplificadores.
Nota: el artículo es de 1990, mas fue revisado en 2016.
Uno de los problemas que enfrentan los que desean sonido de gran potencia, es el de la excitación, a partir de una sola fuente, de diversos amplificadores.
¿Cómo conectar un micrófono a un conjunto de amplificadores de manera de excitarlos convenientemente y obtener el máximo de cada uno? Por ejemplo, en épocas de elecciones hacen falta sonidos de gran potencia, tanto para la propaganda como para la información, no es suficiente usar un solo amplificador.
Entonces deben usarse simultáneamente dos o más amplificadores, cada uno alimentando un conjunto de altoparlantes o bocinas, según lo sugiere la figura 1.

El aparato que describiremos sirve justamente para esa finalidad: excitar un conjunto de amplificadores con la potencia total y además, mezclar las señales de distintas fuentes corno micrófonos, grabadores, tocadiscos, etc.
Al proporcionar una buena amplificación de las señales de los micrófonos, etc., el “mixer” (o mezclador)-difusor puede excitar, sin perder volumen, una cantidad casi ilimitada de amplificadores.
Los amplificadores, en número ilimitado, están conectados en salidas independientes del mezclador-difusor, que no las carga y entonces da una señal pura, de suficiente intensidad para obtener la máxima potencia.
La facilidad de conexión al número ilimitado de amplificadores, la excitación de potencia máxima y el control de tres entradas independientes es lo que puede obtener el lector con ese conjunto.
El montaje es relativamente simple, ya que se usa un solo circuito integrado, y su alimentación puede provenir de una fuente de 12 V, batería de 12 V o pilas comunes en caso de que se desee mayor movilidad.
Cómo funciona
Como se ve en el diagrama de bloques de la figura 2, lo que tenemos es un “mezclador” de sonidos. seguido de un pre-amplificador y un amplificador de audio en el que la salida tiene una etapa de “resolución de la mezcla” de sonidos.

Analicemos cada una de las etapas.
La etapa mezcladora es de las más simples ya que tiene sólo componentes pasivos.
Tenemos tres entradas que pasan por tres potenciómetros que permiten “dosificar” la cantidad de sena] en cada uno. El ajuste de las tres entradas en su nivel (por los potenciómetros) permite obtener niveles de sonido ideales, según el caso.
Puede tratarse de una conversación con fondo musical o dos micrófonos funcionando durante una entrevista o debate.,
El circuito básico de esta etapa mezcladora se muestra en la figura 3.

Los lectores que deseen más entradas pueden ampliar el circuito perfectamente.
La etapa preamplificadora y amplificadora usa un solo circuito integrado TBA820S. Eso circuito integrado consiste en un peque no amplificador de audio de alta fidelidad con buena ganancia. Eso significa que las pequeñas intensidades de las señales, obtenidas de micrófonos y otras fuentes, pueden amplificarse hasta adquirir un volumen de algunos volts en una carga de resistencia pequeña.
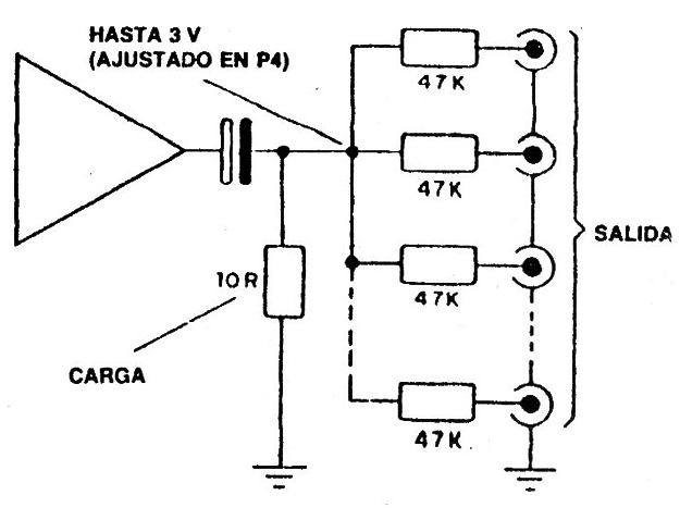
Note el lector que una carga de pequeña potencia con esa tensión significa una buena potencia y por consiguiente existe la posibilidad de excitar varios amplificadores sin perder volumen (fig. 4).

Si consideramos la impedancia de entrada de un amplificador común del orden de 100.000 Ω y que en nuestro caso la carga es la correspondiente a 10 Ω, vemos que para reducir la-intensidad de la señal del difusor a la mitad, necesitaríamos conectar 10.000 amplificadores a su salida.
Es evidente que la conexión de algunos amplificadores no producirá caída de la potencia de excitación.
Obtenemos, en la salida del circuito, una señal de amplitud del orden de la 2 V, capaz de excitar fácilmente a cualquier amplificador común. Esta salida es entonces multiplicada para poder conectar diversos amplificadores como lo muestra la figura 5.

Se usan las resistencias con la finalidad de evitar que un amplificador cargue a otro, o que haya problemas de retroalimentaciones sobre todo si son de tipos diferentes.
Los componentes
Todos los componentes usados en el montaje se consiguen con facilidad; inclusive el circuito integrado es de uso bastante común.
En la figura 6 se muestra una caja que se sugiere para el armado.

La caja prevé el uso de potenciómetros del tipo “de cursor” colocados en la parte del frente para facilitar el mezclado del sonido proveniente de las tres entradas. E cuarto potenciómetro es para ajustar la excitación y debe colocarse en la posición que depende de la cantidad de amplificadores que se use y de su sensibilidad, para que no se produzca distorsión.
Tenemos además el interruptor general en la parte anterior y los tres puntos de entrada, según los micrófonos o fuentes de señales que usen, como tocadiscos, grabador, etc.
En la parte posterior se instalan los puntos de salida para facilitar la conexión a los amplificadores que debe efectuarse con la ayuda de conductores aislados. Debe disponerse de los cables necesarios.
Respecto de los componentes electrónicos, deben hacerse las observaciones siguientes:
El circuito integrado sugerido es del tipo TBA820S que se encuentra en una presentación de 14 pinos DIL. Se aconseja un soporte para este componente pero no es obligatorio.
Como ya dijimos los potenciómetros son “deslizables” pero nada impide el uso de los lineales comunes para P1 , P2 y P3; para P4 conviene uno de tipo logarítmico con interruptor conjugado.
Los capacitores son de dos tipos. Los de pequeño valor pueden ser cerámicos y los de gran valor, electrolíticos con una tensión de trabajo de 16 V por lo menos.
Las resistencias, excepto el R3, son todas de 1/8 W con 10 a 20% de tolerancia. R3 es de 1W ó 2W con 10 o 15 Ω, según la tensión de la fuente. Para 6 V se usará una resistencia de 10 Ω 1 W y para 12V, una resistencia de 15 Ω x 2 W.
Los plugs de entrada y de salida dependen del tipo de cable usado para conectar los amplificadores, así como las de los micrófonos. Se aconsejan los plugs para micrófonos grandes porque producen mejor contacto, evitando de esa manera los ruidos, que son las fallas comunes de los sistemas de sonido deficientes.
Para una fuente de alimentación tenemos diversas opciones.
Puede usarse un soporte para cuatro pilas medianas o grandes, en el caso en que usemos las de 6 V o la batería de 12 V.
Tenemos también la posibilidad de usar una fuente cuyo diagrama se ve en la figura 7.

El lector necesitará además una placa de circuito impreso según el modelo sugerido. Hay que elaborarla con sumo cuidado.
EI montaje Para el montaje el lector precisará, además de las herramientas comunes, un soldador de baja potencia (máxima 30 W) de punta fina, soldadura de buena calidad y, por supuesto, habilidad para soldar.
En la figura 8 damos el circuito completo del mezclador-difusor con sus componentes representados por sus símbolos y con sus valores.

En la figura 9 damos el modelo de placa del circuito impreso, en tamaño natural.

Hay que tomar algunas precauciones importantes para que el armado salga bien. Por eso aconsejamos que el lector tenga presente la siguiente secuencia de recomendaciones referentes al montaje.
a) Observe la posición del circuito integrado que está dada por la posición de la medialuna o de la marca que identifica al Pino 1. Vea la placa.
Cuando solde el circuito integrado a su soporte, cuide de que no se produzcan salpicaduras de soldadura que podrían originar cortocircuitos. Si se produjeran las salpicaduras, use un palito para limpiar la soldadura cuando todavía está fundida.
b) Para soldar los capacitores electrolíticos hay que tener en cuenta sus polaridades, las que están marcadas. El armador debe conectar según la posición del polo (+) y (-) corno figuran en la placa.
e) Los demás capacitores no tienen polaridad para su colocación, pero los valores deben respetarse. Trabaje con rapidez cuando solde capacitores cerámicos.
d) Tampoco hay que aj usarse las polaridades en el caso de las resistencias. Los valores están dados por las franjas de color explicadas en la
e) Use conductor blindado para conectar los potenciômetros, si la conexión es larga y haga una conexión a masa de la malla o sea el punto que corresponda al chasis o polo negativo de la fuente. Observe también el orden de conexión para que al mover el deslizable en el sentido de aumentar el volumen, suceda realmente eso. Si el potenciômetro actuara al revés, basta cambiar las conexiones terminales para arreglar el problema.
f) Al soldar a los plugs debe observarse también la precaución de emplear conductor blindado con la malla conectada a tierra. Es preferible que la tierra sea común a las entradas y las salidas (figura 10).

g) El interruptor puede conectarse al potenciômetro P4 o puede ser independiente. Para conectarlo debe usarse cable rojo para el polo positivo y negro para el negativo, si se usase una fuente externa. Si se usan pilas observe las polaridades del chasis. El soporte puede ser para 4 6 para 8 pilas medianas o grandes.
Termine el armado con la fijación de la placa del circuito impreso a la caja, utilizando para eso los separadores y colocando los botones de los potenciómetros.
Prueba de funcionamiento
Para probar el aparato todo lo que el lector necesita es un micrófono común (cristal, dinámico o cualquier tipo de impedancia alta o mediana) o una grabadora o un tocadiscos. El amplificador conectado a la salida puede ser de cualquier tipo usado en actos públicos.
El micrófono o cualquier fuente que se use de señales (grabador, tocadiscos, etc.) se conectará a una de las entradas (E1, E2 ó E3). En la salida (S1, S2 ó S3 o cualquier otra), se conectará un cable de conexión a la entrada del amplificador que se use.
Coloque el potenciômetro P4 y el correspondiente a la entrada del micrófono, en el mínimo al empezar.
Abra el control de volumen del amplificador hasta la mitad aproximadamente. Luego abra primero el potenciômetro de entrada hasta la mitad de su recorrido (P1, P2 u otro) y gradualmente, al mismo tiempo que habla, vaya abriendo el P4. E1 sonido debe empezar a salir del altoparlante o bocina. Debe abrirse P4 hasta el punto en que se obtenga el volumen máximo que no presente distorsión.
Si llega al máximo sin que eso ocurra, abra también P1, P2 o el potenciômetro al que está conectado el micrófono.
Si así todavía no se logró el máximo de potencia el micrófono necesita un preamplificador.
Uso
Para usar el mezclador- difusor basta conectar su entrada a la fuente de señales que sugerimos, pueden ser dos micrófonos y un grabador.
La salida se conectará a tantos amplificadores como necesite el sistema de sonido (figura 11).

Los controles se ajustan de la manera siguiente:
Primero fije la posición máxima de P4 que permita obtener el sonido de cualquiera de las tres entradas con su máximo volumen, sin distorsión.
Después solamente, hay que ajustar P1, P2 y P3 a los niveles de sonido que se desean para cada entrada, según la necesidad.



