Con este control usted puede utilizar palmas, silbidos o incluso su voz para controlar un equipo electrónico o automatismo. El circuito es sensible, sencillo de montar y utiliza componentes comunes de bajo costo.
El circuito que describimos tiene un micrófono sensible que, al captar un sonido más fuerte, ajustado en un control de sensibilidad, acciona un relé que conecta o desconecta una carga externa.
El circuito tiene una acción biestable, es decir, con un sonido acciona y con el sonido siguiente se apaga la carga.
La alimentación puede ser hecha por pilas o por fuente, dependiendo de la aplicación deseada.
En la figura 1 tenemos la forma de señales que encontramos en los diversos puntos del circuito.

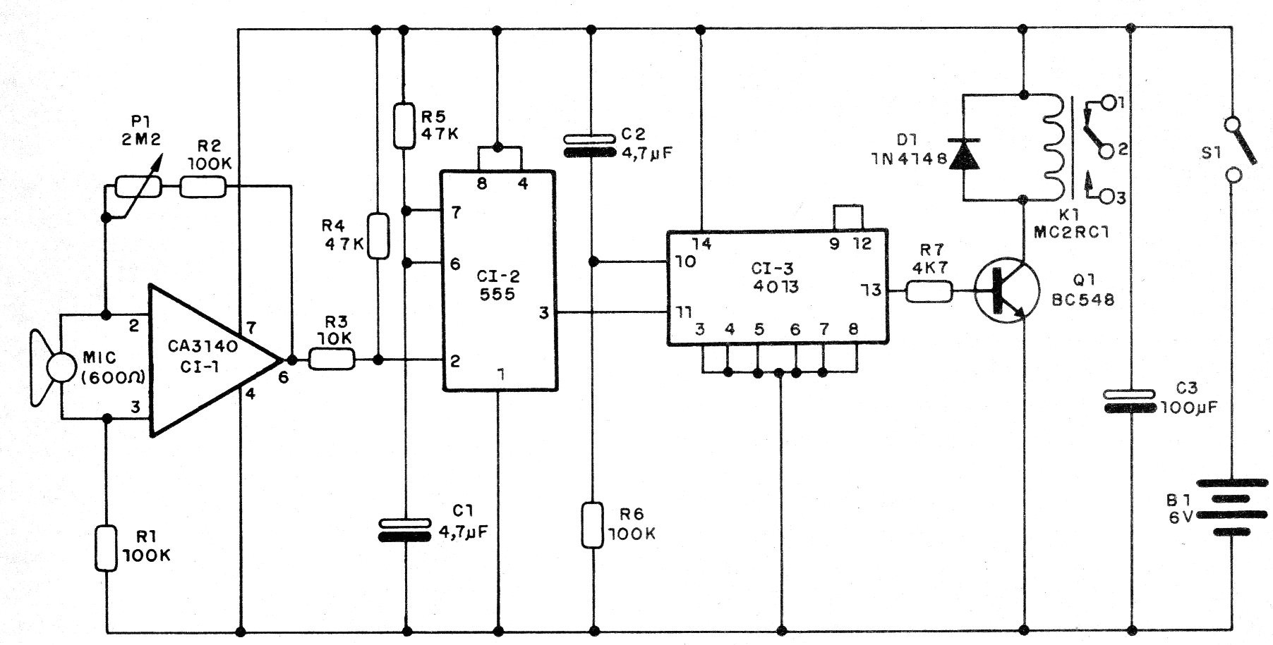
La señal de un micrófono de cristal o piezoeléctrico se aplica a un amplificador operacional cuya ganancia se ajusta en P1.
Esta señal, después de amplificado, sirve para accionar un monoestable con el conocido 555, el cual produce un pulso unido de corta duración para el control del paso siguiente.
La etapa siguiente consiste en un biestable con el 4013, que divide por dos la frecuencia de entrada, para tener la alternancia entre encender y apagar el relé.
En la salida de este circuito se conecta un transistor que tiene por carga de colector el relé que debe ser accionado.
Montaje
En la figura 2 tenemos una fuente de alimentación para el circuito, proporcionando 6 V.

Si se utiliza relé de 12 V, la fuente puede ser cambiada a esta tensión con el cambio del transformador y del regulador de tensión por un 7812.
En la figura 3 tenemos el diagrama completo del accionador o control remoto sónico.
La placa de circuito impreso con relé DIL se muestra en la figura 4.

Si se utiliza relé de base diferente, se debe cambiar la tarjeta.
En el montaje, observe las posiciones de los circuitos integrados y del transistor, además de la polaridad de capacitores electrolíticos.
Los resistores son de todos de 1/8 W con cualquier tolerancia y los demás componentes de acuerdo con la relación de materiales.
Para utilizar un pequeño altavoz o micrófono de baja impedancia es necesario añadir un pequeño transformador casador de impedancia como se muestra en la figura 5.

Este transformador se puede obtener en un radio AM fuera de uso, siendo identificado lo que está conectado al altavoz, que también puede ser aprovechado como micrófono.
En la figura 6 tenemos el modo de conectar una carga, por ejemplo, una lámpara, para hacer su accionamiento con el sonido.

Para utilizar, vaya produciendo el sonido que desea para accionar y ajustando P1 hasta que el relé funcione normalmente ligando y apagando la carga.
CI-1 - CA3140 - circuito integrado
CI-2 - 555 - circuito integrado
CI-3 - 4013 - circuito integrado
Q1 - BC548 - transistores NPN de uso general
D1 - 1N4148 - diodo de uso general
MIC - micrófono piezoeléctrico
B1 - 6 V - 4 pilas
S1 - Interruptor simple
K1 - Relé de 6 V hasta 100 mA
P1 - 2M2 - pote
R1, R2, R5 - 100 k ohms - resistores - marrón, negro, amarillo
R3 - 10 k ohms - resistor - marrón, negro, naranja
R4, R5 - 47 k ohms - resistores - marrón, negro, naranja
R7 - 4k7 ohms - resistor - amarillo, violeta, rojo
C1, C2 - 4,7 uF x 12 v - capacitores electrolitos
C3 - 100 uF x 12 V - capacitor electrolítico
Varios:
Placa de circuito impreso, fuente o soporte de pilas, caja para montaje, hilos, soldadura, etc.




