Detecte fuentes de radiación infrarroja modulada, como controles a distancia, verificando su intensidad y su origen. Este simple detector es bastante sensible y se alimenta con pilas comunes.
El detector que presentamos detecta infrarrojos modulados, reproduciendo la modulación en un pequeño altavoz.
Una de las utilidades posibles es como verificador de funcionamiento de controles remotos, como muestra la figura 1.

La sensibilidad del circuito es elevada, gracias al uso de un amplificador operacional de gran ganancia y un foto-transistor común como sensor.
El circuito también puede detectar otras fuentes de luz modulada, pues el sensor no responde sólo a los infrarrojos.
El sensor utilizado puede ser cualquier foto-transistor común, incluso aprovechado de viejos televisores analógicos fuera de uso con control remoto.
Para una mayor selectividad, se puede utilizar un filtro de infrarrojos que se puede encontrar en televisores antiguos delante del sensor.
En la figura 2 tenemos algunos tipos de foto-transistores comunes que se pueden utilizar en este proyecto.

Montaje
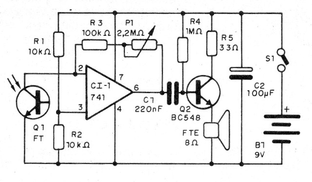
En la figura 3 tenemos el diagrama completo del investigador infrarrojo.

La placa de circuito impreso para el montaje se muestra en la figura 4.

En el montaje, observe la posición del circuito integrado, del transistor y del foto-transistor.
Los resistores son de 1/8 W con cualquier tolerancia y el capacitor electrolítico para 6 V o más.
El altavoz es pequeño y se puede utilizar una caja como la que se muestra en la figura 5.

En la figura 6 tenemos un emisor infrarrojo que se puede utilizar para probar el investigador.

El par se puede utilizar en un sistema de experimentación de comunicación telegráfica por infrarrojo, bastando sustituir S1 del transmisor por un manipulador.
CI-1- 741 - circuito integrado
Q1 - Cualquier foto-transistor
Q2 - BC548 - transistores NPN de uso general
S1 - Interruptor simple
B1 - 9 V - batería
P1 - 2M2 ohms - pote
FTE - 4 o 8 ohms - pequeño altavoz
R1, R2 - 10 k ohms - resistores - marrón, negro, naranja
R3 - 100 k ohms - resistor - marrón, negro, amarillo
R4 - 1 M ohms - resistor - marrón, negro, verde
R5 - 33 ohms - resistor - naranja, naranja, negro
C1 - 220 nF - capacitor de cerámica o poliéster
C2 - 100 uF - capacitor electrolítico
Varios:
Placa de circuito impreso, conector de batería, caja para montaje, hilos, soldadura, etc.



