Este proyecto permite automatizar electro-electrónicos y lámparas con el mando a partir de un pulso de luz. Con él, basta un flash de una lámpara para accionar una carga por un tiempo que se puede ajustar entre algunos segundos a varios minutos.
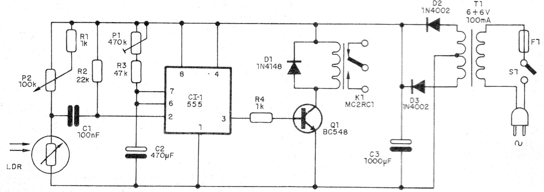
El circuito presentado nada tiene de inusual: un LDR usado como sensor acciona un monoestable con un 555 por un tiempo ajustado en un pote.
El 555, a su vez, acciona un transistor que tiene por carga un relé para controlar una carga externa.
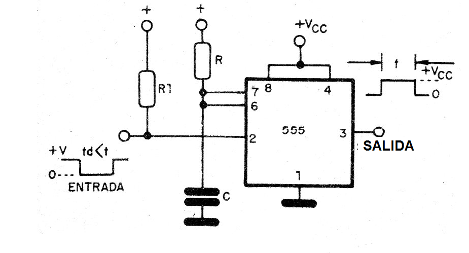
En la figura 1 tenemos el circuito básico de tiempo del 555 usado en este accionador.
El tiempo de accionamiento es dado por la fórmula:
T = 1,1 x R x C
Para un capacitor de 100 uF y un ajuste de R a 1 M ohmios tenemos un tiempo de 110 segundos, o casi 2 minutos.
El valor máximo recomendado para R es 1,5 M ohmios y para el capacitor 2 200 uF lo que resulta en tiempos de más de 1 hora.
El circuito es alimentado por la red de energía y el ajuste de la sensibilidad se realiza en P1.
Montaje
En la figura 2 tenemos el diagrama completo del accionador.
La placa de circuito impreso para el montaje, utilizando un relé DIL, se muestra en la figura 3.
En el montaje, observe la posición del circuito integrado, del transistor y del relé, además de la polaridad de diodos y capacitores electrolíticos.
Los resistores son de 1/8 W con cualquier tolerancia y los capacitores electrolíticos para 12 V o más.
El transformador puede tener cadenas entre 100 mA y 300 mA y el conjunto puede ser montado en una pequeña caja, como muestra la figura 4.
Vea que el LDR está instalado en un tubo opaco para recibir la luz sólo de una dirección.
Una posibilidad de aplicación interesante es la mostrada en la figura 5.
En este sistema, un parpadeo del faro del coche hace que el sistema de apertura de la puerta sea accionado.
Sólo se debe tener cuidado con detalles importantes como, por ejemplo, colocar el sensor de modo que no sea accionado por otras luces, como el resplandor de un relámpago.
Otro cuidado es con el sistema de fin de carrera de apertura cuando la puerta está completamente cerrada o completamente abierta.
CI-1 - 555 - circuito integrado
Q1 - BC548 - transistores NPN de uso general
D1 - 1N4148 - diodo de uso general
D2, D3 - 1N4002 o equivalente - diodos rectificadores
T1 - Transformador - 6 + 6 V - ver texto
S1 - Interruptor simple
F1 - 1 A - fusible
LDR - LDR redondo común
C1 - 100 nF - capacitor de cerámica o poliéster
C2 - 1 000 uF - capacitor electrolítico
K1 - Relé sensible (100 mA) de 6 V
P1 - 100 k ohms - trimpot o potenciómetro
P2 - 470 k a 2M2 ohms - trimpot o potenciómetro
R1 R3 - 1 k ohms - resistores - marrón, negro, rojo
R2 - 22 k ohms - resistor - rojo, rojo, naranja
Varios:
Placa de circuito impreso, caja para montaje, cable de fuerza, hilos, soldadura, etc.








