Este aparato puede ser utilizado por decoradores, pintores y otros profesionales que trabajan con colores para comparar los colores de dos objetos, paneles o incluso iluminación. El circuito es muy simple y sensible, siendo montado con componentes comunes. Alimentado por batería es portátil.
La tonalidad de un objeto puede ser medida por la cantidad de luz que refleja.
Si bien visualmente, las personas con buena sensibilidad pueden comprar las tonalidades de objetos, el uso de un dispositivo de medida electrónico garantiza que esto se haga con precisión.
Proponemos entonces en este artículo, un simple comparador de colores o tonalidades que es alimentado por una batería de 9 V y tiene buena precisión.
Por supuesto, el aparato puede ser utilizado con filtros lo que le daría otra gama de aplicaciones.
Características:
Tensión de alimentación: 9 V
Consumo: 20 mA (tip.)
Ajuste: único
Fuente de luz: interna o externa
Como funciona
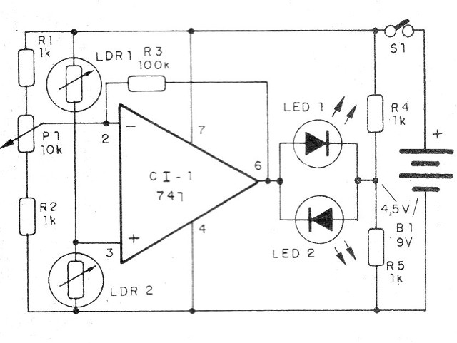
La base del circuito es un amplificador operacional 741. En nuestro caso, este amplificador operacional se conecta como un comparador de tensión.
En la entrada no inversora conectamos un divisor de tensión formado por dos sensores del tipo LDR, cuya resistencia disminuye con el aumento de la luz incidente en la superficie sensible.
En la entrada inversora conectamos un divisor de tensión ajustable formado por un potenciómetro y dos resistores (R1, R2 y P1).
Con intensidades de luz igual en los LDR y ajustándose P1 podemos obtener una situación de equilibrio para el circuito, cuando entonces su salida será nula.
De esta forma los dos LEDs quedarán con tensiones iguales de los dos lados, siendo uno la salida del operacional y el otro el divisor formado por R4 y R5.
Los LED permanecen apagados, indicando la condición de equilibrio del circuito.
Si los LED tienen intensidades de luz diferentes, el circuito se desequilibra y aparece de esta forma una tensión mayor o menor que la del divisor formado por las resistencias R4 y R5, en los LED.
Con ello, dependiendo de la polaridad, uno u otro LED se enciende, indicando esta condición.
Ajustando entonces P1, podemos cambiar la tensión de la otra entrada del operacional y, con ello, llevar el circuito al equilibrio.
La idea es entonces dejar que luz de dos fuentes incidan en el LDR y luego verificar por el ajuste del potenciómetro, si ellas están con la misma intensidad o no, como muestra la figura 1.

Si los LED se apaga cuando se ajusta a la posición central del potenciómetro, las intensidades de luz capturadas por los LDR son iguales.
Si esto no ocurre, podemos ajustar el potenciómetro para verificar de qué intensidad es ese desequilibrio, por el nuevo punto de nulo.
Una escala puede ser hecha por el aparato.
Montaje
En la figura 2 tenemos el diagrama completo del comparador de tonalidad.

El montaje se puede realizar sobre la base de una placa de circuito impreso con el patrón mostrado en la figura 3.

En el montaje, observe las posiciones de los LED y del circuito integrado.
Los LDR deben quedar en tuberías de modo que puedan apuntar a puntos diferentes.
Su instalación con conexión por cable al circuito facilita el uso del aparato.
Para el potenciómetro se puede utilizar un golpe con marca, para correr sobre una escala.
La disposición de los sensores depende de la aplicación, habiendo diversas posibilidades como, por ejemplo, instalación en una caja cerrada con lámpara de misma intensidad en compartimentos diferentes.
Esta disposición garantiza que dos hojas o muestras que se comparan reciban la misma intensidad de luz.
CI-1 - 741 - circuito integrado
LED1, LED2 - LEDs comunes de cualquier color
LDR1, LDR2 - LDR comunes
P1 - 10 k ohms - potenciómetro
S1 - Interruptor simple
R1, R2, R4 y R5 - 1 k ohms x 1/8 W- resistores - marrón, negro, rojo
R3 - 100k ohms x 1/8 W - resistor - marrón, negro, amarillo
B1 - 9 V - batería
Varios:
Placa de circuito impreso, caja para montaje, hilos, soldadura, botón para el potenciómetro, etc.



