Muchas llaves magnéticas del tipo "guardia motor" pueden presentar un comportamiento inestable en las condiciones de falta de fase en los sistemas trifásicos, lo que ocurre principalmente cuando los motores operan con cargas pequeñas. El circuito mostrado puede ayudar a evitar problemas con estos controles.
Lo que ocurre es que cuando un motor con alimentación trifásica deja de recibir una de las fases, los elementos térmicos de la llave guarda-motor, los cuales se conectan en serie con la bobina de mando, desarman el circuito, apagando la llave. Sin embargo, si el motor no hace mucho esfuerzo en determinados momentos de su operación, faltando una de las fases, los contactos que se han ajustado para cargas mayores, pueden no funcionar y con ello tendremos el problema de la operación faltando una fase, capaz de quemar el paso motor.
El circuito descrito es interesante, pudiendo también ser usado en motores monofásicos y otras aplicaciones sensibles a las subtensiones. En la figura 1 mostramos lo que ocurre con las tensiones en un motor trifásico cuando falta una de las fases.

Así, basta con monitorear la tensión (en lugar de la corriente) para poder desactivar un circuito en caso de subtensión, cuando los elementos normales no funcionen, en caso de cargas ligeras en motores trifásicos.
Por supuesto, otros circuitos pueden ser protegidos, incluyendo electrodomésticos como refrigeradores, lavadoras, etc. También es posible invertir la acción del relé, usando contactos NF y ajustando la tensión de disparo a valores de 125 V, en cuyo caso el circuito pasará a actuar como un detector de sobretensión. En la figura 2 mostramos la configuración usada, que no tienen nada de inusual.

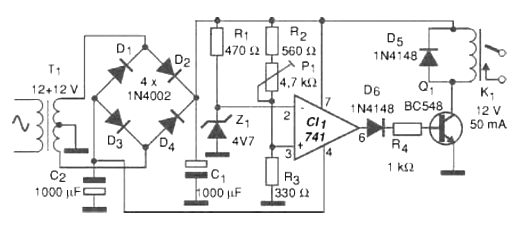
Lo que tenemos es un amplificador operacional conectado como comparador, donde la tensión de referencia es dada por el diodo zener. Así, cuando la tensión de entrada está por encima de la tensión de referencia tenemos una tensión prácticamente nula en la salida del operario. Cuando la tensión de entrada cae a un valor menor que la tensión de referencia, el amplificador operacional conmuta y su salida pasa a presentar una tensión positiva, prácticamente igual a la usada en su alimentación.
Esto hace que el transistor sea polarizado a la saturación energizando el relé. El trimpot P1 ajusta la tensión de disparo, en función de la tensión de secundario del transformador / fuente rectificadora cuando la tensión de entrada cae por debajo de cierto valor. Este ajuste se puede hacer con un Variac para obtener el punto exacto de disparo, utilizando para leer un multímetro común en la escala de tensiones alternas. El relé utilizado debe tener contactos de acuerdo con la corriente controlada.
Si el circuito se destina al desarme con sobretensiones debe ser usado un relé con contactos NF o aún modificado el disparo para usar un transistor PNP, como muestra la figura 3.

El transformador utilizado no es crítico, pudiendo ser empleados tipos con secundario de 7,5 V a 12 V con corrientes de 100 mA a 500 mA, sin problemas, pues el ajuste permite que el disparo sea siempre hecho en la tensión que se desee. Sólo debe ser adecuado el relé para que sea disparado con la tensión suministrada por el circuito.
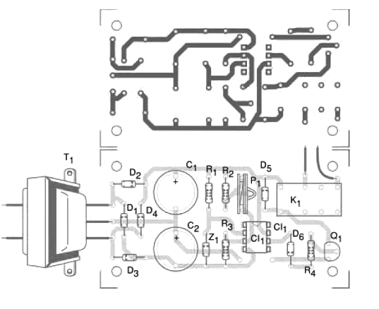
El diodo zener tampoco es crítico, ya que sólo proporciona la referencia para el ajuste de P1. Diodos zener de 3,3 a 6,8 V pueden usarse sin problemas. También se pueden emplear amplificadores operacionales equivalentes al 741, incluidos los tipos que operan con menor tensión, en cuyo caso la tensión de secundario del transformador puede ser menor. En la figura 4 tenemos una sugerencia de placa de circuito impreso para el montaje, en cuyo caso se utilizó un relé de 10 A con contactos reversibles.

Si el relé utilizado es diferente, se deben realizar los cambios necesarios en el diseño de la tarjeta. En la figura 5 damos las conexiones para la protección de un motor trifásico, usando dos unidades, como las descritas en este artículo.

CI-1 - 741 - amplificador operacional, circuito integrado
Q1 - BC548 o equivalente - transistores NPN de uso general
D1 a D4 - 1N4002 - diodos rectificadores
D5, D6 - 1N4148 - diodo de uso general
Z1 - 4,7 V x 400 mW - diodo zener
K1 - Relé de 12 V x 50 mA - contactos según la carga controlada
R1 - 470 ohms x 1/8 W - resistor
R2 - 560 ohms x 1/8 W - resistor
R3 - 330 ohms x 1/8 W - resistor
R4 - 1 k ohms x 1/8 W - resistor
C1 - 1 000 uF x 25 V - capacitor electrolítico
T1 - Transformador con primario según la red local y secundaria de 12 + 12 V x 300 mA
Varios:
Placa de circuito impreso, cable de alimentación (opcional), caja para montaje, hilos, bornes de conexión de carga, soldadura, etc.



