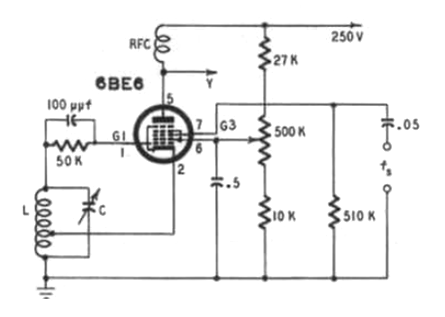
Este circuito fue obtenido en un libro sobre osciloscopios de los años 50. El circuito genera señales hasta algunas decenas de megahertz modulados en amplitud. La corriente drenada de la fuente es de algunos miliamperios. LC determina la frecuencia de oscilación y el potenciómetro controla la profundidad de la modulación.

Oscilador Modulado 6BE6



