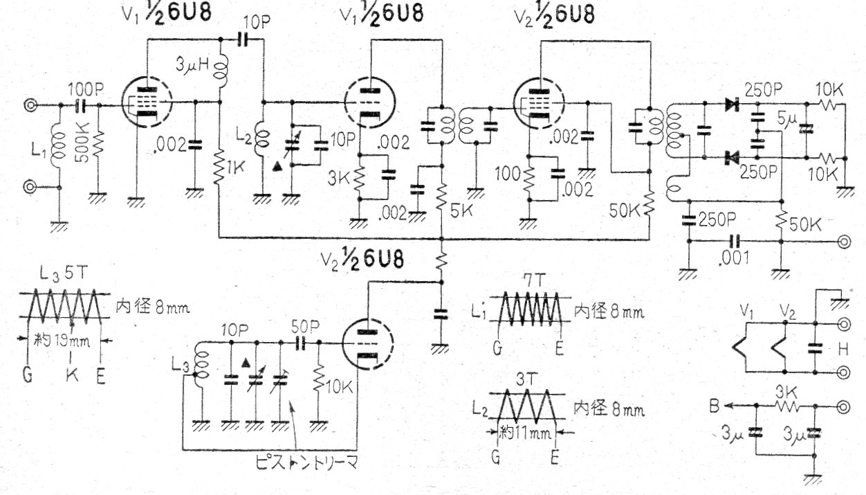
Encontramos este circuito en una revista Radio TV & Electronics de los años 60 publicada en Japón. El circuito tiene su salida de audio disponible para su aplicación en un amplificador externo. No se ha incluido la fuente de alimentación.
Encontramos este circuito en una revista Radio TV & Electronics de los años 60 publicada en Japón. El circuito tiene su salida de audio disponible para su aplicación en un amplificador externo. No se ha incluido la fuente de alimentación.