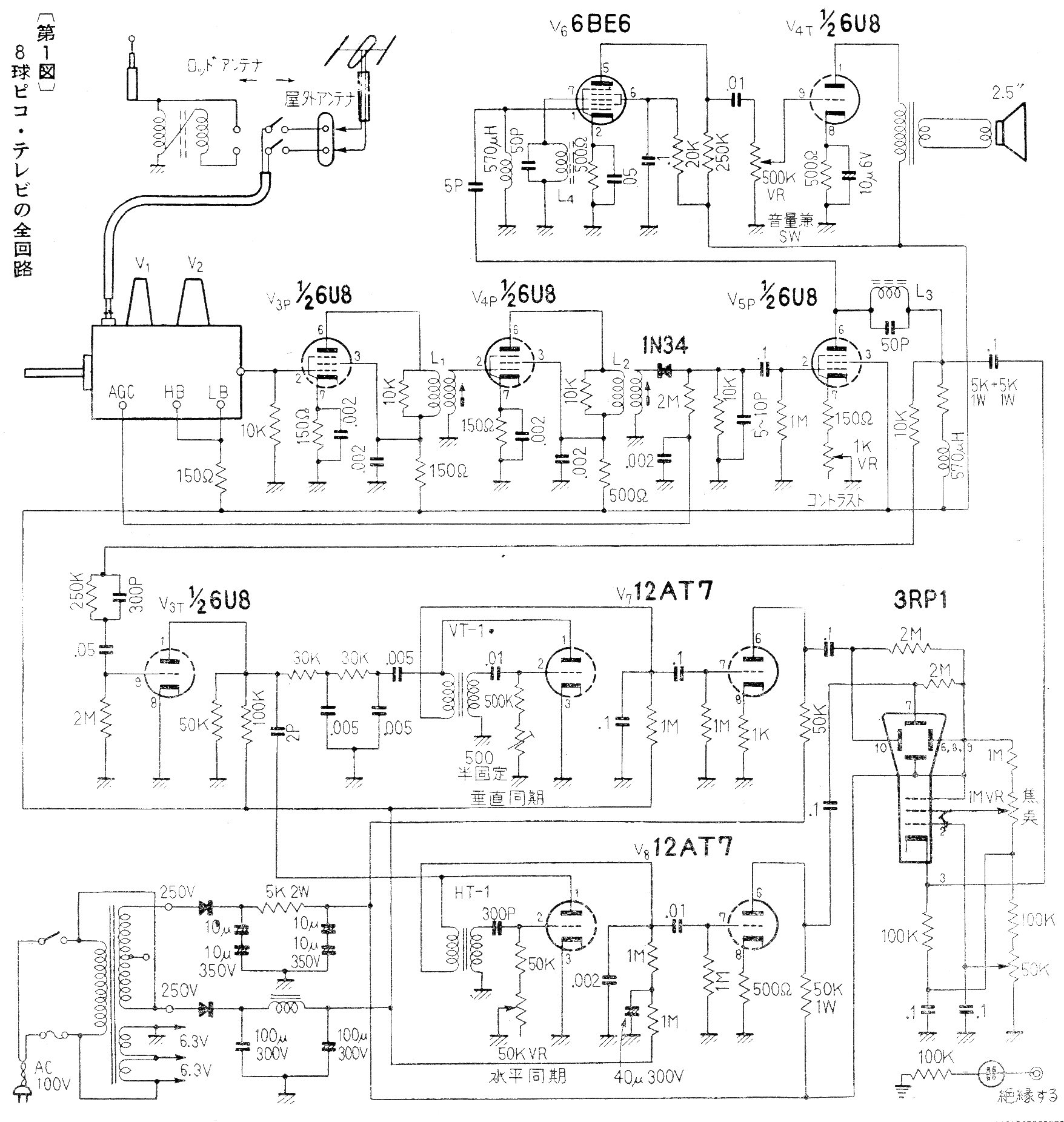
Este circuito de los años 60 es muy interesante. Consiste en un osciloscopio que también es un receptor de TV analógica. El circuito utiliza un selector de TV estándar comercial de la época. Encontramos en una documentación de los años 60.
Este circuito de los años 60 es muy interesante. Consiste en un osciloscopio que también es un receptor de TV analógica. El circuito utiliza un selector de TV estándar comercial de la época. Encontramos en una documentación de los años 60.