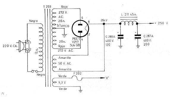
Esta es una fuente de alimentación convencional para equipos valvulados. La corriente de secundario de voltaje puede permanecer entre 80 y 300 mA dependiendo de la aplicación. Este diagrama fue obtenido de una documentación antigua de la década de los 60.
Los componentes críticos además de la válvula son el transformador y el choque de filtro. Estos componentes pueden incluso ser obtenidos de equipos antiguos fuera de uso como amplificadores, radios y televisores de la década de 50 y 60.
Los capacitores de filtros deben ser de alta tensión y los valores pueden ser cercanos a los indicados. La bobina de 6,3 V es para los filamentos de las válvulas del circuito alimentado.
En la figura 1 tenemos el diagrama completo de la fuente. Ver más en el artículo Fuente para Equipos Valvulados en este sitio.




