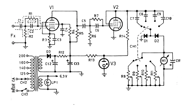
El circuito que mostramos en este artículo fue obtenido de una documentación técnica de 1965. Utiliza como indicador un miliamperímetro de 0-100 uA y tiene 4 escalas que permiten medir frecuencias hasta 100 kHz.
La precisión dependerá de los ajustes. Además del transformador, los componentes críticos son las válvulas. El diodo rectificador además de D1 puede ser el 1N4004 y D2, D3 son 1N34.
El transformador tiene un secundario de 200 V con 60 mA. Los componentes utilizados son:
V1 - EF94
V2 -EL84
V3 - OA2 o VR150
R1 - 100 k ohms
R2 - 250 k ohms
R3 - 2k2 ohms x 1 W
R4 - 1 M ohms x 1W
R5 - 100 k ohms x1 W
R6 - 1 M ohms
R7 - 250 k ohms
R8, R9, R10, R11 - 1 k ohms - trimpots
R12 - 500 ohms x 5 W
R13 - 2k2 ohms x 5 W
R14 - 2 k x 4 W
C1, C3, C5, C7 -100 nF x 600 V
C2 - 10 pF x 600 V
C4 - 47 nF x 600 V
C6 - 500 pF x 600 V
C8 - 10nF x 600 V
C10 - 100 pF x 600 V
C12, C3 -50 uF x 350 V
LP1 - 6 V x 250 mA
M1 - 0-100 uA
En la figura 1 el diagrama completo del frecuencímetro.




