El interesante circuito presentado puede recuperar capacitores electrolíticos de alta tensión, usados en equipos valvulados, que hayan quedado fuera de uso por mucho tiempo. Se trata de una fuente progresiva que recupera las propiedades del electrolito, si todavía tiene condiciones de uso.
La idea es conectar un capacitor con problemas inicialmente en la salida de 50 V y dejarlo de 10 a 15 minutos. Después, pasamos a la siguiente salida y lo dejamos más de 10 a 15 minutos. Si el capacitor aún no se recupera al llegar a la última salida, intentamos de nuevo el proceso.
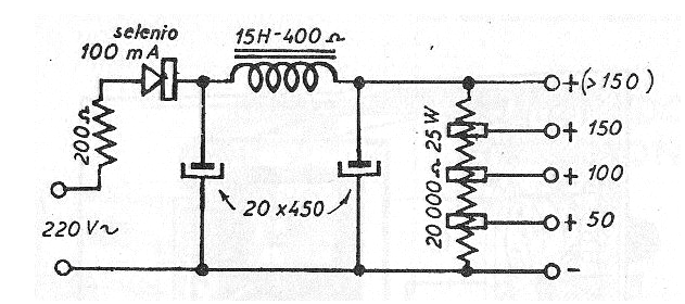
Para la red de 110 V se puede utilizar un auto-transformador. El resistor de 220 ohms es de 10 W de disipación (hilo). El reactor de 15 H puede ser sustituido por un resistor de hilo de 1k x 10 W. El diodo de selenio puede ser sustituido por un 1N4007.
El resistor de hilo de 20 k ohms con tomas puede ser reemplazado por 4 resistores de 4k7 x 5 W en serie. En la figura 1 tenemos el diagrama completo del recuperador de condensadores.

Este circuito sólo se debe utilizar con capacitores de 250 V o más de tensión de trabajo. Para otros tipos, vaya sólo a la tensión que soporta.



