Los instrumentos de prueba también pueden presentar problemas. Un multímetro puede tener resistencias internas quemadas cuando están sometidas a corrientes o tensiones incorrectas durante una medida. ¿Cómo proceder para reparar este tipo de equipo?
El bajo precio de muchos multímetros hace que una simple reparación no sea compensadora ya que se puede comprar uno nuevo por menos de lo que va a pasar para obtener la pieza de repuesto. Sin embargo, hay multímetros caros que pueden necesitar reparaciones y en este caso el intento de solucionar el defecto es importante. También podemos citar el caso de multímetros baratos que pueden ser reparados con facilidad pues el gasto para eso es casi nulo.
¿Cómo hacer para reparar un multímetro?
Problema de precisión
El mayor problema que el técnico encuentra al intentar reparar un instrumento de prueba como multímetro es que utiliza componentes de precisión. Los resistores en su mayor parte son de 1% o menos de tolerancia lo que de principio hace casi imposible encontrar el componente para reposición.
Si se utiliza un resistor con tolerancia mayor la precisión del instrumento quedará comprometida. Sin embargo, esto no significa en la práctica que no pasamos a hacer la reparación usando componentes comunes desde que adoptamos un procedimiento que nos permite llegar al valor de precisión a través de ajustes o de experimentación.
Sustituyendo un resistor
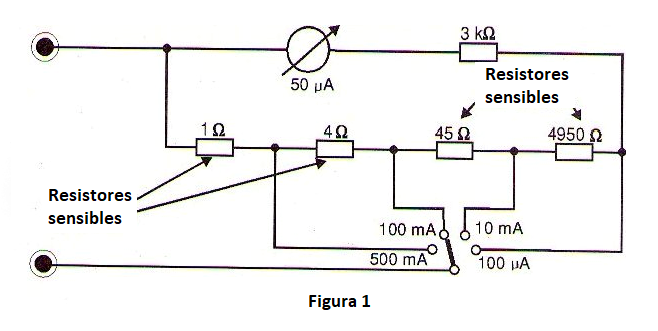
El resistor más sensible en los multímetros es el de la escala de corrientes (shunt) que se quema cuando la corriente sobrepasa cierto límite, como muestra la figura 1.
Los multímetros, en algunos casos, poseen fusibles internos pero eso no significa que estas resistencias estén completamente libres de una eventual quema por uso indebido. El mayor problema en la sustitución de estos resistores es que son de valores muy bajos, además de tener una buena precisión.
¿Cómo sustituir un resistores de este tipo?
Una idea simple se muestra en el circuito de la figura 2 en la que vamos a fabricar un resistor con el valor deseado usando un hilo de nicromo que puede ser sacado de un resistor de hilo de un resistor de bajo valor.
Lo que hacemos es usar la resistencia en un circuito de corriente conocida que será medida con un multímetro adicional en buen estado. Vamos entonces buscando la posición en el "shunt" que haga que el multímetro con problema registre la misma corriente del multímetro usado como referencia. Cuando esto sucede tenemos la longitud de hilo de nicromo que resulta en la resistencia correcta para el shunt que se quemó en el multímetro con problema.
Observamos que todavía hay un problema adicional a ser enfrentado: el hilo de nicromo no "toma" soldadura de modo que se debe utilizar un medio de fijación diferente, normalmente por medio de tornillos. Así se debe prever una pequeña longitud adicional en la longitud determinada del hilo para hacer su fijación, como muestra la figura 3.

Para el caso de los resistores de las escalas de tensión tenemos un procedimiento similar que tiene como base el circuito mostrado en la figura 4.
Es común que resistores como en un circuito mostrado en la figura 1 se quemen y con ello el circuito pase a presentar un error acentuado en la medida de resistencias. Lo que se puede hacer en la reparación de este multímetro es intentar encontrar un valor de resistencia experimentalmente que resulte en una lectura correcta de una resistencia tomada como estándar teniendo como referencia un multímetro en buen estado.






