Tocadiscos y tocadiscos tienen pequeños motores que son alimentados por tensiones situadas normalmente entre 3 y 12 V. Estos motores se alimentan por corriente continua, de modo que su velocidad se determina más por sus características mecánicas que por el tipo de alimentación que reciben, a diferencia de los motores usados en la red eléctrica, que se sincronizan por su frecuencia.
Así, los pequeños motores usados en tocadiscos y tocadiscos tienden a presentar problemas de alteración de rotación, que se manifestar directamente en el sonido grabado o reproducido.
Una reducción de la velocidad toma el sonido increíble o grave, mientras que un aumento hace que el sonido más agudo (cambie la rotación de los tocadiscos y vea lo que ocurre!).
Si un tocadiscos o tocadiscos presentan este tipo de problema (cambio de rotación), debemos comenzar el análisis por la parte mecánica.
Para tocadiscos y tocadiscos comunes debemos analizar el sistema de transmisión de movimiento, que puede ser por polea, correa o aún por contacto. En la figura 1 mostramos las tres posibilidades indicadas.

Si la polea se gasta y empieza a patinar, tendremos un cambio de velocidad del motor que puede influir en el sonido reproducido o grabado. De la misma manera, algunos grabadores usan pequeñas roldanas de espuma que pueden deteriorarse completamente, principalmente cuando están expuestas a un clima adverso.
En estos casos no existe otra alternativa que el cambio de estas piezas.
En la colocación de la pieza nueva es muy importante mantener la presión o la tensión mecánica para que el movimiento sea transmitido a la velocidad original.
Pero, no es sólo la parte mecánica que puede fallar.
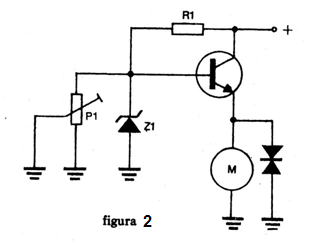
Los motores, en ciertos casos, tienen su velocidad controlada electrónicamente por un circuito del tipo mostrado en la figura 2.

En estos circuitos existe un trimpot que hace el ajuste de la velocidad ideal de rotación del plato del tocadiscos o de la cinta. Si algún problema ocurre con el circuito, el trimpot no dará ajuste. Los componentes de esta etapa de control deben ser entonces analizados.



