El seguidor de señales, junto con el inyector de señales, se constituye en un elemento de gran utilidad en la reparación de cualquier tipo de aparato electrónico.
El inyector de señales, como hemos visto, simula la estación de una radio o el tocadiscos en un amplificador, permitiendo así una verificación paso por paso de su funcionamiento. El seguidor de señales, como el nombre dice, sigue la señal que recorre todas las etapas de un aparato, retirándolo para su análisis.
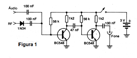
En la figura 1 tenemos el circuito típico de un seguidor de señales, que analizado permitirá al lector entender perfectamente su utilidad.

La parte principal del seguidor de señales es un amplificador sensible que puede excitar tanto un pequeño altavoz como un auricular. En realidad, el uso de auriculares es más difundido en esta función por el hecho de que este componente tiene menores dimensiones y también por exigir menos potencia para excitación.
En la entrada tenemos dos posibilidades de aplicación de señal. Si tenemos que analizar un circuito de audio (como un amplificador), los pasos de audio de una radio o un tocadiscos, usamos la entrada de baja frecuencia. La señal "captada" del circuito analizado y amplificado y luego aplicado al auricular, donde podemos oírlo.
Si se analizan los circuitos de altas frecuencias, como las etapas de RF y FI de una radio, usamos la entrada detectora, que tiene un diodo para este propósito. La señal "captada" es entonces detectada, siendo extraída su modulación, que es una señal de audio y que puede ser amplificada normalmente y aplicada al auricular.
En la figura 2 tenemos la manera típica de usar el seguidor de señales en el análisis de un circuito.

Conectando la entrada del seguidor en las etapas sucesivas del aparato, debemos constatar la presencia de la señal en el auricular.



