Las grabadoras y pequeños amplificadores necesitan etapas de pre amplificación para poder trabajar con fuentes de señales débiles como, por ejemplo, cápsulas de audio, cabezas grabadoras y micrófonos dinámicos.
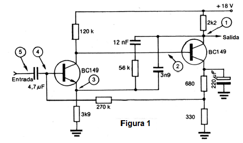
Un circuito típico de paso preamplificador se muestra en la figura 1.

Los transistores usados se caracterizan por el bajo nivel de ruido, siendo común los BC109, BC239 o BC549 que, además, presentan altas ganancias.
En caso de pane en un circuito de este tipo, inyectamos las señales en los puntos indicados y en el orden indicado, es decir, de la salida a la entrada.
Como la etapa debe tener alta ganancia, la reproducción de la señal inyectada debe ser siempre alta y clara. Si hay interrupción de la señal debemos hacer la prueba de los componentes inmediatamente conectados a los componentes activos probados, o sea, los transistores.
Este artículo forma parte de un libro que el lector puede bajar gratuitamente en este sitio (El Básico de la Reparación). En esta sección los artículos se separan por tipos de defectos.
Los defectos abordados se refieren a los circuitos transistorizados de radios, amplificadores más comunes, habiendo pequeñas variaciones de modelos para modelos. En el principio de funcionamiento, sin embargo, todos los circuitos son similares cuando se analizan.



