En los amplificadores, mezcladores de audio, tocadiscos, hay etapas de audio de alta ganancia que trabajan con señales de muy pequeña intensidad. Estos pasos utilizan uno o más transistores, normalmente de bajo nivel de ruido, como los BC549.
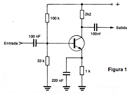
En la figura 1 tenemos un circuito típico de preamplificador con estas características.

¿Qué tipos de problemas pueden presentar estos circuitos?
Para descubrir, nada mejor que usar el inyector de señales, aplicando su señal en la salida para verificar si realmente el paso amplificador final se encuentra en buen funcionamiento, y luego sucesivamente de paso a paso hacia la entrada.
Los transistores con problemas son las causas más comunes de no funcionamiento o distorsión de estas etapas.
Este artículo forma parte de un libro que el lector puede bajar gratuitamente en este sitio (El Básico de la Reparación). En esta sección los artículos se separan por tipos de defectos.
Los defectos abordados se refieren a los circuitos transistorizados de radios, amplificadores más comunes, habiendo pequeñas variaciones de modelos para modelos. En el principio de funcionamiento, sin embargo, todos los circuitos son similares cuando se analizan.



