En nuestro Curso de Electrónica estudiamos los solenoides entre otros componentes que aprovechan el efecto magnético de la corriente. Pues bien: utilizando un solenoide como base, desarrollamos una trampa electrónica que puede usarse para capturar ratas y otros animalitos. El disparo dela trampa se hace mediante un fotosensor que acciona el solenoide.
Se utiliza un solenoide para activar el mecanismo de cierre de una trampa. EI disparo se produce cuando el animal interrumpe un haz de luz que incide en un sensor electrónico sensible. La trampa eléctrica es alimentada por una tensión de 110 o 200 V y es bastante simple para armar.
Usted podrá utilizarla en la casa, respetando siempre las leyes y teniendo presente que la alimentación del circuito debe efectuarse a partir de la red. EI solenoide recomendado es el que se usa en los lavarropas, pero existen alternativas que se describirán en este mismo artículo, siendo algunas bastante económicas.
EI armado del sistema es simple y sólo necesita de una parte mecanica que no ofrecerá problemas a los lectores habilidosos y que posean algunas herramientas comunes.
Cómo funciona
EI sistema es bastante simple como podemos ver en el diagrama de bloques de la figura 1.

El sensor consiste de un LDR que es iluminado por una lampara común de 12 volts x 200 mA (lámpara de luz de cortesía de los automóviles o LED).
Cuando el animal entra en la trampa, el haz de luz se interrumpe y provoca el disparo del circuito. EI punto de disparo se ajusta previamente con un trimpot.
Cuando se produce el disparo un rele cierra sus contactos y puede accionar un solenoide de alta tensión (110 o 200 V) del tipo que se usa en los Iavarropas, y también un solenoide menor según explicaremos mas adelante.
EI movimiento del núcleo del solenoide activa el mecanismo de cierre de la trampa.
Puede usarse una chicharra para que, al cerrarse Ia trampa, el usuario se entere.
Montaje
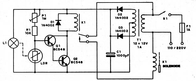
En la figura 2 tenemos el diagrama completo de la trampa.

EI montaje puede realizarse tanto en puente de terminales como en placa de circuito impreso. En la figura 3 damos el diseño del montaje en puente de terminales.

Este puente puede guardarse en una caja para evitar problemas de contactos con otros componentes o cortocircuitos.
En la figura 4 damos el montaje de la parte mecánica de la trampa.

Observe que el movimiento del núcleo del solenoide hacia su interior debe soltar la tapa de la trampa que cierra por su propio peso.
Debe preverse una traba accionada por peso y existen diversas posibilidades para eso.
Para el solenoide existen otras alternativas, como por ejemplo usar un núcleo de relé de 12 volts, como se ve en la figura 5.

Este relé es alimentado entonces por la baja tensión del circuito, en la forma que muestra la misma figura.
Es previsible que ese sistema de solenoide tenga mucha menos fuerza que el solenoide de Iavarropas, pero aquí existe una posibilidad importante: la alimentación del sistema con 12V provenientes de una batería o de un conjunto de pilas grandes.
Una campanilla de casa puede adaptarse también para su uso como solenoide pero es preciso observar que no debe permanecer conectada durante mucho tiempo pues se calienta con rapidez.
Una lámpara incandescente común de 40 o 60 watts puede conectarse em serie para evitar ese calentamiento. El lector debe efectuar experiencias en este caso pues, según la campanilla que se haya adaptado, cambiará el sistema de comportamiento.
En el montaje de la parte electrónica el lector debe respetar la polaridad del diodo y los capacitores electroliticos, además de la posición de los transistores.
EI LDR es redondo común, de cualquier tipo. Es preferible que su montaje se haga en un tubo opaco para evitar la influencia de la luz del ambiente.
El capacitor electrolitico debe tener una tensión mínima de trabajo de 16 volts. Pueden emplearse valores cercanos como 1.200 µF y hasta 1.500 µF, y en el caso de la alimentación con batería, puede reducirse el valor a 100 pF o menos. En ese caso los diodos D2 y D3 se eliminan así como el transformador.
EI fusible es de 1A, pero este valor es función de los solenoides. Puede aumentarse si el soIenoide fuera de mayor potencia.
Prueba y uso
Para probar y ajustar la trampa, el procedimiento es simple. Conecte la unidad y ajuste P1 para que el relé permanezca abierto com la luz incidiendo sobre el LDR. El punto de mayor sensibilidad se obtiene cuando el rele está a punto de cerrarse, en el momento en que pasa un objeto entre el LDR y la lampara. Una vez ajustado, debe verificarse la parte mecânica.
Q1, Q2 - BC548 o equivalente - transistores NPN de uso general
D1 , D2, D3 - 1N4002 o equivalente - diodos de uso general
K1 - relé de 12 volts
P1 - 1M - "trimpot”
T1 - transformador con primario de 110V ó 220V, según la red, y el secundario de 12Vx 500 mA ó 1A., con toma central.
F1 - 1A -fusible
S1 - interruptor simple
L1 - 12 x 200 mA - lámpara de interior de automóvtl
LDR - LDR común
X1 - solenoide de lavarropas ( vea texto)
R1 - 10 x 1/8W - resistor (marrón, negro, naranja)
C1 - 1.000 µF x 16 V - capacitor electrolitico.
Varios: caja para la trampa, cable de alimentación, tubos opacos para el LDr y para la lámpara, soldadura, soporte para el fusible, puente de terminales o placa de circuito impreso, etc.



