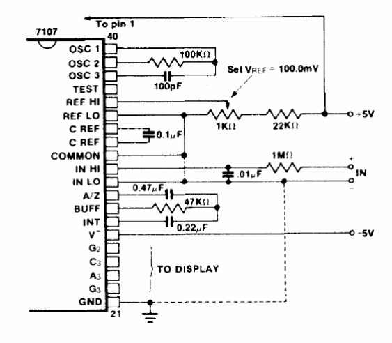
Este circuito, del Intersil Databook de 1983 muestra el uso del ICL7107 en un voltímetro con una referencia interna de 100 mV. El circuito es alimentado por tensiones de 5 y 9 V. Este circuito se encuentra en muchos multímetros de bajo costo.

Este circuito, del Intersil Databook de 1983 muestra el uso del ICL7107 en un voltímetro con una referencia interna de 100 mV. El circuito es alimentado por tensiones de 5 y 9 V. Este circuito se encuentra en muchos multímetros de bajo costo.
