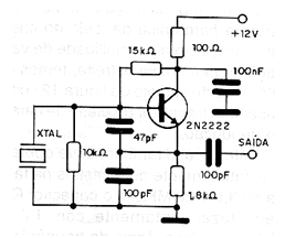
El circuito se muestra en la figura y usa un transistor 2N2222 o equivalente. Este circuito puede operar en frecuencias en el rango de 500 kHz hasta unas pocas decenas de megahertz. Es un oscilador Colpitts en el que la retroalimentación se realiza por derivación capacitiva, con la señal tomada del emisor del transistor y reaplicada a la base. El circuito se alimenta con una tensión de 12V y la potencia de salida es del orden de unos pocos miliwatts. En este circuito, el cristal opera a su frecuencia fundamental.




